ՀԱՅԱՍՏԱՆԻ ՀԱՆՐԱՊԵՏՈՒԹՅԱՆ ԿԱՌԱՎԱՐՈՒԹՅՈՒՆ
Ո Ր Ո Շ ՈՒ Մ
4 սեպտեմբերի 2008 թվականի N 1033-Ն
«ԷԼԵԿՏՐԱԿԱՆ ԲԱՇԽԻՉ ՍԱՐՔԵՐԻՆ ԵՎ ԵՆԹԱԿԱՅԱՆՆԵՐԻ ՍԱՐՔՎԱԾՔԻՆ ՆԵՐԿԱՅԱՑՎՈՂ ՊԱՀԱՆՋՆԵՐ» ՏԵԽՆԻԿԱԿԱՆ ԿԱՆՈՆԱԿԱՐԳԸ ՀԱՍՏԱՏԵԼՈՒ ՄԱՍԻՆ
«Ստանդարտացման մասին» Հայաստանի Հանրապետության օրենքի 8-րդ հոդվածի դրույթի կատարումն ապահովելու նպատակով, ինչպես նաև հաշվի առնելով էլեկտրական բաշխիչ սարքերի և ենթակայանների սարքվածքի նախագծման, պատրաստման, կառուցման և շահագործման ժամանակ մարդու կյանքին և առողջությանը, ֆիզիկական և իրավաբանական անձանց ու պետական գույքին, շրջակա միջավայրին վնաս պատճառելու ռիսկի աստիճանը` Հայաստանի Հանրապետության կառավարությունը որոշում է.
1. Հաստատել «Էլեկտրական բաշխիչ սարքերին և ենթակայանների սարքվածքին ներկայացվող պահանջներ» տեխնիկական կանոնակարգը` համաձայն հավելվածի:
2. Սույն որոշումն ուժի մեջ է մտնում պաշտոնական հրապարակման օրվանից 6 ամիս հետո:
|
Հայաստանի Հանրապետության |
Տ. Սարգսյան |
|
2008 թ. սեպտեմբերի 16 Երևան |
|
Հավելված ՀՀ կառավարության 2008 թվականի սեպտեմբերի 4-ի N 1033-Ն որոշման |
«ԷԼԵԿՏՐԱԿԱՆ ԲԱՇԽԻՉ ՍԱՐՔԵՐԻՆ ԵՎ ԵՆԹԱԿԱՅԱՆՆԵՐԻ ՍԱՐՔՎԱԾՔԻՆ ՆԵՐԿԱՅԱՑՎՈՂ ՊԱՀԱՆՋՆԵՐ» ՏԵԽՆԻԿԱԿԱՆ ԿԱՆՈՆԱԿԱՐԳ
I. ԸՆԴՀԱՆՈՒՐ ԴՐՈՒՅԹՆԵՐ
1. ԿԻՐԱՌՄԱՆ ՈԼՈՐՏԸ
1. «Էլեկտրական բաշխիչ սարքերին և ենթակայանների սարքվածքին ներկայացվող պահանջներ» տեխնիկական կանոնակարգի պահանջները տարածվում են՝
1) մինչև 1 կՎ լարման փոփոխական հոսանքի և մինչև 1,5 կՎ լարման հաստատուն հոսանքի բաշխիչ սարքերի, այդ թվում լրակազմ սարքերի վրա, որոնք տեղակայվում են սենքերում և բացօթյա ու իրագործվում են բաշխիչ, կառավարման, ռելեական վահանների, կառավարակետերի, պահարանների, հաղորդաձողային արտանցիչների, հավաքվածքների տեսքով.
2) 1 կՎ-ից բարձր լարման փոփոխական հոսանքի մնայուն բաշխիչ սարքերի և տրանսֆորմատորային ենթակայանների վրա, բացառությամբ դրանց վերաբերող, բայց այլ իրավական ակտերով կարգավորվող հետևյալ գործառույթների՝
ա. շինհրապարակի ընտրություն (բացառությամբ 52-րդ կետի),
բ. տարածքի ճարտարագիտական նախապատրաստում,
գ. աշխատող էլեկտրասարքավորումից առաջացող աղմուկի իջեցման միջոցառումներ,
դ. սենքերի պայթահրդեհավտանգավորության և հրդեհային վտանգավորության կարգի որոշում,
ե. շենքերի հրակայունության աստիճանի որոշում (բացառությամբ 135-րդ և 136-րդ կետերի),
զ. պահպանության միջոցառումներ,
է. հակահրդեհային պաշտպանության և հրդեհային անվտանգություն (բացառությամբ որոշակի կետերի).
3) 1 միավորում 100 կՎտ և ավելի հզորության կիսահաղորդչային կերպափոխիչ միացքներով մնայուն կերպափոխիչ ենթակայանների և տեղակայանքների վրա, որոնք նախատեսված են արդյունաբերական սպառողների սնման համար (բացառությամբ էլեկտրաֆիկացված երկաթուղագծերի քարշային ենթակայանների և հատուկ կերպափոխիչ տեղակայանքների (օրինակ` գազամաքրման), լաբորատորիաների և այլն): Կերպափոխիչ ենթակայանները և տեղակայանքները (IV բաժին) պետք է բավարարեն նաև սույն տեխնիկական կանոնակարգի մյուս բաժինների պահանջներն այնքանով, որքանով դրանք չեն փոփոխված այդ բաժնում.
4) թթվային կուտակիչ մարտկոցների մնայուն տեղակայանքների վրա (բացառությամբ հատուկ նշանակության կուտակիչ մարտկոցների տեղակայանքների): Կուտակիչ մարտկոցների սենքերը, որոնցում կատարվում է կուտակիչների լիցքավորում` 1 տարրի վրա 2,3 Վ-ից ավելի լարմամբ, պատկանում են Վ-1ա դասի (տե'ս նաև 335-րդ և 336-րդ կետերը) պայթավտանգներին: Կուտակիչ մարտկոցների սենքերը, որոնցում կատարվում է կուտակիչների մշտական լրալիցքավորում և լիցքավորում՝ 1 տարրի վրա մինչև 2,3 Վ լարմամբ, հանդիսանում են պայթավտանգ միայն մարտկոցների կաղապարման ընթացքում և նորոգումից հետո՝ 1 տարրի վրա 2,3 Վ-ից ավելի լարմամբ լիցքավորման ընթացքում: 1 տարրի վրա մինչև 2,3 Վ լարմամբ բնականոն շահագործման պայմաններում այդ սենքերը պայթավտանգ չեն համարվում:
2. ՀԱՍԿԱՑՈՒԹՅՈՒՆՆԵՐ, ՀԱՊԱՎՈՒՄՆԵՐ
2. Սույն տեխնիկական կանոնակարգում օգտագործված են հետևյալ հասկացությունները.
1) բաշխիչ կետ՝ ենթակայանի կազմի մեջ չներառվող 6-ից մինչև 500 կՎ լարման բաշխիչ սարքեր` դրանց աշխատանքի կառավարման ապարատուրայով.
2) բաշխիչ սարք՝ էլեկտրատեղակայանք, որը ծառայում է էլեկտրաէներգիայի ընդունման և բաշխման համար և պարունակում է փոխարկիչ ապարատներ, հավաքական և միացնող հաղորդաձողեր, օժանդակ սարքվածքներ (ճնշակային, կուտակչային և այլն), ինչպես նաև պաշտպանության, հեռուստամեխանիկայի, կապի և չափումների սարքվածքներ.
3) բաց բաշխիչ սարք՝ բաշխիչ սարք, որի բոլոր կամ հիմնական սարքավորումը տեղադրված է բացօթյա.
4) լրակազմ բաշխիչ սարք՝ բաշխիչ սարք, որը կազմված է պահարաններից կամ բլոկներից՝ նրանցում ներսարքված ապարատներով, պաշտպանության, չափման, ավտոմատիկայի սարքվածքներով և միացնող տարրերով (օրինակ՝ հոսանահաղորդիչներով), որոնք մատակարարվում են հավաքված կամ հավաքման համար լրիվ նախապատրաստված վիճակում.
5) լրակազմ բաշխիչ սարք էլեգազային՝ բաշխիչ սարք, որի հիմնական սարքավորումը պարփակված է էլեգազով (SF6) լցված պատյանում, որը ծառայում է որպես մեկուսացնող և (կամ) աղեղամարող միջավայր.
6) խուց՝ սենք, որը նախատեսված է ապարատների, տրանսֆորմատորների և հաղորդաձողերի տեղակայման համար.
7) կայմային տրանսֆորմատորային ենթակայան՝ բաց տրանսֆորմատորային ենթակայան, որի ամբողջ սարքավորումը տեղադրված է կառուցվածքների վրա (այդ թվում` օդային գծի 2 և ավելի հենասյուների կանգնակների վրա)՝ ենթակայանի ցանկապատում չպահանջող բարձրության վրա գտնվող սպասարկման հարթակով.
8) կենսաբանական պաշտպանություն՝ էլեկտրական և մագնիսական դաշտերի վնասակար ազդեցությունից մարդկանց պաշտպանության համակողմանի միջոցառումներ և սարքվածքներ.
9) կերպափոխիչ միացք՝ սարքավորման լրակազմ՝ կազմված 1 կամ մի քանի կիսահաղորդչային կերպափոխիչներից, տրանսֆորմատորներից, ինչպես նաև ապարատներից ու սարքավորումներից, որոնք անհրաժեշտ են միացքի գործարկման և աշխատանքի համար.
10) կիսահաղորդչային կերպափոխիչ՝ օդահովացման կամ ջրահովացման համակարգով, փեղկերի վրա կամ պահարաններում տեղակայված կիսահաղորդչային փականների (կառավարվող կամ չկառավարվող), ինչպես նաև կերպափոխիչի գործարկման և աշխատանքի համար անհրաժեշտ ապարատների ու սարքավորման լրակազմը.
11) կցակառույց ենթակայան (բաշխիչ սարք)՝ ենթակայան (բաշխիչ սարք), որն ուղղակիորեն կից է էլեկտրակայանի կամ արդյունաբերական ձեռնարկության հիմնական շենքին.
12) հատվածավորող կետ՝ 6-ից մինչև 20 կՎ լարման գծի տեղամասի հատվածավորման համար նախատեսված կետ (ինքնավար կամ ձեռքով կառավարման).
13) ներարտադրամասային ենթակայան (բաշխիչ սարք)՝ ենթակայան (բաշխիչ սարք), որը տեղավորված է արտադրական շենքի ներսում՝ բաց (առանց ցանկապատման), ցանցավոր ցանկապատի հետևում կամ առանձին սենքում.
14) ներկառույց ենթակայան (բաշխիչ սարք)՝ ենթակայան (բաշխիչ սարք), որն զբաղեցնում է շենքի մի մասը.
15) սյունային տրանսֆորմատորային ենթակայան՝ բաց տրանսֆորմատորային ենթակայան, որի ամբողջ սարքավորումը տեղակայված է օդային գծի միականգնակային հենարանի վրա այնպիսի բարձրությամբ, որ ենթակայանի ցանկապատում չի պահանջվում.
16) տրանսֆորմատորային ենթակայան` էլեկտրատեղակայանք, որը նախատեսված է էներգիայի ընդունման, կերպափոխման ու բաշխման համար և կազմված է տրանսֆորմատորներից. բաշխիչ սարքերից, կառավարման սարքվածքներից, տեխնոլոգիական և օժանդակ կառուցվածքներից.
17) տրանսֆորմատորային լրակազմ ենթակայան՝ ենթակայան, որը կազմված է տրանսֆորմատորներից, բլոկներից (լրակազմ բաշխիչ սարքերի կամ արտաքին տեղակայման լրակազմ բաշխիչ սարքերի) և այլ տարրերից, որոնք մատակարարվում են արտադրող կազմակերպության կողմից՝ հավաքված կամ հավաքման համար լրիվ նախապատրաստված վիճակում.
18) ցանկապատված խուց՝ խուց, որն ունի լրիվ կամ մասամբ, ոչ հոծ ցանկապատերով (ցանցավոր կամ խառը) պաշտպանված որմնախորշեր.
19) փակ բաշխիչ սարք՝ բաշխիչ սարք, որի սարքավորումը տեղադրված է սենքում.
20) փակ խուց՝ բոլոր կողմերից փակ և հոծ (ոչ ցանցկեն) դռներ ունեցող սենք.
21) օժանդակ նշանակության շենք՝ շենք, որի կազմում գտնվող սենքերն անհրաժեշտ են ենթակայանի սարքավորման տեխնիկական սպասարկման ու նորոգման աշխատանքների կազմակերպման և կատարման համար:
3. Սույն տեխնիկական կանոնակարգում օգտագործված են հետևյալ հապավումները.
|
1) ԲԲՍ՝ |
բաց բաշխիչ սարք |
|
2) ԲՍ՝ |
բաշխիչ սարք |
|
3) ԳԼՍ՝ |
գերլարումների սահմանափակիչ |
|
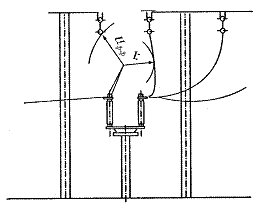
4) ԵԿ՝ |
ենթակայան |
|
5) ԷԴ՝ |
էլեկտրական դաշտ |
|
6) ԼԲԱՍ՝ |
լրակազմ բաշխիչ սարք արտաքին տեղակայման |
|
7) ԼԲՍԷ՝ |
լրակազմ բաշխիչ սարք էլեգազային |
|
8) ԼՏԵ՝ |
լրակազմ տրանսֆորմատորային ԵԿ |
|
9) ԽՊ՝ |
խողովակավոր պարպիչ |
|
10) ԿՄ՝ |
կարճ միակցում |
|
11) ԿՄԿ՝ |
կայծային միջակայք |
|
12) ԿՏԵ՝ |
կայմային տրանսֆորմատորային ԵԿ |
|
13) ՀԷԿ՝ |
հիդրոէլեկտրակայան |
|
14) ՀՀՇՆ՝ |
Հայաստանի Հանրապետության շինարարական նորմեր |
|
15) ՄԴ՝ |
մագնիսական դաշտ |
|
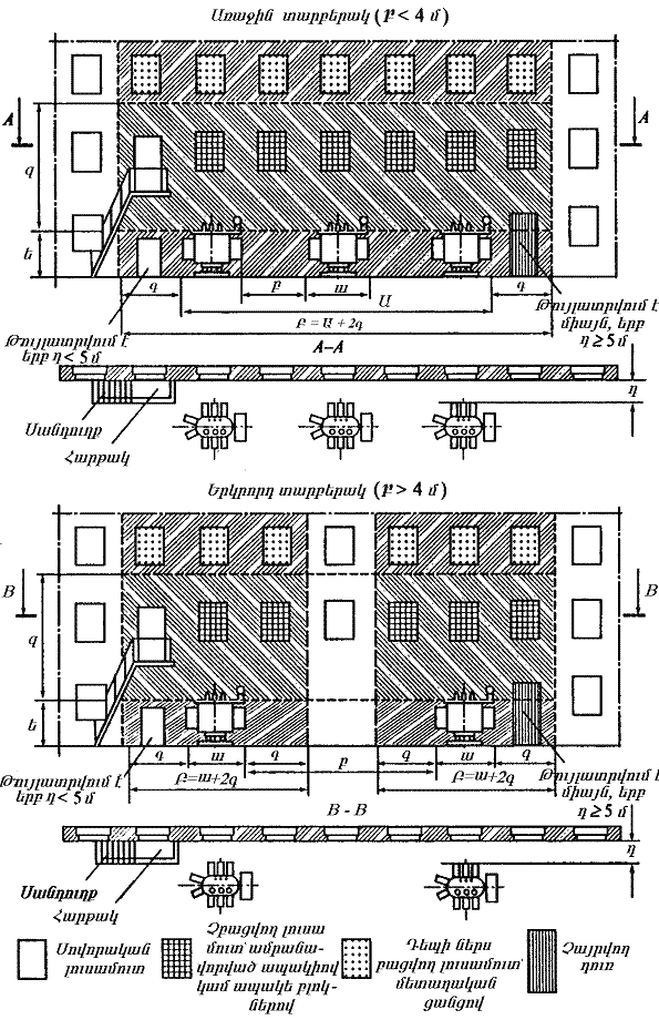
16) Ն(N)՝ |
հաղորդալար զրոյական բանվորական |
|
17) ՊԵ(PE)՝ |
հողանցման հաղորդալար |
|
18) ՊԵՆ(PEN)՝ |
համատեղված հաղորդալար զրոյական բանվորական |
|
19) ՋԷԿ՝ |
ջերմային էլեկտրակայան |
|
20) ՍՏԵ՝ |
սյունային տրանսֆորմատորային ԵԿ |
|
21) ՑԼՍ՝ |
ցածրավոլտ լրակազմ սարք |
|
22) ՑՀԿ՝ |
ցանցային հատվածավորող կետ |
|
23) ՓԲՍ՝ |
փակ բաշխիչ սարք |
|
24) ՓՊ՝ |
փականային պարպիչ |
|
25) ՕԳ՝ |
օդային գիծ |
II
. ՄԻՆՉԵՎ 1 ԿՎ ԼԱՐՄԱՆ ՓՈՓՈԽԱԿԱՆ ՀՈՍԱՆՔԻ ԵՎ ՄԻՆՉԵՎ 1,5 ԿՎ ԼԱՐՄԱՆ ՀԱՍՏԱՏՈՒՆ ՀՈՍԱՆՔԻ ԲԱՇԽԻՉ ՍԱՐՔԵՐ
3. ԸՆԴՀԱՆՈՒՐ ՊԱՀԱՆՋՆԵՐ
4. Հաղորդալարերի, հաղորդաձողերի, ապարատների, սարքերի և կառուցվածքների ընտրությունը պետք է կատարվի ինչպես ըստ աշխատանքի բնականոն պայմանների (համապատասխանություն աշխատանքային լարմանը և հոսանքին, ճշտության դասին և այլն), այնպես էլ ըստ կարճ միակցման դեպքում` աշխատանքի պայմանների (ջերմային և դինամիկ ներգործություններ, փոխարկման ունակություն):
5. ԲՍ-երը և ՑԼՍ-երը պետք է ունենան առանձին շղթաների, ապարատների և վահանների դերն ու նշանակությունը ցույց տվող հստակ մակագրություններ: Մակագրությունները պետք է կատարվեն սարքի դիմային կողմի վրա, իսկ 2 կողմից սպասարկելու դեպքում՝ նաև սարքի հետևի կողմից: Բաշխիչ սարքերը պետք է ունենան հուշասխեմա:
6. Տարբեր տեսակի հոսանքների և տարբեր լարումների շղթաներին վերաբերող ԲՍ-ի մասերը պետք է իրագործվեն և դասավորվեն այնպես, որ ապահովված լինի դրանց հստակ ճանաչումը:
7. Ֆազերի և բևեռների փոխդասավորությունն ամբողջ սարքի սահմաններում պետք է լինի միատեսակ: Հաղորդաձողերը պետք է ունենան ներկվածք՝ ըստ ԳՕՍՏ 31260 ստանդարտի պահանջների: ԲՍ-ում պետք է ապահովված լինի տանովի պաշտպանական հողանցումների տեղակայման հնարավորություն:
8. ԲՍ-ի և ՑԼՍ-ի բոլոր մետաղական մասերը պետք է ունենան հակաքայքայիչ ծածկույթ:
9. Հողանցումը և անվտանգության պաշտպանիչ միջոցները պետք է իրականացվեն՝ ՀՀ կառավարության 2006 թվականի դեկտեմբերի 21-ի «Էլեկտրատեղակայանքների սարքվածքին ներկայացվող ընդհանուր պահանջներ տեխնիկական կանոնակարգը հաստատելու մասին» N 1943-Ն որոշմամբ հաստատված ՏԿ-ի պահանջներին համապատասխան:
4. ՍԱՐՔԵՐԻ ԵՎ ԱՊԱՐԱՏՆԵՐԻ ՏԵՂԱԿԱՅՈՒՄԸ
10. Ապարատները և սարքերը պետք է դասավորել այնպես, որ շահագործման ընթացքում նրանց մեջ առաջացող կայծերը կամ էլեկտրական աղեղները չվնասեն սպասարկող անձնակազմին, չբոցավառեն կամ չվնասեն շրջապատող առարկաները, չառաջացնեն կարճ միակցում կամ հողակցում:
11. Հատող տեսակի ապարատները պետք է տեղակայվեն այնպես, որ չկարողանան ինքնաբերաբար միացնել շղթան ծանրության ուժի ազդեցության տակ: Նրանց շարժական հոսանատար մասերն անջատված վիճակում չպետք է լինեն լարման տակ:
12. Անմիջապես ձեռքով (առանց շարժաբերի) կառավարվող հատիչները, որոնք նախատեսված են բեռնվածքի հոսանքի միացման և անջատման համար և ունեն դեպի օպերատորն ուղղված հպակներ, պետք է պաշտպանված լինեն չայրվող, առանց անցքերի ու ճեղքերի պատյաններով: Նշված հատիչները, որոնք նախատեսված են միայն լարումը հանելու համար, թույլատրվում է տեղակայել բաց՝ պայմանով, որ դրանք անմատչելի լինեն չորակավորված անձնակազմի համար:
13. Փոխարկիչ ապարատների շարժաբերների վրա պետք է հստակ ցույց տրված լինեն «միացված է» և «անջատված է» դիրքերը:
14. Պետք է նախատեսված լինի յուրաքանչյուր ավտոմատ անջատիչից լարումը հանելու հնարավորություն՝ դրա նորոգման կամ սպասարկման ժամանակ: Այդ նպատակով անհրաժեշտ տեղերում պետք է տեղակայվեն հատիչներ կամ անջատող այլ ապարատներ: ԲՍ-ից հեռացող յուրաքանչյուր գծի անջատիչից առաջ անջատող ապարատ չի պահանջվում նախատեսել հետևյալ էլեկտրատեղակայանքներում.
1) դուրսհանովի (դուրս բերվող) անջատիչներով.
2) անշարժ (մնայուն) անջատիչներով, որոնցում տվյալ անջատիչի նորոգման կամ ապամոնտաժման ընթացքում թույլատրելի է ընդհանուր անջատող ապարատի միջոցով լարման հանելն անջատիչների խմբից կամ ամբողջ բաշխիչ սարքից.
3) անշարժ (մնայուն) անջատիչներով, եթե ապահովված է լարման տակ անջատիչների անվտանգ ապամոնտաժումը մեկուսացված գործիքի միջոցով:
15. Պարուրակային (խցանային) ապահովիչները պետք է տեղակայվեն այնպես, որ սնող հաղորդալարերը միացվեն հպակային պտուտակին, իսկ էլեկտրաընդունիչներին գնացողները՝ պտուտակային պարկուճին:
16. ԲՍ-ում և ՑԼՍ-ում սարքերը և ապարատները պետք է տեղադրել հատակի մակարդակից 400-ից մինչև 2000 մմ բարձրության գոտում: Ձեռքի օպերատիվ կառավարման ապարատները (փոխանջատիչներ, կոճակներ) խորհուրդ է տրվում տեղադրել հատակի մակարդակից 1900 մմ-ից ոչ ավելի և 700 մմ-ից ոչ պակաս բարձրությամբ: Չափիչ սարքերը պետք է տեղադրել այնպես, որ յուրաքանչյուր սարքի սանդղակը լինի հատակից 1000-ից մինչև 1800 մմ բարձրությամբ:
5. ՀԱՂՈՐԴԱՁՈՂԵՐ, ՀԱՂՈՐԴԱԼԱՐԵՐ, ՄԱԼՈՒԽՆԵՐ
17. Բաց հոսանատար մասերը պետք է ունենան մեկուսացնող ծածկույթ: Տարբեր բևեռականության անշարժ ամրացված մեկուսացված հոսանատար մասերի, ինչպես նաև դրանց և բաց հաղորդիչ մասերի միջև պետք է ապահովված լինեն հեռավորություններ՝ ոչ պակաս 20 մմ մեկուսացման մակերևույթով, և ոչ պակաս 12 մմ՝ օդով: Չմեկուսացված հոսանատար մասերից մինչև ցանկապատերը պետք է ապահովված լինեն հեռավորություններ՝ առնվազն 100 մմ ցանցավոր, և 40 մմ հոծ, հանովի ցանկապատերի դեպքում:
18. Չոր սենքերում տեղակայված պանելների, վահանների և պահարանների սահմաններում 660 Վ-ից ոչ ցածր աշխատանքային լարման համար հաշվարկված մեկուսացմամբ հաղորդալարերը կարող են անցկացվել մեկը մյուսին կիպ, քայքայումից պաշտպանված մետաղական մակերևույթներով: Այս դեպքերում ուժային շղթաների համար պետք է կիրառվեն ՀՀ կառավարության 2006 թվականի դեկտեմբերի 21-ի «Էլեկտրատեղակայանքների սարքվածքին ներկայացվող ընդհանուր պահանջներ տեխնիկական կանոնակարգը հաստատելու մասին» N 1943-Ն որոշմամբ հաստատված ՏԿ-ի III բաժնում բերված հոսանային բեռնվածքը ցածրացնող գործակիցները:
19. Պաշտպանական (հողանցման) ՊԵ (PE) հաղորդալարերը և հաղորդաձողերը կարող են տեղադրվել առանց մեկուսացման: Զրոյական բանվորական հաղորդալարերը, հաղորդաձողերը և համատեղված ՊԵՆ (PEN) հաղորդալարերը տեղադրվում են մեկուսացմամբ:
20. Մալուխների ներանցումը պահարաններ, վահանակներ և պանելներ ինչպես ներքևից, այնպես էլ վերևից, պետք է իրականացվի խցվածքների միջոցով, որոնք կանխարգելում են փոշու, խոնավության, կողմնակի առարկաների և այլնի ներթափանցումը:
6. ԲԱՇԽԻՉ ՍԱՐՔԵՐԻ ԿԱՌՈՒՑՎԱԾՔՆԵՐԸ
21. ԲՍ-ի, ՑԼՍ-ի կառուցվածքները և դրանցում տեղադրվող սարքավորումները պետք է համապատասխանեն գործող ԳՕՍՏ 2933, ԳՕՍՏ Ռ 50030.3, ԳՕՍՏ 3462, ԳՕՍՏ 4443 ստանդարտների պահանջներին:
22. ԲՍ-ը և ՑԼՍ-ը պետք է պատրաստված լինեն այնպես, որ ապարատների գործման ժամանակ առաջացող թրթռումները, ինչպես նաև արտաքին ազդեցություններից առաջացող ցնցումները չխախտեն հպակային միացումները և չհանգեցնեն ապարատների ու սարքերի ապակարգավորմանը:
23. Խոնավածուծ մեկուսիչ սալերի մակերևույթները, որոնց վրա անմիջականորեն տեղակայվում են չմեկուսացված հոսանատար մասերը, պետք է պաշտպանված լինեն դրանց մեջ խոնավության ներթափանցումից (տոգորմամբ, ներկմամբ և այլն): Խոնավ և բացառիկ խոնավ սենքերում տեղակայված սարքերում և բացօթյա տեղակայանքներում խոնավածուծ մեկուսիչ նյութերի կիրառում (օրինակ՝ մարմարի, ասբեստացեմենտի) չի թույլատրվում:
24. ԲՍ-ի և ՑԼՍ-ի կառուցվածքները պետք է նախատեսեն՝
1) մալուխների այնպիսի մուտք, որ չխախտվի պատյանի պաշտպանության աստիճանը.
2) արտաքին միացումների հարդարանքի անցկացման տեղերը.
3) տվյալ կառուցվածքի համար մալուխի հարդարվածքի նվազագույն երկարությունը.
4) բոլոր սպասարկվող ապարատներին, սարքերին, սարքվածքներին և սեղմակներին հասանելիության ապահովումը: Բաշխիչ սարքը պետք է ունենա արտաքին մալուխների և հաղորդալարերի զրոյական բանվորական, հողանցման ՊԵ (PE) և համատեղված ՊԵՆ (PEN) հաղորդիչների միացման սարքվածքներ: Այն դեպքում, երբ արտաքին մալուխները, ըստ քանակի կամ կտրվածքի, հնարավոր չէ անմիջականորեն միացնել ապարատների սեղմակներին, ԲՍ-ի կառուցվածքում պետք է նախատեսվեն լրացուցիչ սեղմակներ կամ միջանկյալ հաղորդաձողեր՝ արտաքին մալուխների միացման սարքվածքներով: ԲՍ-ում և ՑԼՍ-ում պետք է նախատեսվի մալուխների մուտք` ինչպես ներքևից, այնպես էլ` վերևից, կամ միայն ներքևից, կամ միայն վերևից:
7. ԲԱՇԽԻՉ ՍԱՐՔԵՐԻ ՏԵՂԱԿԱՅՈՒՄՆ ԷԼԵԿՏՐԱՍԵՆՔԵՐՈՒՄ
25. Էլեկտրասենքերում սպասարկման անցամասերը, որոնք գտնվում են վահանի դիմային կամ հետևի մասում, պետք է համապատասխանեն հետևյալ պահանջներին`
1) անցամասերի լուսանցիկ լայնությունը պետք է լինի առնվազն 0,8 մ, միջանցիկ բարձրությունը՝ առնվազն 1,9 մ: Անցամասի լայնությունը պետք է ապահովի սարքավորման հարմար սպասարկումը և տեղափոխումը: Առանձին տեղերում անցամասերը կարող են նեղացվել շինարարական ցցուն կառուցվածքներով, սակայն անցամասի լայնությունն այդ տեղերում պետք է լինի 0,6 մ-ից ոչ պակաս.
2) 2,2 մ-ից պակաս բարձրությամբ միակողմանի տեղակայված, չցանկապատված, չմեկուսացված հոսանատարների ամենացցված մասերից (օրինակ՝ հատիչների անջատված դանակներից) հեռավորությունները մինչև հակադիր պատը, ցանկապատը կամ այն սարքավորումը, որը չունի չցանկապատված, չմեկուսացված մասեր, պետք է կազմեն`
ա. 660 Վ-ից ցածր լարման դեպքում. 1,0 մ՝ վահանի մինչև 7 մ երկարության, և 1,2 մ՝ վահանի 7 մ-ից ավելի երկարության դեպքերում,
բ. 660 Վ և ավելի լարման դեպքում՝ 1,5 մ. տվյալ դեպքում վահանի երկարություն համարվում է վահանների հոծ ճակատի 2 շարքերի միջև կամ 1 շարքի և պատի միջև անցամասի երկարությունը,
3) անցամասի 2 կողմերում 2,2 մ-ից պակաս բարձրությամբ դասավորված չցանկապատված, չմեկուսացված հոսանատար մասերի միջև հեռավորությունները պետք է լինեն առնվազն`
ա. 1,5 մ՝ 660 Վ-ից ցածր լարման դեպքում
բ. 2 մ՝ 660 Վ և բարձր լարման դեպքում.
4) չմեկուսացված հոսանատար մասերը, որոնք գտնվում են սույն կետի 2-րդ և 3-րդ ենթակետերում բերվածներից փոքր հեռավորությունների վրա, պետք է ցանկապատվեն: Այդ դեպքում անցամասի լայնությունը պետք է լինի ոչ պակաս, քան սահմանված է սույն կետի 1-ին ենթակետում.
5) չցանկապատված, չմեկուսացված հոսանատար մասերը, որոնք տեղադրված են անցամասերի վերևում, պետք է դասավորված լինեն 2,2 մ-ից ոչ պակաս բարձրության վրա.
6) ցանկապատերը, որոնք հորիզոնական տեղադրվում են անցամասերի վերևում, պետք է դասավորված լինեն 1,9 մ-ից ոչ պակաս բարձրության վրա.
7) 7 մ-ից ավելի երկարության վահանների սպասարկման անցամասերը պետք է ունենան 2 ելք: Վահանի մոնտաժման կողմից անցամասի ելքեր կարող են արվել ինչպես դեպի վահանային, այնպես էլ այլ նշանակության սենքեր: Անցամասի 3 մ-ից ավելի լայնության և յուղալեցուն ապարատների բացակայության դեպքում երկրորդ ելքը պարտադիր չէ: ԲՍ-ի սենքերի դռները պետք է բացվեն դեպի այլ սենքեր (բացառությամբ փոփոխական հոսանքի 1 կՎ-ից բարձր լարման և հաստատուն հոսանքի 1,5 կՎ-ից բարձր լարման ԲՍ-երի) կամ դեպի դուրս և ունենան ինքնափակող կողպեքներ, որոնք առանց բանալու բացվում են սենքի ներսի կողմից: Դռների լայնությունը պետք է լինի 0,75 մ-ից ոչ պակաս, բարձրությունը՝ 1,9 մ-ից ոչ պակաս:
26. Որպես չմեկուսացված հոսանատար մասերի ցանկապատ կարող են ծառայել բջջի (25x25) մմ-ից ոչ ավելի չափսեր ունեցող ցանցերը, ինչպես նաև հոծ կամ խառը ցանկապատերը: Ցանկապատերի բարձրությունը պետք է լինի 1,7 մ-ից ոչ պակաս:
8. ԲԱՇԽԻՉ ՍԱՐՔԵՐԻ ՏԵՂԱԿԱՅՈՒՄԸ ԱՐՏԱԴՐԱԿԱՆ ՍԵՆՔԵՐՈՒՄ
27. Չորակավորված անձնակազմի համար մատչելի սենքերում տեղակայված բաշխիչ սարքերը պետք է ունենան հոծ ցանկապատերով փակված հոսանատար մասեր կամ պետք է իրականացվի ոչ պակաս IՌ2X (IP2X) դասի պաշտպանություն: Բաց հոսանատար մասեր ունեցող ԲՍ կիրառելու դեպքում վերջինս պետք է ցանկապատված լինի և սարքավորվի տեղական լուսավորությամբ: Ընդ որում, ցանկապատը պետք է լինի ցանցկեն, հոծ կամ խառը՝ առնվազն 1,7 մ բարձրությամբ: Ցանկապատից մուտք գործելու դռները պետք է փակվեն բանալիով: Հեռավորությունը ցանցկեն ցանկապատից մինչև սարքվածքի չմեկուսացված հոսանատար մասերը պետք է լինի ոչ պակաս 0,7 մ-ից, իսկ հոծերից` 17-րդ կետին համապատասխան: Անցամասերի լայնությունն ընդունվում է 25-րդ կետում բերված պահանջներին համապատասխան:
28. Հաղորդալարերի և մալուխների ծայրատումը պետք է կատարվի այնպես, որ այն գտնվի սարքի ներսում:
29. Հանովի ցանկապատերը պետք է ամրացվեն այնպես, որ անհնարին լինի նրանց հեռացումն առանց հատուկ գործիքի կիրառման: Դռնակները պետք է փակվեն բանալիով:
9. ԲԱՇԽԻՉ ՍԱՐՔԵՐԻ ԲԱՑՕԹՅԱ ՏԵՂԱԿԱՅՈՒՄԸ
30. Բաշխիչ սարքերը բացօթյա տեղակայելիս պետք է պահպանել հետևյալ պահանջները`
1) սարքը պետք է տեղադրված լինի համահարթված հարթակի վրա` հատակագծման մակարդակից առնվազն 0,2 մ բարձրության վրա և պետք է ունենա շրջակա միջավայրի պայմաններին համապատասխանող կառուցվածք: Այն շրջաններում, ուր դիտվում են 1 մ և ավելի բարձրությամբ ձնահյուսեր, պահարանները պետք է տեղակայել բարձրացված հիմքերի վրա.
2) պահարանների մեջ պետք է նախատեսված լինի տեղային տաքացում՝ ապարատների, ռելեների, չափիչ սարքերի և հաշվառքի սարքերի բնականոն աշխատանքն ապահովելու համար: Պահարաններում պետք է նախատեսված լինի տեղային լուսավորություն:
III. 1 կՎ-ԻՑ ԲԱՐՁՐ ԼԱՐՄԱՆ ԲԱՇԽԻՉ ՍԱՐՔԵՐ ԵՎ ԵՆԹԱԿԱՅԱՆՆԵՐ
10. ԸՆԴՀԱՆՈՒՐ ՊԱՀԱՆՋՆԵՐ
31. Էլեկտրասարքավորումը, հոսանատար մասերը, մեկուսիչները, ամրակապերը, ցանկապատերը, կրող կառուցվածքները, մեկուսացման և այլ հեռավորությունները պետք է ընտրված և տեղակայված լինեն այնպես, որ՝
1) էլեկտրատեղակայանքի բնականոն աշխատանքով պայմանավորված ճիգերը, տաքացումը, էլեկտրական աղեղը կամ նրա աշխատանքին ուղեկցող այլ երևույթներ (կայծարձակում, գազերի արտանետում և այլն) չկարողանան վնաս պատճառել սպասարկող անձնակազմին, ինչպես նաև հանգեցնել սարքավորման վնասվածքի, կարճ միակցման կամ հողակցման.
2) էլեկտրատեղակայանքի աշխատանքի բնականոն պայմանների խախտման դեպքում ապահովվի ԿՄ ազդեցությամբ պայմանավորված վնասվածքների տեղափակումը.
3) որևէ շղթայից լարումը հանված լինելու դեպքում հնարավոր լինի դրան պատկանող ապարատները, հոսանատար մասերը և կառուցվածքները ենթարկել անվտանգ տեխնիկական սպասարկման և նորոգման՝ առանց խախտելու հարևան շղթաների բնականոն աշխատանքը.
4) ապահովված լինի սարքավորման հարմար տեղափոխումը:
Աղյուսակ N 1
110-ից մինչև 500 կՎ լարման բաժանիչներով և խզիչներով անջատվող և միացվող պարապ ընթացքի ու լիցքավորման առավելագույն թույլատրելի հոսանքները
(վերնագիրը խմբ. 28.07.11 N 1138-Ն)
|
| |||||||||||||||||||||||||||||||||||||||||||||||||||||||||||||||||||||||||||||||||||||||||||||||||||||||||||||||||||||||||||||
(աղյուսակը խմբ. 28.07.11 N 1138-Ն)
32. Ուժային տրանսֆորմատորների պարապ ընթացքի հոսանքների, օդային ու մալուխային էլեկտրահաղորդման գծերի ու հաղորդաձողերի համակարգերի լիցքավորման հոսանքների միացման կամ անջատման համար արտաքին և ներքին տեղադրման բաժանիչների և խզիչների օգտագործման դեպքում անհրաժեշտ է կատարել հետևյալ պահանջները`
1) անկախ կլիմայական պայմաններից և մթնոլորտի արդյունաբերական աղտոտման աստիճանից՝ թույլատրվում է արտաքին տեղադրման 110-ից մինչև 500 կՎ լարման բաժանիչներով և խզիչներով միացնել ու անջատել ուժային տրանսֆորմատորների պարապ ընթացքի հոսանքը և օդային ու մալուխային գծերի, հաղորդաձողերի համակարգերի և միացությունների լիցքավորման այն հոսանքները, որոնք չեն գերազանցում N 1 աղյուսակում նշված մեծությունները, որում բերված են պարապ ընթացքի վերջնական (արդյունարար) հոսանքները՝ հաշվի առնելով չբեռնավորված տրանսֆորմատորների ինդուկցիոն հոսանքների և տրանսֆորմատորների միացությունների լիցքավորման հոսանքների, օդային կամ մալուխային միացությունների լիցքավորման հոսանքների և չբեռնավորված տրանսֆորմատորների ինդուկցիոն հոսանքի փոխադարձ փոխհատուցումը (Կ՝ կախովի, ԿԱԱ՝ կախովի, Բ (B) ֆազի բևեռի առաջանցիկ անջատմամբ և հետընկած միացմամբ).
2) ներքին տեղակայման 110, 150, 220 կՎ լարման, բևեռների առանցքների միջև համապատասխանաբար 2, 2.5 և 3 մ ստանդարտ հեռավորություններ ունեցող բաժանիչներով ու խզիչներով թույլատրվում է միացնել կամ անջատել խուլ հողանցված չեզոքով ուժային տրանսֆորմատորների (ավտոտրանսֆորմատորների) պարապ ընթացքի հոսանքները՝ համապատասխանաբար 4,2 և 2 Ա-ից ոչ ավելի, ինչպես նաև միացությունների լիցքավորման 1.5 Ա-ից ոչ ավելի հոսանքները.
3) անջատված դիրքում հորիզոնական շրջվող շարժական հպակների եզրերի (ծայրերի) ու սյունակների և հարևան միացությունների հողանցված կամ հոսանատար մասերի միջև նկար 1-ում ցույց տրված «ա», «բ», «գ» հեռավորությունները պետք է լինեն N 1 և N 2 աղյուսակներում տրված բևեռների առանցքների «ե» հեռավորությունից ոչ պակաս: Նկար 1-ում «ա», «բ», «գ» հեռավորությունների նկատմամբ պահանջները կիրառելի են 110-220 կՎ լարման բաժանիչների և խզիչների՝ ըստ սույն կետի 2-րդ ենթակետի, ներքին տեղադրման դեպքում: Հողանցված կամ հոսանատար մասերի և ուղղաձիգ-կտրող կամ շարժական հպակների ծայրերի միջև «դ» ուղղահայաց հեռավորությունը պետք է լինի «ե» հեռավորությունից 0,5 մ-ով ավելի.
4) ներքին և արտաքին տեղադրման 6-ից մինչև 35 կՎ լարման բաժանիչներով և խզիչներով թույլատրվում է միացնել կամ անջատել ուժային տրանսֆորմատորների պարապ ընթացքի հոսանքները, էլեկտրահաղորդման օդային ու մալուխային գծերի լիցքավորման հոսանքները, ինչպես նաև հողակցման հոսանքները, որոնք չեն գերազանցում N 2 աղյուսակում (տես նկար 1) և N 3 աղյուսակում (նկար 2-ի «ա» և «բ») տրված մեծությունները: Նկար 2-ում բևեռների միջև մեկուսացնող միջնորմների դեպքում անջատման և միացման հոսանքները 1,5 անգամ մեծ են N 3 աղյուսակում նշվածներից: Ստանդարտ եռաբևեռ բաժանիչների համար մեկուսիչ միջնորմների չափերը բերված են N 4 աղյուսակում՝ նկար 2-ի «ա»-ին և «բ»-ին համապատասխան.
5) Հորիզոնական տեղադրված բաժանիչների և խզիչների ճկուն հաղորդալարերով էջքերն անցկացնել ոչ մեծ թեքությամբ՝ թույլ չտալով ուղղաձիգին մոտ դիրք՝ դրանց վրա էլեկտրական աղեղի փոխանցումից խուսափելու համար: Հորիզոնականի և էջքի կախվածքի կետը բևեռի գծային սեղմակին միացնող ուղիղի միջև կազմած անկյունը պետք է լինի 650-ից ոչ ավելի: Ձողավորումը կոշտ հաղորդաձողերով կատարել այնպես, որ «գ» հեռավորությանը (տե'ս նկար 1) հաղորդաձողերը մոտենան վերելքով կամ հորիզոնական: Հաղորդաձողերի անթույլատրելի մերձեցումը հորիզոնական շրջվող բաժանիչների շարժական հպակներին նկարում ցույց է տրված կետագծով.
Նկար 1. Բաժանիչի (խզիչի) բաց շարժական հպակների դիրքի սահմանները հողանցված և հոսանատար մասերի նկատմամբ:
Աղյուսակ N 2
6-ից մինչեվ 35 կՎ լարման բաժանիչներով եվ խզիչներով անջատվող եվ միացվող պարապ ընթացքի, լիցքավորման եվ հողակցման առավելագույն թույլատրելի հոսանքները
|
Անվանական լարում, կՎ |
Բևեռների առանցքների միջև և հեռավորությունը, մ (նկ.1) |
Առավելագույն թույլատրելի հոսանքը, Ա | ||
|
պարապ ընթացքի |
լիցքավորման |
հողակցման | ||
|
6 |
0,4 |
2,5 |
5,0 |
7,5 |
|
10 |
0,5 |
2,5 |
4,0 |
6,0 |
|
20 |
0,75 |
3,0 |
3,0 |
4,5 |
|
35 |
1,0 |
3,0 |
2,0 |
3,0 |
|
35 |
2,0 |
5,0 |
3,0 |
5,0 |
Աղյուսակ N 3
6-ից մինչեվ 35 կՎ լարման բաժանիչներով ԵՎ խզիչներով անջատվող ԵՎ միացվող պարապ ընթացքի ու լիցքավորման ԵՎ հողակցման առավելագույն թույլատրելի հոսանքները
|
Անվանական լարում, կՎ |
Բևեռների առանցքների միջև |
Հողանցված և հոսանատար մասերի նվազագույն հեռավորությունը, |
Առավելագույն թույլատրելի հոսանքը, Ա | ||||
|
Ա |
Բ |
Գ |
պարապ ընթացքի |
լիցքավորման |
հողա-կցման | ||
|
6 |
0,2 |
0,2 |
0,2 |
0,5 |
3,5 |
2,5 |
4,0 |
|
10 |
0,25 |
0,3 |
0,3 |
0,7 |
3,0 |
2,0 |
3,0 |
|
20 |
0,3 |
0,4 |
0,4 |
1,0 |
3,0 |
1,5 |
2,5 |
|
35 |
0,45 |
0,5 |
0,5 |
1,5 |
2,5 |
1,0 |
1,5 |
Նկար 2. Բաժանիչի (խզիչի) տեղադրումը՝ ա- ուղղաձիգ, բ-թեք, 1-մեկուսացնող միջնորմեր:
Աղյուսակ N 4
Մեկուսացնող միջնորմՆերի չափերը
|
Անվանական լարում, կՎ |
Մեկուսացնող միջնորմների չափերը, | ||
|
Դ |
Ե |
Զ | |
|
6 |
0,1 |
0,5 |
0,05 |
|
10 |
0,65 |
0,65 |
0,05 |
|
20 |
0,2 |
1,1 |
0,05 |
|
35 |
0,25 |
1,8 |
0,05 |
6) անձնակազմի անվտանգության ապահովման և աղեղի կամ ջերմային ազդեցությունից պաշտպանելու համար բաժանիչների և խզիչների՝ ձեռքով կառավարվող հաղորդակների վերևում տեղադրել չայրվող նյութերից հովար կամ պաշտպանիչ վահան: Պաշտպանիչ վահան տեղադրել չի պահանջվում 6-ից մինչև 35 կՎ լարման բաժանիչների և խզիչների համար, եթե անջատման հոսանքը չի գերազանցում 3 Ա-ը՝ պարապ ընթացքի համար, կամ 2 Ա-ը՝ լիցքավորման հոսանքի համար.
7) ներքին տեղակայման 6-ից մինչև 35 կՎ լարման եռաբևեռ բաժանիչների հաղորդակները, եթե դրանք առանձնացված չեն բաժանիչներից պատով կամ կառույցի ծածկով, պետք է ունենան հաղորդակի և բաժանիչի միջև տեղադրված խուլ վահանակ.
8) 35; 110; 150 և 220 կՎ լարման էլեկտրատեղակայանքներում, երբ նույն շղթայում կան բաժանիչներ և խզիչներ, չբեռնավորված տրանսֆորմատորի, ավտոտրանսֆորմատորի, հաղորդաձողերի համակարգերի, էլեկտրահաղորդման գծերի անջատումը պետք է կատարվի հեռագործ խզիչով, իսկ միացումը՝ բաժանիչով:
33. Ապարատների, հաղորդիչների և մեկուսիչների ընտրությունն ըստ ԿՄ-ի պայմանների, պետք է կատարվի ՀՀ կառավարության 2006 թվականի դեկտեմբերի 21-ի «Էլեկտրատեղակայանքների սարքվածքին ներկայացվող ընդհանուր պահանջներ տեխնիկական կանոնակարգը հաստատելու մասին» N 1943-Ն որոշմամբ հաստատված ՏԿ-ին համապատասխան:
34. Այն կառուցվածքները, որոնց վրա տեղակայված են էլեկտրասարքավորումը, ապարատները, հոսանատար մասերը և մեկուսիչները, պետք է դիմանան սարքավորման զանգվածից, ձգումից, փոխարկման գործողություններից, քամու, սառցակեղևի և ԿՄ ազդեցություններից առաջացող բեռնվածքներին, ինչպես նաև սեյսմիկ ազդեցություններին: Շինարարական կառուցվածքները, որոնք մատչելի են անձնակազմի հպման համար, էլեկտրական հոսանքի ազդեցությամբ չպետք է տաքանան 500C-ից ավելի, հպման համար անմատչելիները՝ 700C-ից ավելի: Կառուցվածքները կարող են ըստ տաքացման չստուգվել, եթե հոսանատար մասերով անցնում է 1000 Ա և պակաս փոփոխական հոսանք:
35. ԲՍ-ի բոլոր շղթաներում պետք է նախատեսված լինի տեսանելի խզմամբ բաժանիչ սարքվածքների տեղակայում, որոնք ապահովում են յուրաքանչյուր շղթայի բոլոր ապարատների (անջատիչների, ապահովիչների, հոսանքի տրանսֆորմատորների, լարման տրանսֆորմատորների և այլն) անջատումը բոլոր կողմերից, որտեղից կարող է տրվել լարում: Տեսանելի խզում կարող է չլինել գլորահանվող տարրերով արտադրող կազմակերպության կողմից թողարկված ԼԲՍ-ում (այդ թվում՝ էլեգազով լցված ԼԲՍԷ-ում) և (կամ) հպակների երաշխավորված դիրքի հուսալի մեխանիկական ցուցիչի առկայության դեպքում: Նշված պահանջը չի տարածվում նաև դուրս եկող գծերի վրա տեղակայվող բարձր հաճախականության արգելափակոցների, կապի կոնդենսատորների և լարման տրանսֆորմատորների վրա, ինչպես նաև տրանսֆորմատորների և շունտավորվող ռեակտորների արտանցիչների ու դուրս եկող գծերի, ինչպես և մալուխային մուտքով ուժային տրանսֆորմատորների վրա տեղադրված պարպիչների և գերլարումների սահմանափակիչների վրա: Առանձին դեպքերում, պայմանավորված սխեմաներով ու կառուցվածքային լուծումներով, թույլատրվում է հոսանքի տրանսֆորմատորները տեղադրել մինչև բաժանող սարքվածքը:
36. Եթե ԲՍ-երը և ենթակայանները տեղադրված են այն տեղերում, որտեղ օդը կարող է պարունակել մեկուսացման աշխատանքը վատթարացնող կամ սարքավորումն ու հաղորդաձողերը քայքայող նյութեր, պետք է ձեռնարկվեն տեղակայանքի հուսալի աշխատանքն ապահովող միջոցներ՝
1) փակ ԲՍ-երի և ենթակայանների կիրառում՝ պաշտպանված փոշու, վնասակար գազերի, գոլորշու՝ շինության մեջ թափանցումից.
2) ուժեղացված մեկուսացման և շրջակա միջավայրի ազդեցության նկատմամբ կայուն նյութից հաղորդաձողերի կիրառում կամ դրանց ներկում պաշտպանիչ շերտով.
3) ԲՍ-երի և ենթակայանների դասավորում քամու գերիշխող ուղղության կողմից.
4) բաց տեղակայվող սարքավորումների նվազագույն քանակի կիրառում:
37. ԲՍ-ը և ԵԿ-ը, աղի լճերի, քիմիական ձեռնարկությունների մոտ կառուցելիս, ինչպես նաև այն վայրերում, որտեղ շահագործման երկարատև փորձով հաստատված է ալյումինի քայքայումը ժանգոտման պատճառով, պետք է կիրառել քայքայումից պաշտպանված հատուկ ալյումինե և պողպատալյումինե հաղորդալարեր, այդ թվում՝ պոլիմերային ծածկույթով, կամ պղնձե կամ պղնձի համաձուլվածքներից հաղորդալարեր:
38. ԲՍ-ը և ԵԿ-ը սեյսմիկ շրջաններում տեղադրելիս պահանջվող սեյսմակայունության ապահովման համար սեյսմակայուն սարքավորման կիրառման հետ մեկտեղ պետք է կիրառել էլեկտրատեղակայանքի սեյսմակայունությունը բարձրացնող հատուկ միջոցներ:
39. ԲԲՍ-երում, արտաքին տեղակայման լրակազմ բաշխիչ սարքվածքներում և չջեռուցվող ՓԲՍ-երում, որտեղ շրջակա օդի ջերմաստիճանը կարող է ցածր լինել սարքավորումների համար թույլատրելիից, պետք է նախատեսված լինի ջեռուցում՝ համաձայն սարքավորման համար գործող ստանդարտի:
40. ԲՍ-երի և ենթակայանների ձողավորումը պետք է կատարվի ալյումինե, պողպատալյումինե և պողպատե հաղորդալարերից, շերտերից, խողովակներից և ալյումինի ու էլեկտրատեխնիկական նշանակության ալյումինի համաձուլվածքների պրոֆիլի հաղորդաձողերից: Ընդ որում, եթե ջերմաստիճանի փոփոխություններից առաջացող հաղորդաձողերի ձևախախտումները (դեֆորմացիաները) կարող են բերել հաղորդալարերի կամ մեկուսիչների անթույլատրելի մեխանիկական լարումների, պետք է նախատեսել նման լարումները բացառող միջոցներ`
1) կոշտ ձողավորման կառուցվածքը պետք է նախատեսի թրթռումների մարման սարքվածքներ, ինչպես նաև ջերմաստիճանային դեֆորմացիաների կամ հենարանային կառուցվածքների անհավասարաչափ նստման հետևանքով առաջացող մեխանիկական ուժերի փոխանցումն ապարատների հպակային արտանցիչներին կամ հենարանային մեկուսիչներին կանխարգելող ազդազերծիչ (կոմպենսացնող) սարքվածքներ.
2) հոսանահաղորդիչները պետք է կատարվեն ՀՀ կառավարության 2007 թ. հուլիսի 12-ի «Էլեկտրական էներգիայի հաղորդաբաշխման վերաբերյալ տեխնիկական կանոնակարգը հաստատելու մասին» N 961-Ն որոշմամբ հաստատված ՏԿ-ի պահանջներին համապատասխան:
41. Էլեկտրասարքավորման և ԲՍ-երի ու ենթակայանների ձողավորման ֆազերի նշանակումը պետք է կատարվի ՀՀ կառավարության 2006 թ. դեկտեմբերի 21-ի «Էլեկտրատեղակայանքների սարքվածքներին ներկայացվող ընդհանուր պահանջներ տեխնիկական կանոնակարգը հաստատելու մասին» N 1943-Ն որոշմամբ հաստատված ՏԿ-ի պահանջներին համապատասխան:
42. ԲՍ-երը պետք է սարքավորված լինեն էլեկտրական տեղակայանքներում փոխանջատումներ կատարելիս սխալ գործողությունների ուղեկապմամբ (կրճատ՝ օպերատիվ ուղեկապմամբ), որը նախատեսված է բաժանիչների, հողանցման դանակների (այսուհետ «հողանցման դանակ» կապակցության փոխարեն գործածվում է «հողանցիչ» բառը, որը հասկացվում է ինչպես ապարատի տարր, այնպես էլ առանձին տեղադրված ապարատ), խզիչների և կարճփակիչների հետ սխալ գործողությունները կանխարգելելու համար: Օպերատիվ ուղեկապումը պետք է բացառի՝
1) բաժանիչով լարում տալը էլեկտրական սխեմայի այն տեղամասին, որը հողանցված է միացված հողանցիչով, ինչպես նաև էլեկտրական սխեմայի այն տեղամասին, որը տարանջատված է միացված հողանցիչից միայն անջատիչով.
2) հողանցիչի միացումը սխեմայի այն տեղամասում, որը բաժանիչով չի առանձնացված այլ տեղամասերից, որոնք կարող են լինել ինչպես լարման տակ, այնպես էլ առանց լարման.
3) բեռնվածքի հոսանքների միացումը կամ անջատումը բաժանիչներով:
43. Բաժանիչին հաջորդաբար խզիչ միացված սխեմայում օպերատիվ ուղեփակումը պետք է ապահովի, որ չբեռնավորված տրանսֆորմատորի միացումը կատարվի բաժանիչով, իսկ անջատումը՝ խզիչով: Գծային բաժանիչի՝ գծի կողմից տեղադրված հողանցիչի համար թույլատրվում է բաժանիչի հաղորդակի հետ ունենալ միայն մեխանիկական ուղեփակում:
44. Բաշխիչ սարքերը և ենթակայանները պետք է սարքավորված լինեն մնայուն (ստացիոնար) հողանցիչներով, որոնք անվտանգության պահանջներին համապատասխան ապահովում են ապարատների և հաղորդաձողավորման հողանցումը`
1) 3 կՎ և բարձր լարման ԲՍ-ում ստացիոնար հողանցիչները պետք է տեղադրվեն այնպես, որ տանովի հողանցիչներ անհրաժեշտ չլինեն, և անձնակազմը, որն աշխատում է միացության կամ հավաքման հաղորդաձողերի հոսանատար մասերի ցանկացած տեղամասի վրա, պաշտպանված լինի հողանցիչներով այն բոլոր կողմերից, որտեղից կարող է լարում տրվել.
2) նորոգման գործընթացում հողանցիչներով բաժանիչի կամ դրա հողանցիչի անջատման դեպքերում հողանցիչներ պետք է նախատեսվեն ցանցի տվյալ տեղամասի այլ բաժանիչների մոտ՝ տեղադրված այն կողմից, որտեղից տեղամասին կարող է տրվել լարում: Այդ պահանջը չի վերաբերում գծային բաժանիչների կողմի հողանցիչներին (շրջանցային հաղորդաձողերի համակարգի կամ օդային գծի կողմից նորոգման միջակապի բացակայության դեպքում), ինչպես և ներքին տեղակայման լրակազմ բաշխիչ սարքերի հատվածամասային կապի շղթայի հողանցիչներին.
3) գծային բաժանիչների գծի կողմի հողանցիչները պետք է ունենան հեռակառավարմամբ հաղորդակ՝ բացառելու համար անձնակազմի վնասվելը դրանց սխալ միացման դեպքում, երբ միացման ժամանակ գիծը գտնվում է լարման տակ, իսկ ներքին տեղակայման լրակազմ բաշխիչ սարքերի բջիջների համար, բացի դրանից, պետք է ունենալ արագագործ հողանցիչներ.
4) 35 կՎ և բարձր լարման ԲՍ-ում հավաքման հաղորդաձողերի յուրաքանչյուր հատվածամասը (համակարգը) պետք է ունենա հողանցիչների 2 լրակազմ: Լարման տրանսֆորմատորների առկայության դեպքում հավաքման հաղորդաձողերի հողանցումները պետք է կատարվեն լարման տրանսֆորմատորների բաժանիչների հողանցիչներով:
45. Շարժական (տանովի) պաշտպանական հողանցիչների կիրառումը նախատեսվում է հետևյալ դեպքերում՝
1) գծային բաժանիչների և ՕԳ-ի կողմից մինչև գծային բաժանիչը տեղադրված սարքավորումների վրա աշխատելիս.
2) սխեմայի այն տեղամասերում, որտեղ հողանցիչները տեղադրված են բաժանիչներից առանձին՝ հողանցիչների նորոգման ժամանակահատվածում.
3) մակածված լարումից պաշտպանելու համար:
46. Հոսանատար մասերը և էլեկտրասարքավորումը պետք է ունենան ցանկապատեր և պատնեշներ`
1) ցանցավոր և խառը ցանկապատերը պետք է ունենան ԲԲՍ-ի և բաց տեղակայված տրանսֆորմատորների համար համահարթման մակարդակից 2 կամ 1,6 մ բարձրություն (հաշվի առնելով 74-րդ և 75-րդ կետերի պահանջները), իսկ ՓԲՍ և շենքի ներսում տեղակայված տրանսֆորմատորների համար՝ հատակից 1,9 մ: Ցանցերը պետք է ունենան անցքեր՝ 25x25 մմ-ից ոչ ավելի չափսերով, ինչպես նաև հարմարանքներ՝ դրանք փականքով փակելու համար: Այս ցանկապատերի ստորին եզրը ԲԲՍ-ում պետք է դասավորված լինի 0,1-ից մինչև 0,2 մ բարձրության վրա, իսկ ՓԲՍ-ում՝ հատակի մակարդակի վրա.
2) պատնեշների կիրառումը թույլատրվում է անջատիչների, տրանսֆորմատորների և այլ ապարատների խցերի մեջ մտնելիս՝ հոսանատար մասերի վրա լարման առկայության դեպքում դրանք զննելու համար: Պատնեշները պետք է տեղակայվեն 1,2 մ բարձրության վրա և լինեն հանովի: Հողի նկատմամբ խցերի հատակի 0,3 մ-ից ավելի բարձրության դեպքում անհրաժեշտ է դռան և պատնեշի միջև թողնել առնվազն 0,5 մ հեռավորություն կամ դռան առջև նախատեսել հարթակ՝ զննման համար.
3) պատնեշների կիրառումը՝ որպես հոսանատար մասերի ցանկապատման միակ միջոց, անթույլատրելի է:
47. Յուղալեցուն տրանսֆորմատորների և ապարատների՝ յուղի մակարդակի ու ջերմաստիճանի ցուցիչները և սարքավորման վիճակը բնորոշող այլ ցուցիչները պետք է դասավորված լինեն այնպես, որ ապահովված լինեն հարմար և անվտանգ պայմաններ՝ դրանց մոտենալու և զննելու համար՝ առանց լարումը հանելու (օրինակ՝ դեպի խուց անցման կողմից): Յուղի նմուշառման համար հատակի կամ գետնի մակերևույթից մինչև տրանսֆորմատորի կամ ապարատի ծորակը հեռավորությունը պետք է լինի 0,2 մ-ից ոչ պակաս կամ պետք է նախատեսված լինի համապատասխան գետնախորշ:
48. Պաշտպանության, ավտոմատիկայի, չափման, ազդանշանման և լուսավորության շղթաների էլեկտրահաղորդագիծը, որն անցկացված է յուղալեցուն էլեկտրատեխնիկական սարքվածքներով, պետք է կատարված լինի յուղակայուն մեկուսացում ունեցող հաղորդալարերով:
49 Բարձր ջրերի (վարարումների) հաշվարկային մակարդակն ընդունվում է 2 տոկոսով ապահովվածությամբ (կրկնվելիությունը՝ 50 տարին 1 անգամ) 330 կՎ և ցածր լարման և 1 տոկոսով (կրկնվելիությունը ՝ 100 տարին 1 անգամ)՝ 500 կՎ և բարձր լարման ենթակայանների համար:
50. ԲՍ-երը և ենթակայանները պետք է սարքավորված լինեն էլեկտրական լուսավորությամբ: Լուսավորության ամրանները պետք է տեղակայված լինեն այնպես, որ ապահովված լինի դրա անվտանգ սպասարկումը:
51. ԲՍ-երը և ենթակայանները պետք է ապահովված լինեն հեռախոսային և այլ տեսակի կապերով՝ սպասարկման ընդունված համակարգին համապատասխան:
52. ԲՍ-երի և ենթակայանների տեղադրումը, տարածքի գլխավոր հատակագիծն ու ճարտարագիտական նախապատրաստումը և դրանց պաշտպանությունը հեղեղումներից, սողանքներից, ձնահյուսերից և այլն պետք է կատարվեն շինարարական նորմերի պահանջներին համապատասխան:
53. ԲԲՍ և ՓԲՍ դասավորվածքը և կառուցվածքային կատարումը պետք է նախատեսեն մեխանիզմներ, այդ թվում` հատուկ մեխանիզմներ կիրառելու հնարավորություն՝ տեղակայման և նորոգման աշխատանքների համար:
54. ԲՍ-երի (ենթակայանների) և 4 մ-ից ավելի բարձրության ծառերի միջև հեռավորությունը պետք է լինի այնպիսին, որ բացառվի սարքավորման և ձողավորման վնասվելը ծառերի անկման դեպքում (հաշվի առնելով ծառերի աճը 25 տարում):
55. Բնակելի և արդյունաբերական սենքերով կառուցապատված շրջաններում տեղակայվող ԲՍ-երի և ենթակայանների համար պետք է նախատեսվեն աշխատող էլեկտրասարքավորման (տրանսֆորմատորների, համաժամ փոխհատուցիչների և այլն) առաջացրած աղմուկը մինչև սանիտարական նորմերով նախատեսված մեծություններն իջեցնելու միջոցառումներ:
56. Անձնակազմի մշտական հերթապահությամբ ենթակայանները, ինչպես նաև այն ենթակայանները, որոնց մոտակայքում կան բնակելի շենքեր, պետք է ապահովված լինեն խմելու ջրով՝ տնտեսական-խմելու ջրագիծ սարքելու, արտեզյան հորատանցքեր կամ հորեր կառուցելու միջոցով:
57. Անձնակազմի մշտական հերթապահությամբ` ջրագիծ ունեցող ԲՍ-երի և ենթակայանների համար պետք է կառուցվեն տաքացվող արտաքնոցներ՝ կոյուղով: Ենթակայանների մոտակայքում կոյուղու մայրուղիների բացակայության դեպքում թույլատրվում է կոյուղու տեղային սարքվածքների կառուցում (պարզարաններ, զտիչներ): Առանց անձնակազմի մշտական հերթապահության` ենթակայաններում թույլատրվում է չտաքացվող՝ անջրանցիկ հորերով արտաքնոցների կառուցում: Առանց անձնակազմի մշտական հերթապահության` 110 կՎ և բարձր լարման ենթակայանները ջրամատակարարման և կոյուղու գոյություն ունեցող համակարգերի մոտակայքում (մինչև 0,5 կմ հեռավորության վրա) տեղադրելիս հենակետային կառավարման կետի (ՀԿԿ) շենքում պետք է նախատեսվեն կոյուղային սանիտարական հանգույցներ:
58. ԲԲՍ-ի և ենթակայանի տարածքները պետք է ցանկապատվեն արտաքին ցանկապատով՝ համաձայն ենթակայանների տեխնոլոգիական նախագծման նորմերի`
1) ենթակայանի տարածքում տրանսֆորմատորները և ԲԲՍ-ը պետք է ցանկապատվեն 1,6 մ բարձրությամբ ներքին ցանկապատով (տե'ս նաև 75-րդ կետը):
2) տարբեր լարման ԲԲՍ-երը և ուժային տրանսֆորմատորները կարող են ունենալ ընդհանուր ցանկապատ:
3) ԲԲՍ-երը` (ենթակայանները) էլեկտրակայանի տարածքում տեղադրելու դեպքում. այդ ԲԲՍ-երը (ԵԿ-ները) պետք է ցանկապատված լինեն 1,6 մ բարձրությամբ ներքին ցանկապատով:
4) ցանկապատեր կարող են չնախատեսվել փակ ԵԿ-ների, ինչպես նաև մինչև 35 կՎ բարձր լարման, արտաքին տեղակայման սյունային, կայմային և լրակազմ ԵԿ-ների համար՝ 150-րդ կետի պահանջի կատարման պայմանով:
59. ԲԲՍ-ի, ԵԿ-ի և էլեկտրակայանների տարածքում պետք է նախատեսել յուղի հավաքման ու հեռացման սարքվածքներ` բացառելու համար յուղի հոսման հնարավորությունը տարածքով և ջրավազան լցվելը:
60. Էլեկտրասարքավորման հեռավորությունը մինչև պայթավտանգ գոտիները և սենքերը սահմանվում են առանձնահատուկ:
61. Ենթակայաններում կիրառվում են օպերատիվ հաստատուն և փոփոխական հոսանքներ: Օպերատիվ փոփոխական հոսանքը պետք է կիրառվի բոլոր դեպքերում, երբ դա հնարավոր է և բերում է էլեկտրատեղակայանքների պարզեցմանն ու էժանացմանը՝ դրանց աշխատանքի անհրաժեշտ հուսալիությունն ապահովելու պարագայում:
11. ԲԱՑ ԲԱՇԽԻՉ ՍԱՐՔԵՐ
62. 110 կՎ և բարձր լարման ԲԲՍ-երում պետք է նախատեսվի երթանց՝ մոնտաժային-նորոգման շարժական մեխանիզմների, ինչպես նաև շարժական լաբորատորիաների համար:
63. Ճկուն հաղորդալարերի միացումը թռիչքում պետք է կատարվի միացնող սեղմակների միջոցով՝ մամլակցմամբ, իսկ միացումը հենասյուների մոտ՝ հանգույցներում, ճյուղավորումների միակցումը թռիչքներում և միակցումն ապարատային սեղմակներին՝ եռակցմամբ կամ մամլակցմամբ`
1) ճյուղավորումների միակցումը թռիչքներում պետք է կատարվի առանց թռիչքի հաղորդալարերի կտրման.
2) հաղորդալարերի զոդում և ոլորում չի թույլատրվում.
3) հեղույսային միացում թույլատրվում է միայն ապարատների սեղմակների վրա և պարպիչներին, գերլարումների սահմանափակիչներին, կապի կոնդենսատորներին և լարման տրանսֆորմատորներին գնացող ճյուղավորումների վրա, ինչպես նաև ժամանակավոր սարքերի համար, որոնցում չքանդվող միացումների կիրառումը պահանջում է հաղորդաձողերի վերատեղակայման մեծ ծավալի աշխատանք.
4) ԲԲՍ-ում հաղորդաձողերի կախման մեկուսիչների շարանները կարող են լինել միաշղթա: Եթե միաշղթա շարանը չի բավարարում մեխանիկական բեռնվածքների պայմաններին, ապա պետք է կիրառել երկշղթա շարան.
5) բաժանիչ (ներդրովի) շարաններ չեն թույլատրվում, բացառությամբ շարանների, որոնց միջոցով իրականացվում է բարձր հաճախականության արգելափակոցների կախումը.
6) ճկուն հաղորդաձողերի և մետաղաճոպանների ամրակցումները ձգովի և կախովի սեղմակներում ամրության տեսանկյունից պետք է համապատասխանեն ՀՀ կառավարության 2007 թվականի հուլիսի 12-ի «Էլեկտրական էներգիայի հաղորդաբաշխման վերաբերյալ տեխնիկական կանոնակարգը հաստատելու մասին» N 961-Ն որոշմամբ հաստատված ՏԿ-ում բերված պահանջներին:
64. Թռիչքներում կոշտ հաղորդաձողերի միացումը պետք է կատարել եռակցմամբ, իսկ հարևան թռիչքների հաղորդաձողերի միակցումը՝ փոխհատուցող (կոմպենսացնող) սարքվածքի միջոցով, որը հաղորդաձողերին պետք է միացվի եռակցմամբ: Թույլատրվում է փոխհատուցող սարքվածքի միացումը թռիչքներին հեղույսային միացմամբ: Կոշտ հաղորդաձողերից ճյուղավորումները կարող են լինել ճկուն կամ կոշտ, իսկ դրանց միակցումը թռիչքներին պետք է կատարել եռակցմամբ: Հեղույսային միակցումը թույլատրվում է միայն դրա հիմնավորման դեպքում:
65. ԲԲՍ-ի հավաքովի հաղորդաձողերից ճյուղավորումները պետք է տեղավորվեն հավաքովի հաղորդաձողերից ներքև: Հաղորդաձողավորման կախումը 1 թռիչքով հավաքովի հաղորդաձողերի 2 և ավելի հատվածների կամ համակարգերի վրայով չի թույլատրվում:
66. Հաղորդաձողերի և կառուցվածքների վրա քամուց և սառցակեղևից բեռնվածքները, ինչպես նաև օդի հաշվարկային ջերմաստիճանները, պետք է որոշվեն ՀՀ կառավարության 2007 թվականի հուլիսի 12-ի «Էլեկտրական էներգիայի հաղորդաբաշխման վերաբերյալ տեխնիկական կանոնակարգը հաստատելու մասին» N 961-Ն որոշմամբ հաստատված ՏԿ-ի պահանջներին համապատասխան: Այս դեպքում կոշտ հաղորդաձողերի ճկվածքը չպետք է գերազանցի թռիչքի 1/80 երկարության չափը`
1) կառուցվածքների վրա բեռնվածքների որոշման ժամանակ պետք է լրացուցիչ հաշվի առնել մարդու և նրա գործիքների ու տեղակայման հարմարանքների կշիռը, երբ կիրառվում են՝
բ. մեկուսիչների ձգովի շարաններ՝ 2,0 կՆ,
ա. պահող շարաններ՝ 1,5 կՆ,
գ. հենարանային մեկուսիչներ՝ 1,0 կՆ:
2) հաղորդաձողերից դեպի ԲԲՍ-ի սարքերը գնացող էջքերի ձգաուժը հաշվարկային կլիմայական պայմաններում չպետք է առաջացնի անթույլատրելի մեխանիկական լարումներ և հաղորդալարերի անթույլատրելի մոտեցումներ:
67. ԿՄ ժամանակ կոշտ հաղորդաձողերից հենարանային մեկուսիչներին փոխանցվող հաշվարկային մեխանիկական ճիգերը պետք է ընդունվեն ՀՀ կառավարության 2006 թվականի դեկտեմբերի 21-ի «Էլեկտրատեղակայանքների սարքվածքին ներկայացվող ընդհանուր պահանջներ տեխնիկական կանոնակարգը հաստատելու մասին» 1943-Ն որոշմամբ հաստատված ՏԿ-ի դրույթներին համապատասխան:
68. Մեխանիկական ամրության պաշարի գործակիցը, 66-րդ կետում նշված բեռնվածքներին համապատասխան, պետք է լինի`
1) ճկուն հաղորդաձողերի համար՝ 3-ից ոչ պակաս՝ նրանց խզման ժամանակավոր դիմադրության նկատմամբ.
2) կախովի մեկուսիչների համար՝ 4-ից ոչ պակաս՝ ողջ մեկուսչի երաշխավորված նվազագույն քայքայող բեռնվածության (մեխանիկական կամ էլեկտրամեխանիկական, կախված կիրառվող մեկուսչի տեսակի համար ստանդարտի պահանջներից) նկատմամբ.
3) ճկուն հաղորդաձողերի կցորդման ամրանների համար՝ 3-ից ոչ պակաս՝ նվազագույն քայքայող բեռնվածքի նկատմամբ.
4) կոշտ հաղորդաձողավորման հենարանային մեկուսիչների համար՝ 2.5-ից ոչ պակաս՝ մեկուսչի երաշխավորված նվազագույն քայքայող բեռնվածքի նկատմամբ:
69. ԲԲՍ-ի հաղորդաձողերի ամրացման հենարանները հաշվարկվում են որպես միջանկյալ կամ ծայրային՝ ՀՀ կառավարության 2007 թվականի հուլիսի 12-ի «Էլեկտրական էներգիայի հաղորդաբաշխման վերաբերյալ տեխնիկական կանոնակարգը հաստատելու մասին» N 961-Ն որոշմամբ հաստատված ՏԿ-ի պահանջներին համապատասխան:
70. 35 կՎ և բարձր լարման ԲԲՍ-ում դասավորվածքը պետք է իրականացնել առանց անջատիչների վրայով անցնող վերին օթյակի հաղորդաձողերի:
71. Տարբեր ֆազերի չմեկուսացված հոսանատար մասերի միջև կամ չմեկուսացված հոսանատար մասերից մինչև հող, հողանցված կառուցվածքները և ցանկապատերը, ինչպես նաև տարբեր շղթաների չմեկուսացված հոսանատար մասերի միջև լուսանցիկ փոքրագույն հեռավորությունները պետք է ընդունվեն ըստ N 5 աղյուսակի (նկ. 3-ից մինչև նկ. 12): Այն դեպքում, երբ բարձր լեռնային շրջաններում տեղադրված տեղակայանքներում պսակապարպման ստուգման արդյունքներով N 5 աղյուսակի տվյալների համեմատ մեծացվում են միջֆազային հեռավորությունները, համապատասխանաբար պետք է մեծացվեն հեռավորությունները մինչև հողանցված մասեր`
1) բաշխված պոտենցիալի տակ գտնվող մեկուսացման տարրերի համար մեկուսիչ հեռավորությունները պետք է ընդունել հաշվի առնելով մակերևույթի տարբեր կետերում պոտենցիալների փաստացի արժեքները: Պոտենցիալների բաշխման վերաբերյալ տվյալների բացակայության դեպքում պետք է պայմանականորեն ընդունել մեկուսացման երկարությամբ պոտենցիալների ուղղագիծ անկման օրենքը՝ լրիվ անվանական լարումից (հոսանատար մասերի կողմից) մինչև զրոյական լարում (հողանցված մասերի կողմից).
2) լարման տակ գտնվող հոսանատար մասերից կամ մեկուսացման տարրերից (հոսանատար մասերի կողմից) մինչև երկաթուղային գծերով փոխադրվող տրանսֆորմատորների եզրաչափերի հեռավորությունները թույլատրվում է ընդունել Բ չափից փոքր, բայց ԱIֆ-h չափից ոչ պակաս.
3) ծովի մակերևույթից 1000մ և ավելի բարձրության վրա տեղադրված 220 կՎ և բարձր լարման ԲԲՍ-երի համար Աֆ-հ , ԱIֆ-h և Աֆ-ֆ հեռավորությունները պետք է մեծացվեն՝ համաձայն պետական ստանդարտների պահանջների, իսկ Աֆ-h , Գ և Ե1 հեռավորությունները պետք է ստուգվեն՝ ըստ պսակավորման սահմանափակման պայմանների.
4) գերլարումների սահմանափակիչներն ունեն ֆազ-հող փոխակերպման գերլարումներից սահմանափակման 1,8ՍՏ պաշտպանական մակարդակ:
72. Կոշտ հաղորդաձողերի դեպքում լուսանցիկ հեռավորությունները հոսանատար և հողակցված մասերի միջև՝ Աֆ-հ և տարբեր ֆազերի հոսանատար մասերի միջև՝ Աֆ-ֆ, պետք է լինեն N 5 աղյուսակում (նկ. 3) բերված արժեքներից ոչ պակաս, իսկ ճկուն հաղորդաձողերի դեպքում (նկ. 4) պետք է որոշել հետևյալ ձևով.
Աֆ-հ,ճ = Աֆ-հ + ա,
ԱIֆ-h=ԱIֆ-hհ +ա,
Աֆ-ֆ,ճ = Աֆ-ֆ + ա,
որտեղ, ա = f Sina, f-ը հաղորդալարի կախվածքի սլաքն է +150C ջերմաստիճանի դեպքում, մ, a=arctg (P/Q), Q-ն 1 մ երկարության հաղորդալարի կշռից հաշվարկային բեռնվածքն է, դե Ն/մ, P-ն հաղորդալարի վրա քամու հաշվարկային գծային բեռնվածքն է, դեՆ/մ, ըստ որում՝ քամու արագությունն ընդունվում է հավասար շինարարական կառուցվածքների հաշվարկի ժամանակ ընտրված արժեքի 60 տոկոսին:
Նկար 3. Կոշտ հաղորդաձողերի դեպքում նվազագույն միջանցիկ հեռավորությունները հոսանատար և հողանցված մասերի միջև (Աֆ-հ , ԱIֆ-h) և տարբեր ֆազերի հոսանատար մասերի միջև (Աֆ-ֆ ):
73. Լարման տակ գտնվող հարևան ֆազերի միջև թույլատրելի նվազագույն լուսանցիկ հեռավորությունները կարճ միակցման հոսանքների ազդեցությունից դրանց առավելագույն մոտեցման պահին պետք է լինեն ոչ պակաս ՀՀ կառավարության 2007 թվականի հուլիսի 12-ի «Էլեկտրական էներգիայի հաղորդաբաշխման վերաբերյալ տեխնիկական կանոնակարգը հաստատելու մասին» N 961-Ն որոշմամբ հաստատված ՏԿ-ում նշվածներից՝ ընտրված ըստ առավելագույն աշխատանքային լարման: Ճկուն հաղորդաձողավորումում, որը կատարվում է 1 ֆազում մի քանի հաղորդալարերով, պետք է տեղադրվեն ներֆազային հեռավորական պահանգներ:
74. Լարման տակ գտնվող մեկուսիչների կամ հոսանատար մասերի նվազագույն հեռավորությունները մշտական ներքին ցանկապատերից պետք է լինեն (աղյուսակ N 5, նկ. 5)`
1) հորիզոնականով՝` ոչ պակաս Բ չափից՝ ցանկապատի 1,6 մ բարձրության դեպքում և ոչ պակաս Աֆ-հ չափից՝ ցանկապատի 2,0 մ բարձրության դեպքում: Երկրորդ տարբերակը խորհուրդ է տրվում ԵԿ-ի հարթակի նեղվածքի (սահմանափակումների) դեպքում:
2) ուղղաձիգով՝` ոչ պակաս ԱIֆ-h, չափից, որը չափվում է ցանկապատի հարթության վրա հողից 2,7 մ բարձր գտնվող կետից:
Նկար 4. Ճկուն հաղորդաձողերի դեպքում նվազագույն լուսանցիկ հեռավորությունները հոսանատար և հողանցված մասերի միջև (Աֆ-հ) և 1 հորիզոնական հարթության մեջ դասավորված տարբեր ֆազերի հոսանատար մասերի միջև (Աֆ-ֆ):
75. Հոսանատար մասերը (արտանցիչներ, հաղորդաձողեր, էջքեր և այլն) կարող են չունենալ ներքին ցանկապատեր, եթե դրանք դասավորված են հարթակի նիշից կամ վերգետնյա հաղորդակցման սենքերից N 5 աղյուսակում բերված Դ չափից ոչ պակաս բարձրության վրա (նկ. 6)`
1) բարձր հաճախականության կապի, հեռուստամեխանիկայի և պաշտպանության սարքվածքների կոնդենսատորը զտիչի հետ միացնող չցանկապատված հոսանատար մասերը պետք է տեղավորվեն 2,5 մ-ից ոչ պակաս բարձրության վրա: Ընդ որում, խորհուրդ է տրվում զտիչը տեղակայել այնպիսի բարձրության վրա, որը թույլ կտա դրա նորոգումը (կարգաբերումը) իրականացնել առանց միակցման սարքավորումից լարումը հանելու.
2) տրանսֆորմատորները և սարքերը, որոնց մեկուսիչների ճենապակու (պոլիմերային նյութի) ներքևի եզրը տեղավորված է հարթակի նիշի մակարդակից կամ հաղորդակցության սենքերի մակարդակից 2,5 մ-ից ոչ պակաս բարձրության վրա, թույլատրվում է չցանկապատել (նկ. 6): Պակաս բարձրության դեպքում սարքավորումը պետք է ունենա 46-րդ կետի պահանջներին բավարարող և տրանսֆորմատորներից ու ապարատներից 74-րդ կետում բերվածից ոչ պակաս հեռավորության վրա գտնվող մշտական ցանկապատ: Մշտական ցանկապատերի փոխարեն թույլատրվում է սարքավորել հովարներ, որոնք կանխարգելում են սպասարկող անձնակազմի հպվելը մեկուսացմանը կամ սարքավորման լարման տակ գտնվող տարրերին:
Աղյուսակ N 5
Նվազագույն լուսանցիկ հեռավորությունները հոսանատար մասերից մինչև պարպիչներով պաշտպանված 10-ից մինչև 500 կՎ լարման ԲԲՍ-ների (ենթակայանների) և մինչև գերլարումների սահմանափակիչներով պաշտպանված 220-ից մինչև 500 կՎ լարման ԲԲՍ-ների տարբեր տարրերը (հայտարարում) (տես նկ. 3-ից մինչև նկ. 12)
(վերնագիրը խմբ. 28.07.11 N 1138-Ն)
|
| |||||||||||||||||||||||||||||||||||||||||||||||||||||||||||||||||||||||||||||||||||||||||||||||||||||||||||||||||||||||||||||||||
(աղյուսակը խմբ. 28.07.11 N 1138-Ն)
76. Չցանկապատված հոսանատար մասերից մինչև մեքենաների, մեխանիզմների ու տեղափոխվող սարքավորումների եզրաչափերը պետք է լինեն N 5 աղյուսակի (նկ. 5) Բ չափից ոչ պակաս:
77. Տարբեր շղթաների ամենամոտ չցանկապատված հոսանատար մասերի միջև հեռավորությունները պետք է ընտրվեն 1 շղթայի անվտանգ սպասարկման պայմանից՝ չանջատված երկրորդի դեպքում: Տարբեր շղթաների չցանկապատված հոսանատար մասերի՝ տարբեր հարթություններում (զուգահեռ կամ ուղղահայաց) դասավորության դեպքում հեռավորություններն ըստ ուղղաձիգի պետք է լինեն Գ չափից, իսկ ըստ հորիզոնականի՝ Ե1 չափից ոչ պակաս (աղյուսակ N 5, նկ. 8): Տարբեր լարումների առկայության դեպքում Գ և Ե1 չափերն ընդունվում են ըստ ավելի բարձր լարման: Գ չափը որոշված է՝ ելնելով չանջատված վերին շղթայի դեպքում, ստորին շղթայի սպասարկման պայմանից, իսկ Ե1 չափը որոշված է մի շղթայի սպասարկման պայմանից՝ չանջատված երկրորդի դեպքում: Եթե այդպիսի սպասարկում չի նախատեսվում, հեռավորությունները տարբեր հարթություններում տարբեր շղթաների հոսանատար մասերի միջև պետք է ընդունվեն 70-րդ կետին համապատասխան, ընդ որում, պետք է հաշվի առնվի շահագործման պայմաններում հաղորդալարերի մոտեցման հնարավորությունը (քամու, սառցակեղևի և ջերմաստիճանի ազդեցությամբ):
Նկար 5. Նվազագույն հեռավորությունները լարման տակ գտնվող հոսանատար մասերից և մեկուսացման տարրերից մինչև մշտական ներքին ցանկապատերը:
Նկար 6. Նվազագույն հեռավորությունները չցանկապատված հոսանատար մասերից և մեկուսչի ճենապակու ստորին եզրից մինչև գետին:
Նկար 7. Նվազագույն հեռավորությունները հոսանատար մասերից մինչև փոխադրվող սարքավորում:
Նկար 8. Նվազագույն հեռավորությունները տարբեր հարթություններում տեղակայված, տարբեր շղթաների հոսանատար մասերի միջև` չանջատված վերին շղթայի դեպքում ստորին շղթայի սպասարկումով:
78. Հոսանատար մասերի և արտաքին ցանկապատի վերին եզրի միջև հեռավորությունները պետք է լինեն N 5 աղյուսակում Ե չափի (նկ. 10) համար բերված արժեքներից ոչ պակաս:
Նկար 9. Նվազագույն հեռավորությունները տարբեր շղթաների հոսանատար մասերի միջև` ըստ հորիզոնականի, մի շղթայի սպասարկմամբ՝ մյուս չանջատված շղթայի դեպքում:
Նկար 10. Նվազագույն հեռավորությունները հոսանատար մասերից մինչև արտաքին ցանկապատի վերին եզրը:
79. Անջատված դիրքում բաժանիչների շարժական հպակների հեռավորությունները հողանցման մասերից պետք է լինեն ոչ պակաս Աֆ-հ և ԱIֆ-h չափերից, մինչև իր ֆազի երկրորդ հպակին միակցված հաղորդաձողավորումը՝ ոչ պակաս Է չափից, մինչև այլ միացությունների հաղորդաձողերը՝ ոչ պակաս Աֆ-հ չափից՝ ըստ N 5 աղյուսակի (նկ. 11):
80. ԲԲՍ-ի հոսանատար մասերի և շենքերի կամ կառույցների (ՓԲՍ, կառավարման վահան, տրանսֆորմատորային աշտարակ և այլն) միջև հորիզոնական հեռավորությունները պետք է լինեն ոչ պակաս N 5 աղյուսակում բերված Ե չափից, իսկ հաղորդալարերի առավելագույն կախման դեպքում ուղղաձիգ հեռավորությունները՝ ոչ պակաս Դ չափից՝ ըստ N 5 աղյուսակի (նկ. 12):
Նկար 11. Նվազագույն հեռավորությունները բաժանիչների անջատված դիրքում հպակներից մինչև հողանցված և հոսանատար մասերը:
Նկար 12. Նվազագույն հեռավորությունները հոսանատար մասերի և շենքերի ու սենքերի միջև:
81. Լուսավորության օդային գծերի, կապի և ազդանշանային գծերի անցկացումը ԲԲՍ-ի հոսանատար մասերից վերև և ներքև չի թույլատրվում:
82. Ջրածնի պահեստներից մինչև ԲԲՍ, տրանսֆորմատորներ, համաժամ փոխհատուցիչներ հեռավորությունը պետք է լինի 50 մ-ից ոչ պակաս, մինչև ՕԳ հենասյունը՝ ոչ պակաս 1,5 հենասյան բարձրություն, մինչև ԵԿ-ի շենքը, եթե պահեստում բալոնների քանակը մինչև 500 հատ է՝ 20 մ-ից ոչ պակաս, 500-ից ավելի բալոնների դեպքում՝ 25 մ-ից ոչ պակաս և ԵԿ-ի արտաքին ցանկապատից` 5,5 մ-ից ոչ պակաս:
83. Բաց տեղակայված էլեկտրատեխնիկական սարքվածքներից մինչև ենթակայանի ջրահովացուցիչները հեռավորությունները պետք է լինեն N 6 աղյուսակում բերված արժեքներից ոչ պակաս: Արտաքին օդի մինուս 360C-ից ցածր հաշվարկային ջերմաստիճանով շրջանների համար N 6 աղյուսակում բերված հեռավորությունները պետք է մեծացվեն 25 տոկոսով, իսկ մինուս 200C-ից բարձր ջերմաստիճանով շրջանների համար՝ փոքրացվեն 25 տոկոսով: Վերակառուցվող օբյեկտների համար N 6 աղյուսակում բերված հեռավորությունները թույլատրվում է փոքրացնել, բայց ոչ ավելի, քան 25 տոկոս:
84. ԲՍ-ի և ԵԿ-ի սարքավորումների հեռավորությունները մինչև ՓԲՍ-ի շենքերը, այլ տեխնոլոգիական շենքերն ու սենքերը որոշվում են միայն տեխնոլոգիական պահանջներով և չպետք է մեծացվեն՝ հրդեհային պայմաններից ելնելով:
Աղյուսակ N 6
Նվազագույն հեռավորությունները բաց տեղակայված էլեկտրատեխնիկական սարքվածքներից մինչեվ ենթակայանների ջրահովացուցիչները
|
Ջրահովացուցիչը |
Հեռավորությունը, մ |
|
Ցայտիչ սարքվածքներ և բաց հովարաններ |
80 |
|
Աշտարակային և միաօդամուղ հովարաններ |
30 |
|
Հատվածամասային օդամուղ հովարաններ |
42 |
85. Միավոր սարքավորման մեջ 60 կգ և ավելի յուղի զանգվածով յուղալեցուն սարքավորումից հեռավորությունները մինչև Գ1-Գ2, Դ և Ե կարգի սենքերով արտադրական շենքերը, ինչպես նաև մինչև բնակելի և հանրային շենքերը պետք է լինեն ոչ պակաս`
1) 16 մ-ից՝ այդ շենքերի և կառույցների I և II աստիճանի հրակայունության դեպքում.
2) 20 մ-ից՝ III աստիճանի հրակայունության դեպքում.
3) 24 մ-ից՝ IV և V աստիճանի հրակայունության դեպքում:
86. Դ և Ե կարգի սենքեր ունեցող արտադրական շենքերի պատերի մոտ 60կգ և ավելի յուղի զանգվածով յուղալեցուն տրանսֆորմատորների տեղադրման դեպքում թույլատրվում են ավելի փոքր հեռավորություններ, եթե շենքերում տեղադրված են տրանսֆորմատորների հետ էլեկտրականապես կապված սարքավորումներ: Այդ դեպքում 10 մ-ից ավելի հեռավորության վրա և Բ լայնությամբ տեղամասից դուրս (նկ.13) հատուկ պահանջներ շենքերի պատերին, պատուհաններին և դռներին չեն առաջադրվում: Նկար 13-ում բերված «ա»-«դ» և Ա չափերն ընդունվում են տրանսֆորմատորների առավել դուրս ցցված մասերի նկատմամբ, հողի մակերևույթից 1,9 մ-ից ոչ ավելի բարձրության վրա: Տրանսֆորմատորների միավորի մինչև 1,6 ՄՎ.Ա հզորության դեպքում գ հեռավորությունը պետք է լինի գ ≥1,5 մ, զ ≥8 մ, իսկ 1,6 ՄՎ.Ա-ից մեծ հզորության դեպքում՝ գ ≥2 մ, զ ≥10 մ. բ հեռավորությունն ընդունվում է ըստ 238-րդ կետի, գ հեռավորությունը պետք է լինի 0,8 մ-ից ոչ պակաս: Սույն կետի պահանջները տարածվում են նաև արտաքին տեղադրման ԼՏԵ-ի վրա: Մինչև տրանսֆորմատորները 10 մ-ից պակաս հեռավորության դեպքում Բ լայնությամբ տեղամասի սահմաններում պետք է իրականացվեն հետևյալ պահանջները`
1) մինչև ե բարձրություն (մինչև տրանսֆորմատորի ներանցիչի մակարդակը) պատուհաններ չեն թույլատրվում.
2) դ հեռավորությունը 5 մ-ից պակաս լինելու և շենքի IV և V հրակայունության աստիճանի դեպքում շենքի պատը պետք է կատարվի հրակայունության I աստիճանով և բարձր լինի այրվող նյութերով կառուցված ծածկից 0,7 մ-ից ոչ պակաս.
Նկար 13. Դ և Ե կարգի արտադրությունով շենքերի մոտ յուղալեցուն տրանսֆորմատորների բաց տեղադրմանը ներկայացվող պահանջները (ըստ հակահրդեհային նորմերի):
3) դ հեռավորությունը 5 մ-ից պակաս լինելու և շենքի I, II, III հրակայունության աստիճանի դեպքերում, ինչպես նաև դ հեռավորությունը 5 մ և ավելի լինելու և առանց հրակայունության աստիճանի սահմանափակման, ե-ից մինչև ե + զ բարձրության վրա թույլատրվում են չբացվող պատուհաններ` լրացված ամրանացված ապակիով կամ ապակե բլոկով և չայրվող նյութից սարքված շրջանակով, իսկ ե + զ բարձրությունից վեր կարող են լինել դեպի ներս բացվող պատուհաններ, որոնց որմնանցքը դրսից պատված է 25x25 մմ-ից ոչ ավելի չափսերով բջիջներով մետաղական ցանցով.
4) դ հեռավորությունը 5 մ-ից պակաս լինելու դեպքում, ե-ից պակաս բարձրության, իսկ դ-ն՝ 5 մ և ավելի լինելու դեպքում, ցանկացած բարձրության վրա թույլատրվում են չայրվող կամ դժվարայրվող նյութերից դռներ՝ հրակայունության ոչ պակաս, քան 60 րոպե սահմանով.
5) դ հեռավորությունը 5 մ-ից պակաս լինելու դեպքում շենքի պատի մեջ օդափոխման ընդունիչ անցքեր չեն թույլատրվում, չաղտոտված օդի արտանետման օդաքարշ անցքեր թույլատրվում են նշված սահմանում ե բարձրության վրա.
6) դ հեռավորությունը 5 մ-ից պակաս լինելու դեպքում մալուխային սենքերի ցանկապատող կառուցվածքներում տրանսֆորմատորների կողմից Բ լայնությամբ տեղամասում օդափոխման անցքեր չեն թույլատրվում:
87. Մեկ միավորում 1 տ-ից ավելի յուղի զանգվածով յուղալեցուն ուժային տրանսֆորմատորների (ռեակտորների) վնասվածքների դեպքում յուղի տարհոսման և հրդեհի տարածման կանխման համար պետք է սարքվեն յուղընդունիչներ, յուղահեռացուցիչներ և յուղահավաքիչներ՝ հետևյալ պահանջների կատարմամբ`
1) յուղընդունիչի եզրաչափերը պետք է դուրս գան տրանսֆորմատորների (ռեակտորների) եզրաչափերից ոչ պակաս, քան 0,6 մ-ով՝ յուղի մինչև 2 տ զանգվածի դեպքում, 1 մ-ով՝ 2-ից մինչև 10 տ զանգվածի դեպքում, 1,5 մ-ով՝ 10-ից մինչև 50 տ զանգվածի դեպքում և 2 մ-ով՝ 50 տ և ավելի զանգվածի դեպքում: Ընդ որում, յուղընդունիչի եզրաչափը կարող է ընդունվել 0,5 մ-ով պակաս՝ տրանսֆորմատորից (ռեակտորից) 2 մ-ից պակաս հեռավորության վրա գտնվող պատի կամ միջնապատի կողմից.
2) յուղահեռացմամբ յուղընդունիչի ծավալը պետք է հաշվարկված լինի տրանսֆորմատորի (ռեակտորի) իրանում պարունակվող յուղի 100 տոկոսի միաժամանակյա ընդունման համար.
3) առանց յուղահեռացման յուղընդունիչի ծավալը պետք է հաշվարկվի տրանսֆորմատորի (ռեակտորի) լցված յուղի 100 տոկոս ծավալի ընդունման համար, և հրդեհամարման միջոցներից 80 տոկոս ջրի ընդունման համար՝ հաշվարկված տրանսֆորմատորի (ռեակտորի) կողային մակերևույթների և յուղընդունիչի մակերեսները ջրելու պայմանից՝ 30 րոպեի ընթացքում 0,2 լիտր/(վրկ.մ2) ինտենսիվությամբ.
4) յուղընդունիչների և յուղահեռացուցիչների կառուցվածքը պետք է բացառի յուղի (ջրի) փոխհոսքը մի յուղընդունիչից դեպի մյուսը, յուղի տարհոսումը մալուխային և այլ ստորգետնյա կառույցներով, հրդեհի տարածումը, յուղահեռացուցչի աղտոտումը և նրա խցանումը ձյունով, սառույցով և այլն.
5) մինչև 20 տ յուղի տարողությամբ տրանսֆորմատորների (ռեակտորների) համար թույլատրվում է յուղընդունիչի կատարումն առանց յուղի հեռացման: Ընդ որում` յուղընդունիչները պետք է սարքվեն խորացված կառուցվածքով և ծածկվեն մետաղյա վանդակով, որի վերևից առնվազն 0,25 մ հաստությամբ պետք է լցվի 30-ից մինչև 70 մմ-անոց մասնիկներով մաքուր կոպիճի կամ լվացված գրանիտե խճի, կամ էլ այլ ապարի ոչ ծակոտկեն խճի շերտ.
6) յուղընդունիչում յուղի լրիվ ծավալի մակարդակը պետք է 50 մմ-ից ոչ պակաս ցածր լինի վանդակից.
7) յուղի և ջրի հեռացումը խորացված յուղընդունիչից պետք է նախատեսվի տանովի պոմպատեղակայանքի միջոցով: Առանց յուղի հեռացման յուղընդունիչի կիրառման դեպքում հանձնարարվում է օգտագործել պարզագույն սարքվածք՝ յուղընդունիչում յուղի (ջրի) բացակայության ստուգման համար.
8) յուղի հեռացմամբ յուղընդունիչները կարող են իրականացվել ինչպես խորացված, այնպես էլ ոչ խորացված տեսակի (հատակը՝ շրջակա համահարթակի նիշի մակարդակին): Խորացված յուղընդունիչի կատարման դեպքում կողային ցանկապատի կառուցում չի պահանջվում, եթե այս դեպքում ապահովվում է յուղընդունիչի՝ սույն կետի 2-րդ ենթակետում նշված ծավալը.
9) յուղի հեռացմամբ յուղընդունիչները կարող են կատարվել`
ա. յուղընդունիչի վրա մետաղական վանդակի տեղադրմամբ, որի վրա լցված է խճի կամ կոպիճի 0,25 մ հաստությամբ շերտ,
բ. առանց մետաղական վանդակի` յուղընդունիչի հատակին 0,25 մ-ից ոչ պակաս հաստությամբ կոպիճ լցնելով:
10) Չխորացված յուղընդունիչը պետք է իրականացվի յուղալեցուն սարքավորման կողային ցանկապատով (կողապատով): Կողային ցանկապատերի բարձրությունը պետք է լինի շրջակա համահարթակի մակարդակից 0,5 մ-ից ոչ ավելի.
11) Յուղընդունիչի հատակը (խորացվածի և չխորացվածի) պետք է ունենա 0,005-ից ոչ պակաս թեքություն գետնախորշի կողմը և լցվի մաքուր լվացված գրանիտի (կամ այլ ոչ ծակոտկեն տեսակի) կոպիճով՝ 30-ից մինչև 70 մմ-անոց մասնիկներով: Լցվածքի հաստությունը պետք է լինի 0,25 մ-ից ոչ պակաս.
12) Կոպիճի (խճի) վերին մակարդակը պետք է 75 մմ-ից ոչ պակաս ցածր լինի կողապատի վերին եզրից (կողապատային ցանկապատով յուղընդունիչների սարքավորման դեպքում) կամ շրջակա նիշի մակարդակից (առանց կողապատային ցանկապատով յուղընդունիչների սարքավորման դեպքում): Թույլատրվում է յուղընդունիչի ոչ ամբողջ հատակը լցնել կոպիճով: Այդ դեպքում տրանսֆորմատորից (ռեակտորից) յուղահեռացման համակարգում պետք է նախատեսել հրապատնեշների տեղադրում.
13) յուղալեցուն էլեկտրասարքավորումը շենքի (կառույցի) երկաթբետոնե ծածկի վրա տեղակայելու դեպքում յուղահեռացուցչի պատրաստելը համարվում է պարտադիր.
14) յուղահեռացուցիչներն ավտոմատ ստացիոնար սարքվածքներով պետք է ապահովեն յուղի և հրդեհամարման համար օգտագործվող ջրի հեռացումը յուղընդունիչներից, սարքավորումից և կառույցներից՝ հրդեհի տեսակետից անվտանգ հեռավորության վրա. յուղի 50 տոկոսը և ջրի ամբողջ քանակը պետք է հեռացվեն ոչ ավելի, քան 0,25 ժամվա ընթացքում: Յուղահեռացուցիչները կարող են կատարվել ստորգետնյա խողովակաշարերի կամ բաց առուների և վաքերի տեսքով.
15) յուղահավաքիչները պետք է լինեն փակ տեսակի և տեղավորեն այն միավոր սարքավորման (տրանսֆորմատորների, ռեակտորների) յուղի ամբողջ ծավալը, որն ամենամեծն է, ինչպես և հրդեհամարման միջոցների ջրի ընդհանուր ծախսի 80 տոկոսը (հաշվի առնելով 30 րոպեանոց պահուստը): Յուղահավաքիչները պետք է սարքավորվեն ջրի առկայության մասին ազդանշանմամբ՝ ազդանշանը կառավարման վահանակ դուրս բերելով: Յուղընդունիչների, յուղահավաքիչների ցանկապատերի ներքին մակերևույթները պետք է պաշտպանված լինեն յուղակայուն ծածկույթով:
88. 63 ՄՎ.Ա և ավելի միավոր հզորությամբ 110-ից մինչև 150 կՎ լարման և 40 ՄՎ.Ա և ավելի միավոր հզորությամբ 220 կՎ և բարձր լարման տրանսֆորմատորներով ենթակայաններում, ինչպես նաև համաժամ փոխհատուցիչներով ենթակայաններում, հրդեհաշիջման համար պետք է նախատեսել հակահրդեհային ջրագիծ՝ առկա արտաքին ցանցից կամ ջրամատակարարման ինքնուրույն աղբյուրից սնմամբ`
1) թույլատրվում է հակահրդեհային ջրագծի փոխարեն նախատեսել հրդեհային տեխնիկայի փոխադրովի միջոցներով ջրառ գետերից, ջրամբարներից, լճակներից և այլ ջրաղբյուրներից, որոնք գտնվում են ենթակայանից մինչև 200 մ հեռավորության վրա.
2) 63 ՄՎ.Ա-ից պակաս միավոր հզորությամբ տրանսֆորմատորներով 35-ից մինչև 110 կՎ լարման ենթակայաններում և 40 ՄՎ.Ա-ից պակաս միավոր հզորությամբ տրանսֆորմատորներով 220 կՎ լարման ենթակայաններում հակահրդեհային ջրագիծ և ջրամբար չի նախատեսվում:
89. Արտաքին տեղադրման ներքին տեղակայման լրակազմ բաշխիչ սարքերի և ԼՏԵ-ը պետք է տեղադրվեն համահարթեցված հրապարակի վրա 0,2 մ-ից ոչ պակաս բարձրությամբ՝ հաշված համահարթեցման նիշից, պահարանների մոտ սպասարկման հարթակների կատարմամբ: 1,0 մ և ավելի հաշվարկային ձյունածածկի բարձրության ու ոչ պակաս 1 ամիս ձյունածածկի պահպանման դեպքում խորհուրդ է տրվում արտաքին տեղադրման ներքին տեղակայման լրակազմ բաշխիչ սարքերի և ԼՏԵ-ը տեղադրել 1 մ-ից ոչ պակաս բարձրության վրա: Սարքավորման տեղադրվածքը պետք է ապահովի բջիջների դուրսբերովի մասերի և տրանսֆորմատորների գլորհանումը և փոխադրումը:
12. ԿԵՆՍԱԲԱՆԱԿԱՆ ՊԱՇՏՊԱՆՈՒԹՅՈՒՆԸ ԷԼԵԿՏՐԱԿԱՆ ԵՎ ՄԱԳՆԻՍԱԿԱՆ ԴԱՇՏԵՐԻ ԱԶԴԵՑՈՒԹՅՈՒՆԻՑ
90. 330 կՎ և բարձր լարման ենթակայաններում և ԲԲՍ-երում սպասարկող անձնակազմի գտնվելու գոտիներում (սպասարկող անձնակազմի տեղաշարժվելու ճանապարհը, աշխատատեղերը) էլեկտրական դաշտի (ԷԴ) լարվածությունը պետք է լինի պետական ստանդարտներով հաստատված թույլատրելի մակարդակների սահմաններում:
91. 1-ից մինչև 20 կՎ լարման ենթակայաններում և ԲԲՍ-երում սպասարկող անձնակազմի գտնվելու գոտիներում մագնիսական դաշտի (ՄԴ) լարվածությունը պետք է համապատասխանի սանիտարական նորմերի և կարգերի պահանջներին:
92. 330 կՎ և բարձր լարման ԲԲՍ-երում սպասարկող անձնակազմի գտնվելու գոտիներում ԷԴ-ի լարվածության թույլատրելի մակարդակները պետք է ապահովվեն կառուցվածքային-տեղադրվածքային լուծումներով՝ մնայուն ու գույքային էկրանավորող սարքավորումների կիրառմամբ: ԷԴ-ի լարվածությունն այդ գոտիներում պետք է որոշվի նույնական կառուցվածքային-տեղադրվածային լուծումներով՝ ԲԲՍ-երում չափումների արդյունքներով կամ հաշվարկային եղանակով:
93. 330 կՎ և բարձր լարման ԲԲՍ-երում անձնակազմի վրա ԷԴ ազդեցության նվազեցման համար անհրաժեշտ է`
1) կիրառել ԲԲՍ-ում ցինկապատ, ալյումինապատ կամ ալյումինե տարրերից մետաղակառուցվածքներ.
2) տեղադրել մետաղական պորտալների վրա բարձրանալու հենասանդուղքները դրանց կանգնակների ներսում (դրսի կողմից տեղակայված հենասանդուղքները պետք է շրջափակված լինեն էկրանացնող սարքվածքով, որն ապահովում է ներսում ԷԴ-ի թույլատրելի լարվածություն):
94. 330 կՎ և բարձր լարման ենթակայաններում և ԲԲՍ-երում ԷԴ լարվածության նվազեցման համար պետք է բացառել նույնանուն ֆազերի հարևանությունը հարակից բջիջներում:
95. 330 կՎ և բարձր լարման ենթակայաններում արտադրական և պահեստային շենքերը պետք է տեղակայվեն ԷԴ ազդեցության գոտուց դուրս: Թույլատրվում է դրանց տեղակայումն այդ գոտում, եթե ապահովվում է դեպի այդ շենքերի մուտքերի անցուղիների էկրանավորումը: Մուտքերի անցուղիների էկրանավորում չի պահանջվում, եթե ազդեցության գոտում գտնվող շենքի մուտքը գտնվում է հոսանատար մասերի նկատմամբ արտաքին կողմից:
96. Արտադրական սենքերը, որոնք նախատեսված են անձնակազմի մշտապես գտնվելու համար, չպետք է տեղակայված լինեն ՓԲՍ-ի և այլ էլեկտրատեղակայանքների հոսանատար մասերին անմիջականորեն մոտ, ինչպես և սարքավորումների հոսանատար մասերի վրա կամ տակ, (օրինակ՝ հոսանատարների) բացառությամբ այն դեպքերի, երբ մագնիսական դաշտերի հաշվարկային մակարդակները չեն գերազանցում թույլատրելի սահմանային արժեքները: Սպասարկող անձնակազմի գտնվելու գոտիներն էկրանացված հոսանատարներից և (կամ) հաղորդաձողային կամրջակներից պետք է գտնվեն այնպիսի հեռավորության վրա, որն ապահովում է մագնիսական դաշտի թույլատրելի սահմանային մակարդակների պահպանումը:
97. Հոսանասահմանափակող ռեակտորները և անջատիչները չպետք է տեղադրվեն 6/10 կՎ լարման բաշխիչ սարքավորումների հարևան բջիջներում: Այս պահանջի կատարման անհնարինության դեպքում հոսանասահմանափակող ռեակտորների և անջատիչների բջիջների միջև պետք է տեղադրվեն ֆերոմագնիսային մնայուն էկրաններ:
98. ՄԴ աղբյուրների կամ աշխատատեղերի էկրանավորումը ՄԴ-ի թույլատրելի մակարդակների ապահովման անհրաժեշտության դեպքում պետք է իրականացվի ֆերոմագնիսային էկրանների միջոցով, որի հաստությունը և երկրաչափական չափերը պետք է հաշվարկել էկրանացման պահանջվող գործակցից ելնելով.
Kէ = Hh /Hթույլ ,
որտեղ՝ Hh - էկրանավորվող աշխատատեղում ՄԴ-ի լարվածության հնարավոր առավելագույն մեծությունն է, Ա/մ, Hթույլ = 80 Ա/մ-ՄԴ-ի լարվածության թույլատրելի մեծությունն է: Այն աշխատատեղերում, որտեղ աշխատանքների կատարման պայմաններից և բնույթից ելնելով անձնակազմի գտնվելը երկարատև չէ, Hթույլ որոշվում է՝ ելնելով սանիտարական նորմերի ու կանոնների պահանջներից:
13. ՓԱԿ ԲԱՇԽԻՉ ՍԱՐՔԵՐ ԵՎ ԵՆԹԱԿԱՅԱՆՆԵՐ
99. Փակ բաշխիչ սարքերը և ենթակայանները կարող են տեղադրվել ինչպես առանձին շենքերում, այնպես էլ լինել ներկառույց կամ կցակառույց: ԵԿ-ի կցակառուցումը գոյություն ունեցող շենքին, օգտագործելով շենքի պատը որպես ԵԿ-ի պատ, թույլատրվում է հատուկ միջոցառումների իրականացման դեպքում, որոնք կանխարգելում են կցվանքի ջրամեկուսացման խախտումը կցակառուցվող ԵԿ-ի նստվածքի դեպքում: Նշված նստվածքը պետք է հաշվի առնվի նաև շենքի գոյություն ունեցող պատին սարքավորումն ամրացնելու դեպքում:
100. 35-ից մինչև 220 կՎ լարման ՓԲՍ-երի սենքերում և տրանսֆորմատորների փակ խցերում պետք է նախատեսել մնայուն սարքվածքներ կամ շարժական գույքային վերամբարձ սարքերի կիրառման հնարավորություն՝ սարքավորումների նորոգման աշխատանքների մեքենայացման և տեխնիկական սպասարկման համար: Ներքին տեղակայման լրակազմ բաշխիչ սարքերով սենքերում պետք է նախատեսվի հարթակ՝ դուրս քաշվող տարրերի նորոգման ու կարգաբերման համար: Նորոգման հարթակը պետք է սարքավորված լինի անջատիչների և կառավարման համակարգերի հաղորդակները փորձելու միջոցներով:
101. Լարման տարբեր դասի ՓԲՍ-երը պետք է տեղադրել առանձին սենքերում: Այդ պահանջը չի տարածվում 35 կՎ և ցածր լարման ԼՏԵ-ների, ինչպես նաև ներքին տեղակայման լրակազմ բաշխիչ սարքերի վրա`
1) թույլատրվում է մինչև 1 կՎ լարման ՓԲՍ-ը տեղադրել 1 սենքում 1 կՎ-ից բարձր լարման ՓԲՍ-ի հետ պայմանով, որ ՓԲՍ-ի կամ մինչև 1 կՎ և բարձր լարման ԵԿ-ի մասերը շահագործվելու են 1 կազմակերպության կողմից.
2) ՓԲՍ-երի, տրանսֆորմատորների, կերպափոխիչների և այլնի սենքերը պետք է առանձնացված լինեն ծառայողական և այլ օժանդակ սենքերից:
102. ՓԲՍ-ում ներքին տեղակայման լրակազմ բաշխիչ սարքերի տեղադրվածքային լուծումների ժամանակ պետք է նախատեսվեն սպասարկման հարթակներ տարբեր մակարդակների վրա այն դեպքում, եթե դրանք չեն տրամադրվում արտադրող կազմակերպության կողմից:
103. ՓԲՍ-երը և տրանսֆորմատորային սենքերը չի թույլատրվում տեղակայել`
1) այն սենքի տակ, որտեղ կա թաց տեխնոլոգիական գործընթացով արտադրություն, ցնցուղարան, լոգարան և այլն.
2) անմիջականորեն այն սենքերի տակ կամ վրա, որտեղ ՓԲՍ-ի կամ տրանսֆորմատորային սենքերի զբաղեցրած մակերեսի սահմաններում միաժամանակ կարող են գտնվել 50 մարդուց ավելի՝ 1 ժամը գերազանցող տևողությամբ: Այդ պահանջը չի տարածվում չոր կամ չայրվող լցանյութով տրանսֆորմատորներով տրանսֆորմատորային սենքերի, ինչպես նաև արդյունաբերական ձեռնարկությունների ՓԲՍ-երի վրա:
104. Լուսանցիկ հեռավորությունները տարբեր ֆազերի չմեկուսացված հոսանատար մասերի միջև, չմեկուսացված հոսանատար մասերից մինչև հողանցված կառուցվածքներն ու ցանկապատերը, հատակն ու գետինը, ինչպես նաև տարբեր շղթաների չցանակապատված հոսանատար մասերի միջև պետք է լինեն N 7 աղյուսակում բերված արժեքներից ոչ պակաս (նկ. 14-ից մինչև 17-ը): ՓԲՍ-երում ճկուն հաղորդաձողերը պետք է ստուգվեն ԿՄ հոսանքների ազդեցության տակ դրանց մոտեցման տեսանկյունից՝ 73-րդ կետին համապատասխան:
Նկար 14. Նվազագույն լուսանցիկ հեռավորությունները ՓԲՍ-ում տարբեր ֆազերի չմեկուսացված հոսանատար մասերի միջև և դրանց ու հողանցված մասերի միջև (ըստ N 7 աղյուսակի):
105. Բաժանիչների անջատված դիրքում շարժական հպակների հեռավորությունը մինչև իր ֆազի երկրորդ հպակին միացված ձողավորումը, պետք է լինի ոչ պակաս Է չափից՝ ըստ N 7 աղյուսակի (տե'ս նկ. 16):
106. Չմեկուսացված հոսանատար մասերը պետք է պաշտպանված լինեն պատահական հպումներից (դրանք խցերի մեջ տեղավորելով, ցանցերով ցանկապատելով և այլն)`
1) չմեկուսացված հոսանատար մասերը խցերից դուրս տեղադրելու և հատակից Ե չափից ցածր՝ ըստ N 7 աղյուսակի դասավորելու դեպքում դրանք պետք է ցանկապատվեն: Անցման բարձրությունը ցանկապատի տակ պետք է լինի 1,9 մ-ից ոչ պակաս (տե'ս նկ. 17).
2) ցանկապատումից վերև՝ հատակից մինչև 2,3 մ բարձրության վրա գտնվող հոսանատար մասերը, պետք է տեղակայված լինեն ցանկապատի հարթությունից N 7 աղյուսակում տրված Գ չափով հեռավորության վրա (տե'ս նկ. 16).
3) ապարատները, որոնց մեկուսիչների ճենապակու (պոլիմերային նյութի) ներքին եզրը գտնվում է հատակի մակարդակից 2,2 մ և ավելի բարձրության վրա, թույլատրվում է չցանկապատել՝ պայմանով, որ վերևում բերված պահանջները կատարված են.
4) ցանկապատված խցերում արգելափակոցների կիրառումն արգելվում է:
Նկար 15. Նվազագույն հեռավորությունները ՓԲՍ-ում չմեկուսացված հոսանատար մասերի և հոծ ցանկապատերի միջև (ըստ N 7 աղյուսակի):
107. N 7 աղյուսակում Ե չափը գերազանցող բարձրության վրա գտնվող տարբեր շղթաներ տանող չցանկապատված չմեկուսացված հոսանատար մասերը պետք է դասավորվեն մեկը մյուսից այնպիսի հեռավորության վրա, որ որևէ շղթայի (օրինակ՝ հաղորդաձողերի հատվածամասի) անջատումից հետո ապահովվի դրա անվտանգ սպասարկումը՝ հարևան շղթաներում լարման առկայության դեպքում: Մասնավորապես, սպասարկման միջանցքի 2 կողմերում տեղավորված չցանկապատված հոսանատար մասերի միջև պետք է պահպանվեն N 7 աղյուսակում Դ-չափի համար (տես՝ նկ. 16) բերվածներից ոչ պակաս հեռավորություններ:
Նկար 16. Նվազագույն հեռավորությունները ՓԲՍ-ում չմեկուսացված հոսանատար մասերից մինչև ցանցկեն ցանկապատերը և չցանկապատված չմեկուսացված տարբեր շղթաների հոսանատար մասերի միջև (ըստ N 7 աղյուսակի):
108. Սպասարկման միջանցքի լայնությունը պետք է ապահովի սարքի հարմար սպասարկումը և սարքավորման տեղափոխումը, ընդ որում՝ այն պետք է լինի 1 մ-ից ոչ պակաս (հաշված լուսանցիկը ցանկապատերի միջև)՝ սարքավորման միակողմանի դասավորության դեպքում և 1,2 մ՝ սարքավորման երկկողմ դասավորության դեպքում: Սպասարկման միջանցքում, որտեղ գտնվում են անջատիչների կամ բաժանիչների շարժաբերները, վերը նշված չափերը պետք է լինեն համապատասխանաբար 1,5 և 2 մ-ից ոչ պակաս: Միջանցքի՝ մինչև 7 մ երկարության դեպքում թույլատրվում է միջանցքի լայնությունը երկկողմ սպասարկման ժամանակ փոքրացնել մինչև 1,8 մ:
109. Դուրս հանվող տարրերով ներքին տեղակայման լրակազմ բաշխիչ սարքերի և ԼՏԵ-ների սպասարկման միջանցքի լայնությունը պետք է ապահովի կառավարման, սարքավորումների տեղափոխման, շրջադարձման և նորոգման հարմարությունը: Ներքին տեղակայման լրակազմ բաշխիչ սարքերի և ԼՏԵ-ը առանձին սենքերում տեղադրելու դեպքում սպասարկման միջանցքի լայնությունը պետք է որոշել՝ ելնելով հետևյալ պահանջներից`
1) միաշարք տեղադրման դեպքում՝ ներքին տեղակայման լրակազմ բաշխիչ սարքերի սայլակներից ամենամեծի երկարությանը (բոլոր դուրս ցցված մասերով) գումարած առնվազն 0,6 մ.
2) երկշարք տեղադրման դեպքում՝ ներքին տեղակայման լրակազմ բաշխիչ սարքերի սայլակներից ամենամեծի երկարությանը (բոլոր դուրս ցցված մասերով) գումարած առնվազն 0,8 մ.
3) ներքին տեղակայման լրակազմ բաշխիչ սարքերի և ԼՏԵ-ի հետևի կողմից զննման միջանցքի առկայության դեպքում դրա լայնությունը պետք է լինի ոչ պակաս 0,8 մ-ից: Թույլատրվում են տեղային նեղացումներ՝ 0,2 մ-ից ոչ ավելի.
4) ներքին տեղակայման լրակազմ բաշխիչ սարքերի և ԼՏԵ-ը արտադրական սենքերում բաց տեղադրելու դեպքում ազատ անցամասի լայնությունը պետք է որոշվի արտադրական սարքավորումների դիրքից ելնելով, ապահովի ներքին տեղակայման լրակազմ բաշխիչ սարքերի և ԼՏԵ-ի առավել մեծ տարրերի փոխադրման հնարավորությունը. բոլոր դեպքերում այն պետք է լինի 1 մ-ից ոչ պակաս.
5) սենքի բարձրությունը պետք է լինի ոչ պակաս, քան ներքին տեղակայման լրակազմ բաշխիչ սարքերի ԼՏԵ-ի հաղորդաձողային ներանցիչների, միջակապերի կամ դուրս ցցված մասերի բարձրությանն ավելացրած 0,8 մ (մինչև առաստաղը), կամ 0,3 մ (մինչև հեծանը).
6) թույլատրվում է սենքի ավելի փոքր բարձրություն, եթե այդ դեպքում ապահովվում են ներքին տեղակայման լրակազմ բաշխիչ սարքերի, ԼՏԵ-ի սարքավորումների, հաղորդաձողային ներանցիչների, միջակապերի փոխարինման, նորոգման և կարգաբերման հարմարավետությունը և անվտանգությունը:
110. Էլեկտրասարքավորումների տեղափոխման ուղու տակ գտնվող սենքերի ծածկի վրա հաշվարկային բեռնվածքները պետք է ընդունվեն՝ հաշվի առնելով ամենածանր սարքավորման (օրինակ՝ տրանսֆորմատորի) զանգվածը, իսկ բացվածքը պետք է համապատասխանի դրանց եզրաչափերին:
111. Երթանցքների հետ կամ տրանսպորտի և այլնի երթևեկության հնարավոր տեղերի հետ փոխհատումներ չունեցող ՓԲՍ-ի, ԼՏԵ-ի և փակ ենթակայանների օդային ներանցումների հաղորդալարի ամենացածր կետի հեռավորությունները մինչև գետնի մակերևույթը պետք է լինեն ոչ պակաս Զ չափից (աղյուսակ N 7 և նկ. 17)`
Նկար 17. Նվազագույն հեռավորությունները հատակից մինչև չցանկապատված չմեկուսացված հոսանատար մասերը և մինչև մեկուսչի ճենապակու ստորին եզրը և ՓԲՍ-ում անցումի բարձրությունը: Նվազագույն հեռավորությունները գետնից մինչև չցանկապատված գծային արտանցիչները ՓԲՍ-ից՝ ԲԲՍ-ի տարածքից դուրս արտանցիչների տակ տրանսպորտի երթանցի բացակայության դեպքում:
1) հաղորդալարերից մինչև գետին ավելի պակաս հեռավորությունների դեպքում պետք է նախատեսել ներանցիչի տակի համապատասխան տարածքի 1,6 մ բարձրությամբ ցանկապատում կամ ներանցիչի տակ` հորիզոնական ցանկապատում: Այդ դեպքում հողից մինչև հաղորդալար հեռավորությունը ցանկապատի հարթության մեջ պետք է լինի Ե չափից ոչ պակաս,
2) երթանցքները կամ տրանսպորտի և այլնի հնարավոր անցումները փոխհատող օդային ներանցիչների դեպքում հաղորդալարի ամենացածր կետի հեռավորությունը մինչև հող պետք է ընդունվեն՝ համաձայն ՀՀ կառավարության 2007 թվականի հուլիսի 12-ի «Էլեկտրական էներգիայի հաղորդաբաշխման վերաբերյալ տեխնիկական կանոնակարգը հաստատելու մասին» N 961-Ն որոշմամբ հաստատված ՏԿ-ի.
3) ՓԲՍ-ից դեպի ԲԲՍ-ի տարածք գնացող օդային արտանցիչների դեպքում նշված հեռավորությունները պետք է ընդունվեն ըստ N 5 աղյուսակի Դ չափի (տե'ս նկ. 6).
4) երկու շղթաների հարակից գծային արտանցիչների միջև հեռավորությունները պետք է լինեն ոչ պակաս N 5 աղյուսակում բերված արժեքներից՝ Ե' չափի համար, եթե հարևան շղթաների արտանցիչների միջև միջնապատեր նախատեսված չեն.
5) ՓԲՍ-երի տանիքից ջրի չկազմակերպված հեռացման դեպքում օդային ներանցիչների վրա պետք է նախատեսել հովարներ:
112. Ելքերը ԲՍ-ից պետք է կատարվեն հետևյալ պահանջներին համապատասխան`
1) ԲՍ-ի մինչև 7 մ երկարության դեպքում թույլատրվում է 1 ելք.
2) ԲՍ-ի 7 մ-ից մինչև 60 մ երկարության դեպքում պետք է նախատեսվի 2 ելք դրա եզրերից. թույլատրվում է ելքերը ԲՍ-ից տեղավորել դրա ճակատներից մինչև 7 մ հեռավորության վրա.
Աղյուսակ N 7
Նվազագույն լուսանցիկ հեռավորությունները հոսանատար մասերից մինչև պարպիչներով պաշտպանված 3-ից մինչև 330 կՎ լարման ՓԲՍ-ների (ենթակայանների) և գերլարումների սահմանափակիչներով պաշտպանված 110-ից մինչև 330 կՎ լարման ՓԲՍ-ների (հայտարարում) տարբեր տարրերը (գերլարումների սահմանափակիչները ունեն ֆազ-հող կոմուտացիոն 1,8 ՍՖ գերլարումների պաշտպանիչ մակարդակ)
(վերնագիրը խմբ. 28.07.11 N 1138-Ն)
|
| ||||||||||||||||||||||||||||||||||||||||||||||||||||||||||||||||||||||||||||||||||||||||||||||||||||||||||||||||||||||||||||||||||||||||||||
(աղյուսակը խմբ. 28.07.11 N 1138-Ն)
3) ԲՍ-ի 60 մ-ից ավելի երկարության դեպքում, բացի եզրերի ելքերից, պետք է նախատեսվեն լրացուցիչ ելքեր՝ այն հաշվով, որ հեռավորությունը սպասարկման միջանցքի ցանկացած կետից մինչև ելքը լինի 30 մ-ից ոչ ավելի.
4) ելքերը կարող են կատարվել դեպի դուրս, դեպի սանդղավանդակ կամ դեպի Դ և Ե կարգի արտադրական այլ սենքեր, ինչպես նաև ԲՍ-ի այլ հատվածամասեր, որոնք անջատված են տվյալ ԲՍ-ից հրակայունության II կարգի հակահրդեհային դռներով: Բազմահարկ ԲՍ-երում երկրորդ և լրացուցիչ ելքերը կարող են նախատեսվել նաև դեպի արտաքին՝ հրշեջ սանդուղքով պատշգամբ.
5) 1,5 մ-ից ավելի լայնությամբ փեղկեր ունեցող խցերի դարպասները պետք է ունենան դռնակ, եթե դրանք օգտագործվում են անձնակազմի դուրս գալու համար:
113. ԲՍ-ի սենքերի հատակները յուրաքանչյուր հարկի ամբողջ մակերեսով պետք է կատարել նույն նիշի վրա: Հատակների կառուցվածքը պետք է բացառի ցեմենտափոշու առաջացման հնարավորությունը: Առանձին սենքերի միջև և միջանցքներում՝ դռների մեջ, շեմերի կառուցում չի թույլատրվում (բացառությունները տե'ս 118-րդ և 121-րդ կետերում):
114. ԲՍ-ից դռները պետք է բացվեն դեպի այլ սենքերի ուղղությամբ կամ դեպի դուրս և ունենան ինքնափակվող կողպեքներ, որոնք ԲՍ-ի կողմից բացվում են առանց բանալու.
1) մեկ ԲՍ-ի հատվածամասերի միջև կամ 2 ԲՍ-երի հարակից սենքերի միջև դռները պետք է ունենան փակ վիճակում պահող և 2 ուղղություններով դրանց բացվելուն չխանգարող սարքվածք.
2) տարբեր լարումների ԲՍ-երի սենքերի (հատվածամասերի) միջև դռները պետք է բացվեն դեպի ամենացածր լարման ԲՍ-ի կողմը: Միևնույն լարման ԲՍ-երի սենքերի դռների կողպեքները պետք է բացվեն միևնույն բանալիով, ԲՍ-ի և այլ սենքերի մուտքային դռների բանալիները չպետք է համապատասխանեն խցերի կողպեքներին, ինչպես և էլեկտրասարքավորումների ցանկապատերի դռների կողպեքներին.
3) ինքնափակվող կողպեքների կիրառման պահանջը չի տարածվում 10 կՎ և ցածր լարման քաղաքային և գյուղական էլեկտրացանցերի ԲՍ-երի վրա:
115. Էլեկտրակայանների սեփական կարիքների ներքին տեղակայման լրակազմ բաշխիչ սարքերի և ԼՏԵ-ների ցանկապատող կառուցվածքները և միջնորմները պետք է կատարվեն չայրվող նյութերից: Թույլատրվում է սեփական կարիքների ներքին տեղակայման լրակազմ բաշխիչ սարքերի և ԼՏԵ-ների տեղադրումը ԵԿ-ների և էլեկտրակայանների տեխնոլոգիական սենքերում՝ 139-րդ կետի պահանջներին համապատասխան:
116. Թույլատրվում է տեղակայել 0,4 կՎ և բարձր լարման ԲՍ-ի 1 սենքում մինչև 2 յուղային տրանսֆորմատոր՝ յուրաքանչյուրը մինչև 0,63 ՄՎ.Ա հզորությամբ՝ տարանջատված միմյանցից և ԲՍ-ի սենքի այլ մասերից 45 րոպե հրակայունությամբ չայրվող նյութերից միջնորմով, տրանսֆորմատորից (այդ թվում՝ դրա բարձր լարման ներանցիչից) ոչ պակաս բարձրությամբ՝ ներառյալ ամենաբարձր լարման ներանցիչները:
117. Էլեկտրաշարժիչների, համաժամ փոխհատուցիչների և այլ (անջատիչներ, գործարկիչ ռեակտորներ, տրանսֆորմատորներ և այլն) գործարկիչ սարքվածքներին վերաբերող սարքերը կարող են տեղակայվել ընդհանուր խցում՝ առանց նրանց միջև միջնորմների:
118. Լարման չափիչ տրանսֆորմատորները, անկախ նրանցում յուղի քանակից, թույլատրվում է տեղակայել ԲՍ-ի ցանկապատված խցերում: Ընդ որում՝ խցում պետք է նախատեսվի լարման տրանսֆորմատորում պարունակվող յուղի ամբողջ ծավալը պահելու համար հաշվարկված շեմ կամ թեքամուտք:
119. Անջատիչների բջիջները պետք է առանձնացնել սպասարկման միջանցքից հոծ կամ ցանցային ցանկապատերով, իսկ մեկը մյուսից՝ չայրվող նյութերից հոծ միջնորմներով: Նույնատիպ միջնորմներով կամ վահանակներով այդ անջատիչները պետք է անջատված լինեն հաղորդակից: Մեկ բևեռում 60 կգ և ավելի յուղի զանգված ունեցող յուղային անջատիչի տակ պահանջվում է յուղընդունիչի սարքավորում՝ 1 բևեռի ամբողջ յուղի ծավալի համար:
120. Փակ տեսակի առանձին կառուցված, արտադրական սենքերին կցակառուցված կամ ներկառուցված ենթակայաններում տրանսֆորմատորների և 1 բաքում մինչև 600 կգ յուղի զանգվածով յուղալեցուն ապարատների խցերում յուղահավաք սարքվածքներ չեն նախատեսվում, եթե խուցը գտնվում է առաջին հարկում և դռները բացվում են դեպի դուրս: Մեկ բաքում 600 կգ-ից ավելի զանգվածով յուղի կամ չայրվող` էկոլոգիապես անվտանգ դիէլեկտրիկի դեպքում պետք է սարքավորվի յուղընդունիչ՝ հաշվարկված յուղի ամբողջ ծավալի համար, կամ 20 տոկոսը պահելու համար՝ յուղը հեռացնելով յուղհավաքիչ:
121. Խցերը նկուղների վրա, երկրորդ հարկում և բարձր կառուցելու դեպքում (տե'ս նաև 136-րդ կետը), ինչպես նաև խցերից դեպի միջանցք ելք սարքավորելու դեպքում, տրանսֆորմատորների և այլ յուղալեցուն ապարատների տակ պետք է պատրաստվեն յուղընդունիչներ՝ հետևյալ եղանակներից մեկով.
1) 1 բաքում (բևեռում) մինչև 60 կգ յուղի զանգվածի դեպքում` պատրաստվում է շեմ կամ թեքամուտք՝ յուղի ամբողջ ծավալը պահելու համար.
2) 60 մինչև 600 կգ յուղի զանգվածի դեպքում՝տրանսֆորմատորի (ապարատի) տակ իրականացվում է յուղի ամբողջ ծավալի համար հաշվարկված յուղընդունիչ կամ խցի ելքի մոտ շեմ կամ թեքամուտք՝ յուղի ամբողջ ծավալը պահելու համար.
3) 600 կգ-ից ավելի յուղի զանգվածի դեպքում`
ա. տրանսֆորմատորի կամ ապարատի յուղի՝ ոչ պակաս 20 տոկոսը տեղավորող յուղընդունիչի ձևով՝ դեպի յուղահավաքիչ յուղը հեռացնելով: Տրանսֆորմատորների տակ գտնվող յուղընդունիչներից գնացող յուղահեռացուցիչ խողովակները պետք է ունենան 100 մմ-ից ոչ պակաս տրամագիծ: Յուղընդունիչի կողմից յուղահեռացուցիչ խողովակները պետք է պաշտպանված լինեն ցանցերով: Յուղընդունիչի հատակը պետք է ունենա 2 տոկոս թեքություն դեպի գետնախորշ,
բ. յուղընդունիչ՝ առանց յուղի հեռացմամբ դեպի յուղահավաքիչ. այս դեպքում յուղընդունիչը պետք է ծածկվի վանդակով՝ վրան 0.25 մ հաստությամբ մաքուր լվացված գրանիտի (կամ այլ ոչ ծակոտկեն ապարի) կոպիճի կամ խճի՝ հատիկների 30 մինչև 70 մմ չափսերով շերտ, և այն պետք է հաշվարկված լինի յուղի ամբողջ ծավալի համար. յուղի մակարդակը պետք է 50 մմ-ով ցածր լինի վանդակից: Տրանսֆորմատորի տակ գտնվող յուղընդունիչում կոպիճի վերին մակարդակը պետք է լինի օդափոխման ուղու օդամուղ անցքից 75 մմ ներքև: Յուղընդունիչի մակերեսը պետք է մեծ լինի տրանսֆորմատորի կամ ապարատի հենատակի մակերեսից:
122. Տրանսֆորմատորների և ռեակտորների սենքերի օդափոխությունը պետք է ապահովի դրանցից անջատված ջերմության հեռացումն այնպիսի քանակներով, որ դրանց բեռնվածության (հաշվի առնելով գերբեռնվածության ունակությունը) և շրջակա միջավայրի առավելագույն հաշվարկային ջերմաստիճանի դեպքում տրանսֆորմատորների և ռեակտորների տաքանալը չգերազանցի դրանց առավելագույն թույլատրելի մեծությունը: Տրանսֆորմատորների և ռեակտորների սենքերի օդափոխությունը պետք է իրագործված լինի այնպես, որ սենքից դուրս եկող և ներս մտնող օդի ջերմաստիճանների տարբերությունը չգերազանցի 150C-ը՝ տրանսֆորմատորների համար, 300C-ը՝ մինչև 1000 Ա հոսանքով ռեակտորների, և 200C-ը՝ 1000 Ա-ից բարձր հոսանքով ռեակտորների համար: Բնական օդափոխությամբ ջերմափոխանակության ապահովման անհնարինության դեպքում անհրաժեշտ է նախատեսել արհեստական օդափոխություն. ընդ որում, պետք է նախատեսվի դրա աշխատանքի հսկողությունն ազդանշանային սարքերի միջոցով:
123. Ներհոս-արտահոս օդափոխում՝ օդի ընդունմամբ հատակի մակարդակից և սենքի վերին մասի մակարդակից, պետք է իրագործվի այն սենքերում, որտեղ տեղադրված են ներքին տեղակայման լրակազմ բաշխիչ սարքերի և էլեգազով բալոններ:
124. ԲՍ-ի սենքերը, որտեղ կան յուղով, էլեգազով կամ կոմպաունդով լցված սարքավորումներ, պետք է սարքավորվեն դրսից միացվող և այլ օդափոխիչ սարքվածքների հետ չկապված արտահոս օդափոխությամբ: Ձմեռային ցածր ջերմաստիճաններով վայրերում օդափոխության ներածող և արտածող անցքերը պետք է համալրված լինեն դրսից բացվող ջերմապահպանիչ կափույրներով:
125. Սենքերում, որտեղ հերթապահ անձնակազմը գտնվում է 6 ժ և ավելի, պետք է ապահովվի օդի +180C-ից ոչ ցածր և +280C-ից ոչ բարձր ջերմաստիճան: ՓԲՍ-ի նորոգման գոտում նորոգման աշխատանքների կատարման ժամանակ պետք է ապահովված լինի +50C և բարձր ջերմաստիճան: Էլեգազային սարքավորումներով տեղակայված սենքերում տաքացման համար չպետք է կիրառվեն ջեռուցիչ սարքեր, որոնց տաքացնող մակերևույթի ջերմաստիճանը բարձր է 2500C-ից (փակ տեսակի էլեկտրաջեռուցիչներ):
126. Շենքերի ու սենքերի արգելափակիչ կառուցվածքներում անցքերը հոսանահաղորդիչների և ուրիշ հաղորդակցուղիների անցկացումից հետո պետք է փակվեն նյութով, որն ապահովում է արգելափակիչ կառուցվածքի հրակայունությունից ոչ ցածր, բայց ոչ պակաս 45 րոպե հրակայունություն:
127. Արտաքին պատերի մյուս անցքերը՝ կենդանիների և թռչունների ներս թափանցումը կանխելու համար պետք է պաշտպանված լինեն (10 x10) մմ չափի բջիջներ ունեցող ցանցերով կամ վանդակներով:
128. Մալուխուղիների և կրկնահատակների ծածկերը պետք է իրականացվեն հանվող, չայրվող նյութից սալերով՝ շինության մաքուր հատակի մակարդակով: Ծածկի առանձին սալի զանգվածը պետք է լինի 50 կգ-ից ոչ ավելի:
129. Ապարատների և տրանսֆորմատորների խցերում տարանցիկ մալուխների և հաղորդալարերի անցկացում չի թույլատրվում: Բացառիկ դեպքերում թույլատրվում է դրանք կատարել խողովակների միջով: Լուսավորության, կառավարման ու չափման շղթաների էլեկտրալարերի տեղադրումը խցերի ներսում կամ չմեկուսացված հոսանատար մասերին մոտ կարող է թույլատրվել միայն այն չափով, որ չափով անհրաժեշտ է միացման համար (օրինակ՝ հոսանքի տրանսֆորմատորին):
130. ԲՍ-երի սենքերում ԲՍ-ին առնչվող (ոչ տարանցիկ) ջեռուցման խողովակաշարի տեղադրում թույլատրվում է՝ պայմանով, որ կիրառվեն ամբողջական եռակցված խողովակներ առանց փականների և այլն, իսկ եռակցված օդատարները՝ առանց սողնակների և այլ նմանատիպ սարքվածքների: Թույլատրվում է նաև խողովակաշարերի և օդատարների տարանցիկ տեղադրում՝ պայմանով, որ յուրաքանչյուր խողովակաշար (օդատար) ամփոփվի հոծ անջրանցիկ պատյանի մեջ:
131. Էլեգազով լցավորված ապարատներով ԲՍ-ի սխեմայի ընտրության ժամանակ պետք է կիրառել ավելի պարզ սխեմաներ, քան օդային մեկուսացմամբ ապարատներով ԲՍ-երում:
14. ՆԵՐԱՐՏԱԴՐԱՄԱՍԱՅԻՆ ԲԱՇԽԻՉ ՍԱՐՔԵՐ ԵՎ ՏՐԱՆՍՖՈՐՄԱՏՈՐԱՅԻՆ ԵՆԹԱԿԱՅԱՆՆԵՐ
132. 133-ից մինչև 139-րդ կետերում բերված պահանջները հաշվի են առնում արդյունաբերական կազմակերպությունների մինչև 35 կՎ լարման ԲՍ-երի և ԵԿ-ների առանձնահատկությունները, որոնք պետք է բավարարեն նաև սույն բաժնի մյուս պահանջներին այն չափով, որքանով դրանք փոփոխված չեն:
133. Յուղալեցուն սարքավորմամբ ներարտադրամասային ԲՍ-երը և ԵԿ-ները կարող են տեղաբաշխվել այն արտադրությունների հիմնական և օժանդակ սենքերի առաջին և երկրորդ հարկերում, որոնք, համաձայն հակահրդեհային պահանջների, պատկանում են I կամ II աստիճանի հրակայունության Գ կամ Դ կարգին ինչպես բաց, այնպես էլ առանձին սենքերում (տե'ս նաև 136-րդ և 137-րդ կետերը)`
1) առանց յուղալեցուն սարքավորման բաշխիչ սարքերը և ենթակայանները Գ կարգի արտադրություններով սենքերում կարող են տեղաբաշխվել ըստ հակահրդեհային պահանջների.
2) ԵԿ-ում կարող են տեղակայվել չոր, էկոլոգիապես մաքուր չայրվող դիէլեկտրիկով կամ յուղային տրանսֆորմատորներ.
3) հիմնավորված դեպքերում թույլատրվում է հրակայունության I և II աստիճանի արտադրական շենքերում նախատեսել չոր տրանսֆորմատորների, չայրվող դիէլեկտրիկով տրանսֆորմատորների, ինչպես նաև յուղի 6,5 տ-ից ոչ ավելի զանգվածով յուղային տրանսֆորմատորների գլորահանում սենքերի ներսում՝ պայմանով, որ տրանսֆորմատորների գլորահանումը և տեղափոխությունը մինչև արտադրամասի դարպասները չկատարվի պայթավտանգ կամ հրդեհավտանգ գոտիների միջով:
134. Յուղի կամ հեղուկ դիէլեկտրիկի 60կգ և ավելի զանգվածով յուրաքանչյուր տրանսֆորմատորի և ապարատի տակ պետք է սարքված լինի յուղաընդունիչ՝ 121-րդ կետի 3-րդ ենթակետի պահանջներին համապատասխան, ինչպես 600կգ-ից ավելի յուղի զանգվածով տրանսֆորմատորների և ապարատների համար:
135. Յուղային տրանսֆորմատորներով և ապարատներով ԵԿ-ի և փակ խցերի սենքերի, ինչպես նաև 1 բևեռում (բաքի մեջ) 60 կգ և ավելի զանգվածով յուղալեցուն յուղային անջատիչներով ԲՍ-ի ցանկապատող կոնստրուկցիաները, պետք է ունենան 0,75 ժ-ից ոչ պակաս հրակայունության սահման, իսկ իրենք՝ սենքերը և խցերը կարող են կցակառուցվել կամ ներկառուցվել I կամ II աստիճանի հրակայունության շենքի մեջ.
1) մեկ բևեռի (բաքի) մեջ 60 կգ-ից պակաս զանգվածով յուղային տրանսֆորմատորներով ԲՍ սենքերի շինարարական կոնստրուկցիաները պետք է ունենան 0,25 ժ-ից ոչ պակաս հրակայունության սահման: Այդպիսի սենքերը թույլատրվում է կցակառուցել կամ ներկառուցել հրակայունության I և II աստիճանի շենքերի մեջ: Հրակայունության III ա աստիճանի շենքերի մեջ այդպիսի սենքեր կցակառուցել կամ ներկառուցել թույլատրվում է, եթե այդ սենքերն ունեն անմիջական ելք դեպի դուրս և եթե այդ շենքի արտաքին պատերը 4 մ բարձրության վրա կամ մինչև շենքի ծածկը, պատրաստված են չայրվող նյութից կամ առանձնացված են չայրվող հովարով, որը պատի հարթությունից դուրս է ցցված ոչ պակաս, քան 1մ.
2) չոր կամ չայրվող դիէլեկտրիկով տրանսֆորմատորներով ԵԿ-ի սենքերի ցանկապատող կոնստրուկցիաները պետք է ունենան 0,25 ժ-ից ոչ պակաս հրակայունության սահման, իսկ իրենք` սենքերը, կցակառուցվեն կամ ներկառուցվեն III ա աստիճանից ոչ ցածր հրակայունության շենքի մեջ:
136. Ներարտադրամասային, կցակառուցված և ներկառուցված ԵԿ-ն, այդ թվում ԼՏԵ-ն, որոնք տեղակայված են առանձին շինության մեջ կամ բաց արտադրական շինության մեջ, պետք է բավարարեն հետևյալ պահանջներին.
1) յուղային տրանսֆորմատորներով ԵԿ-ները (այդ թվում` ԼՏԵ-ները) և յուղային տրանսֆորմատորներով փակ խցերը, թույլատրվում է տեղակայել արտադրությունների հիմնական և օժանդակ սենքերի միայն առաջին հարկում, որոնք պատկանում են Գ և Դ կարգերին, I և II աստիճանի հրակայունության շենքերում: Ընդ որում, 1 սենքում թույլատրվում է տեղակայել տրանսֆորմատորներ՝ յուղի 6,5 տ-ից ոչ ավելի գումարային զանգվածով, իսկ յուրաքանչյուր բաց տեղակայված ԼՏԵ-ում կարող են օգտագործվել յուղային տրանսֆորմատորներ՝ յուղի 3 տ-ից ոչ ավելի գումարային զանգվածով.
2) հեռավորությունները տարբեր ԵԿ-ի առանձին սենքերի կամ յուղային տրանսֆորմատորների փակ խցերի միջև չեն նորմավորվում.
3) ներարտադրամասային կամ ներկառուցված ԵԿ-ի շինության ցանկապատող կոնստրուկցիաները, որի մեջ տեղակայվում է յուղային տրանսֆորմատորներով ԼՏԵ, ինչպես նաև յուղային տրանսֆորմատորների փակ խցերինը, պետք է իրագործված լինեն չայրվող նյութերից և ունենան 0,75 ժ-ից ոչ պակաս հրակայունության սահման.
4) չոր կամ էկոլոգիապես մաքուր չայրվող դիէլեկտրիկով տրանսֆորմատորներով ԵԿ-ի համար, տրանսֆորմատորների միավոր կամ գումարային հզորությունը, նրանց քանակը, հեռավորությունները միմյանցից, հեռավորությունները ԵԿ-ի միջև, տեղակայման հարկը, չեն սահմանափակվում:
137. Առանձին սենքերում տեղաբաշխված ԵԿ-ի օդափոխությունը պետք է համապատասխանի 122-ից 124-րդ կետերի, ինչպես նաև հետևյալ պահանջներին.
1) բնականոն միջավայրով արտադրական սենքերում տեղաբաշխվող տրանսֆորմատորների խցերի և ԵԿ-ի (ԼՏԵ-ի) սենքերի օդափոխություն իրականացնելիս թույլատրվում է օդն անմիջապես վերցնել արտադրամասից.
2) փոշի կամ հաղորդիչ և քայքայիչ մասնիկներ պարունակող օդով սենքերում տեղակայվող տրանսֆորմատորների խցերի և ԵԿ-ի (ԼՏԵ-ի) սենքերի օդափոխության համար օդը պետք է վերցվի դրսից կամ մաքրվի զտիչներով: Օդափոխության համակարգը պետք է կանխի չմաքրված օդի ծծումն արտադրական սենքից.
3) չայրվող ծածկերով շենքերում օդի հեռացումն արտադրամասի ներսում կառուցված տրանսֆորմատորների խցերից և ԵԿ-ի (ԼՏԵ-ի) սենքերից, թույլատրվում է անմիջականորեն արտադրամասի մեջ.
4) դժվարավառ ծածկերով շենքերում օդի հեռացումը տրանսֆորմատորների խցերից և ԵԿ-ի (ԼՏԵ-ի) սենքերից, որոնք կառուցված են արտադրամասի ներսում, պետք է կատարվի օդաքաշ հորատանցքերով, որոնք դուրս են բերված շենքի տանիքածածկից վերև՝ 1 մ-ից ոչ պակաս:
138. Ներարտադրամասային, ներկառույց և կցակառույց ԵԿ-ի հատակները պետք է լինեն արտադրամասի հատակի մակարդակից ոչ ցածր:
139. Արտադրամասում բաց տեղակայված ԼՏԵ-ի և ներքին տեղակայման լրակազմ բաշխիչ սարքերը պետք է ունենան ցանցային ցանկապատող կոնստրուկցիաներ: Ցանկապատերի ներսում պետք է նախատեսված լինեն անցումներ՝ 109-րդ կետում նշվածներից ոչ պակաս: ԼՏԵ-ը ներքին տեղակայման լրակազմ բաշխիչ սարքերի հարկավոր է տեղաբաշխել արտադրամասային ամբարձիչ-փոխադրամիջոցային մեխանիզմների աշխատանքի «մեռյալ գոտու» սահմաններում: ԵԿ-ը և ԲՍ-ը ներարտադրամասային փոխադրամիջոցների երթանցների ուղիներին անմիջականորեն մոտ տեղավորելու դեպքում պետք է միջոցներ ձեռնարկվեն ԵԿ-ը և ԲՍ-ը պատահական վնասվածքներից պաշտպանելու համար (հետահար սարքվածքներ, լուսային ազդանշանում և այլն):
15. ԼՐԱԿԱԶՄ, ՍՅՈՒՆԱՅԻՆ, ԿԱՅՄԱՅԻՆ ՏՐԱՆՍՖՈՐՄԱՏՈՐԱՅԻՆ ԵՆԹԱԿԱՅԱՆՆԵՐ ԵՎ ՑԱՆՑԱՅԻՆ ՀԱՏՎԱԾԱՎՈՐՈՂ ԿԵՏԵՐ
140. Սույն գլխում բերված պահանջներն արտացոլում են արտաքին տեղակայման, 35 կՎ ամենաբարձր լարման և 1 կՎ ամենացածր լարման լրակազմ (ԼՏԵ), սյունային (ՍՏԵ), կայմային (ԿՏԵ) տրանսֆորմատորային ենթակայանների, ինչպես նաև մինչև 35 կՎ լարման ցանցային հատվածավորող կետերի (ՑՀԿ) առանձնահատկությունները: Սույն գլխում չարծարծվող մնացած բոլոր հարցերում հարկավոր է ղեկավարվել III բաժնի մյուս գլուխների պահանջներով:
141. Տրանսֆորմատորների միակցումն ամենաբարձր լարման ցանցին պետք է իրագործվի ապահովիչների և բաժանիչների (բեռնվածքի անջատիչի) կամ համակցված «ապահովիչ-բաժանիչ» ապարատի օգնությամբ՝ շղթայի տեսանելի խզմամբ: Փոխարկման ապարատի կառավարումը պետք է իրագործվի գետնի մակերևույթից: Փոխարկման ապարատի շարժաբերը պետք է փակվի կողպեքով: Փոխարկման ապարատը պետք է ունենա հողակցում՝ տրանսֆորմատորի կողմից:
142. ԿՏԵ-ի և ՍՏԵ-ի փոխարկման ապարատը պետք է տեղակայվի ՕԳ-ի ծայրային (կամ ճյուղավորման) հենասյան վրա: ԼՏԵ-ի և ՑՀԿ-ի փոխարկման ապարատը կարող է տեղակայվել ինչպես ՕԳ-ի ծայրային (ճյուղավորման) հենասյան վրա, այնպես էլ ԼՏԵ-ի և ՑՀԿ-ի ներսում:
143. Ենթակայաններում և առանց ցանկապատի ՑՀԿ-ում հեռավորությունն ըստ ուղղաձիգի՝ գետնի մակերևույթից մինչև չմեկուսացված հոսանատար մասերը, արտանցիչների տակով, տրանսպորտի շարժման բացակայության դեպքում պետք է լինի 3,5 մ-ից ոչ պակաս՝ մինչև 1 կՎ լարումների համար, իսկ 10(6) և 35 կՎ լարումների համար՝ N 7 աղյուսակի Ե չափսից ոչ պակաս.
1) առնվազն 1,8 մ բարձրությամբ ցանկապատով ենթակայաններում և ՑՀԿ-ում նշված հեռավորությունները մինչև 10(6) և 35 կՎ լարման հոսանատար մասերը կարող են փոքրացվել մինչև N 7 աղյուսակում նշված Գ չափսը: Ընդ որում, ցանկապատի հարթության մեջ հեռավորությունը ձողավորումից մինչև արտաքին պարսպի եզրը պետք է լինի N 7 աղյուսակում բերված Դ չափսից ոչ պակաս,
2) օդային ներանցումների դեպքում, որոնք հատում են երթանցերը կամ այն տեղերը, որտեղ հնարավոր է տրանսպորտի շարժումը, հեռավորությունն ամենաստորին հաղորդալարից մինչև գետին հարկավոր է ընդունել ՀՀ կառավարության 2007 թվականի հուլիսի 12-ի «Էլեկտրական էներգիայի հաղորդաբաշխման վերաբերյալ տեխնիկական կանոնակարգը հաստատելու մասին» N 961-Ն որոշմամբ հաստատված ՏԿ-ի պահանջներին համապատասխան:
144. 3 մ-ից ոչ պակաս բարձրության վրա ԿՏԵ-ի սպասարկման համար պետք է սարքված լինի ճաղաշարով հարթակ: Հարթակ բարձրանալու համար պետք է օգտագործել սանդուղքներ սարքվածքով, որն արգելում է նրա վրա բարձրանալը՝ փոխարկման ապարատի միացված վիճակում: ՍՏԵ-ի համար հարթակներ և սանդուղքներ սարքելը պարտադիր չէ:
145. ԿՏԵ-ի մասերը, որոնք փոխարկման ապարատի անջատված վիճակում մնում են լարման տակ, պետք է գտնվեն հարթակի մակարդակից հասանելիության գոտուց դուրս: Ապարատի անջատված դիրքը պետք է տեսանելի լինի հարթակից:
146. Տրանսֆորմատորի ցածր լարման կողմում պետք է տեղակայել տեսանելի խզում ապահովող ապարատ:
147. Էլեկտրահաղորդագիծը ԿՏԵ-ում և ՍՏԵ-ում տրանսֆորմատորի և ցածրավոլտ վահանի միջև, ինչպես նաև վահանի և ամենացածր լարման ՕԳ-ի միջև պետք է պաշտպանված լինի մեխանիկական վնասվածքներից և իրագործվի ՀՀ կառավարության 2007 թվականի հուլիսի 12-ի «Էլեկտրական էներգիայի հաղորդաբաշխման վերաբերյալ տեխնիկական կանոնակարգը հաստատելու մասին» N 961-Ն որոշմամբ հաստատված ՏԿ-ում բերված պահանջներին համապատասխան:
148. 0,25 ՄՎ.Ա և պակաս հզորության ենթակայանների համար թույլատրվում է ցածրավոլտ վահանի լուսավորում չնախատեսել: 0,25 ՄՎ.Ա-ից մեծ հզորության ենթակայաններում լուսավորությանը և փոխադրովի սարքերի, գործիքների միացման համար վարդակները պետք է ունենան 25 Վ-ից ոչ բարձր լարմամբ սնում:
149. Ըստ հրդեհային անվտանգության պայմանի՝ ենթակայանները պետք է տեղաբաշխվեն հրակայունության I, II, III աստիճանի շենքերից 3 մ-ից ոչ պակաս, հրակայունության IV և V աստիճանի շենքերից՝ 5 մ-ից ոչ պակաս հեռավորության վրա: Անհրաժեշտ է ղեկավարվել նաև 85-րդ և 86-րդ կետերում բերված պահանջներով: Հեռավորությունը բնակելի շենքերից մինչև տրանսֆորմատորային ենթակայաններ հարկավոր է ընդունել 10 մ-ից ոչ պակաս՝ ձայնային ճնշման (աղմուկի) թույլատրելի բնականոն մակարդակներն ապահովելու պայմանի դեպքում:
150. Տրանսպորտի հնարավոր երթերի վայրերում ենթակայանները պետք է պաշտպանված լինեն հետահար անվաարգելներով:
16. ՊԱՇՏՊԱՆՈՒԹՅՈՒՆ ԱՄՊՐՈՊԱՅԻՆ ԳԵՐԼԱՐՈՒՄՆԵՐԻՑ
151. Ամպրոպային գերլարումներից ԲՍ-ի և ԵԿ-ի պաշտպանությունն իրականացվում է.
1) կայծակի ուղիղ հարվածից՝ ձողային և մետաղաճոպանային շանթարգելներով.
2) հեռացող գծերից եկող դիմակա ալիքներից՝ կայծակի ուղիղ հարվածից շանթարգելներով, այդ գծերի որոշակի երկարության վրա պաշտպանական ապարատներով, որոնք տեղակայվում են ԲՍ և առբերումներում, որոնցից են փականային պարպիչները (ՓՊ), գերլարումների սահմանափակիչները (ԳԼՍ), խողովակավոր պարպիչները (ԽՊ) և պաշտպանական կայծային միջակայքերը (ԿՄԿ): Գերլարումների սահմանափակիչները, որոնց մնացորդային լարումն անվանական պարպման հոսանքի դեպքում ցածր է ՓՊ-ի մնացորդային կամ ԽՊ-ի ԿՄԿ-ի միջին պարպման լարումից 10 տոկոսից ոչ ավելի, հետագայում կոչվում են համապատասխանող:
152. Բաց ԲՍ-ը և 20-ից մինչև 750 կՎ լարման ենթակայանները պետք է պաշտպանված լինեն կայծակի ուղիղ հարվածներից: Կայծակի ուղիղ հարվածներից պաշտպանության իրագործում չի պահանջվում. 20 և 35 կՎ լարման ենթակայանների համար՝ 1,6 ՄՎ.Ա և պակաս միավոր հզորության տրանսֆորմատորներով, անկախ այդպիսի տրանսֆորմատորների քանակից և տարվա ընթացքում ամպրոպային ժամերի թվից, 20 և 35 կՎ լարման ԵԿ-ի բոլոր ԲԲՍ-ի համար՝ տարվա ընթացքում 20-ից ոչ ավելի ամպրոպային ժամերով շրջաններում, ինչպես նաև 220 կՎ և ցածր լարման ԵԿ-ի ու ԲԲՍ-ի համար՝ ամպրոպային ժամանակաշրջանում հրապարակների հողի՝ 2000 Օմ.մ-ից ավելի համարժեք տեսակարար դիմադրությամբ, տարվա ընթացքում 20-ից ոչ ավելի ամպրոպային ժամերի դեպքում`
1) փակ ԲՍ-ի և ԵԿ-ի շենքերը հարկավոր է պաշտպանել կայծակի ուղիղ հարվածներից՝ տարվա ընթացքում 20-ից ավելի ամպրոպային ժամերով շրջաններում.
2) փակ ԲՍ-ի և ԵԿ-ի շենքերի պաշտպանությունը, որոնք ունեն տանիքի մետաղական ծածկ, հարկավոր է իրագործել այդ ծածկերի հողակցումով.
3) երկաթբետոնե տանիքածածկի և նրա առանձին տարրերի անընդհատ էլեկտրական կապի առկայության դեպքում, պաշտպանությունն իրագործվում է նրա ամրանի հողակցումով.
4) փակ ԲՍ և ԵԿ-ի շենքերի պաշտպանությունը, որոնց տանիքը չունի մետաղե կամ երկաթբետոնե ծածկ՝ նրա առանձին տարրերի անընդհատ էլեկտրական կապով, հարկավոր է կատարել ձողային շանթարգելներով, կամ կայծակընդունիչ ցանցն անմիջականորեն տանիքի վրա տեղադրելով.
5) պաշտպանվող շենքի վրա ձողային շանթարգելներ տեղակայելիս, յուրաքանչյուր շանթարգելից պետք է անցկացված լինի առնվազն 2 հոսանատար՝ շենքի հակադիր կողմերով.
6) կայծակընդունիչ ցանցը պետք է պատրաստված լինի 6-ից մինչև 8 մմ տրամագծով պողպատե լարից և տեղավորվի անմիջականորեն տանիքածածկի վրա կամ չայրվող ջերմապահպանիչի կամ ջրամեկուսացման շերտի տակ: Ցանցը պետք է ունենա 150 մմ2 -ուց ոչ ավելի մակերեսով բջիջներ (օրինակ՝ (12x12) մմ-անոց բջիջներով): Ցանցի հանգույցները պետք է միացված լինեն եռակցմամբ: Կայծակընդունիչ ցանցը հողակցող սարքվածքին միացնող հոսանատարները պետք է անցկացված լինեն շենքի պարագծով՝ յուրաքանչյուրը 25 մ-ից ոչ ավելի հեռավորությամբ.
7) որպես հոսանատարներ հարկավոր է օգտագործել շենքի մետաղե և երկաթբետոնե (չլարված ամրանի թեկուզ մի մասի առկայության դեպքում) կոնստրուկցիաները: Ընդ որում, պետք է ապահովված լինի անմիջական էլեկտրական կապ կայծակընդունիչից մինչև հողակցիչ: Շենքի մետաղե տարրերը (խողովակներ, օդափոխիչ սարքվածքներ և ուրիշ) հարկավոր է միացնել մետաղե տանիքածածկի կամ կայծակընդունիչ ցանցի հետ.
8) հենասյան վրա հետադարձ պարպումների թիվը հաշվարկելիս, հարկավոր է հաշվի առնել հենասյան ինդուկտիվության մեծացումը՝ հենասյունից մինչև հողակցում ըստ հոսանատարի հեռավորության և հողակցումից մինչև հենասյան գագաթ հեռավորության հարաբերությանը համեմատական.
9) փակ ԲՍ-երում և ԵԿ-ներում միջանցիկ մեկուսիչներով ներանցման դեպքում, որոնք դասավորված են հոսանահաղորդիչներից և նրանց հետ կապված այլ մասերից 10 մ-ից պակաս հեռավորության վրա, նշված ներանցումները պետք է պաշտպանված լինեն ԿՊ-ով կամ համապատասխան ԳԼՍ-ներով: Ուժային տրանսֆորմատորներից 15 մ-ից պակաս հեռավորության վրա ԵԿ-ը հողակցման մայրուղուն միակցելու դեպքում, անհրաժեշտ է 157-րդ կետի պայմանների իրագործումը.
10) ենթակայանի տարածքում տեղաբաշխված էլեկտրոլիզային շենքերի, ջրածնով բալոնների պահպանման և ջրածնի ճնշանոթներով տեղակայանքների սենքերի համար, կայծակընդունիչ ցանցը պետք է ունենա 36 մմ2-ից (օրինակ՝ 6x6 մմ-ից) ոչ ավելի մակերեսով բջիջներ.
11) շենքերի և սենքերի, այդ թվում՝ պայթավտանգ և հրդեհավտանգ, ինչպես նաև էլեկտրակայանների տարածքում տեղաբաշխված խողովակների պաշտպանությունը իրագործվում է սահմանված կարգով հաստատված տեխնիկական փաստաթղթերին համապատասխան:
(152-րդ կետը փոփ. 28.07.11 N 1138-Ն)
153. 35 կՎ և բարձր լարման ԲԲՍ-ի պաշտպանությունը կայծակի ուղիղ հարվածներից պետք է իրագործված լինի առանձին կանգնած կամ կոնստրուկցիաների վրա տեղակայված ձողային շանթարգելներով: Խորհուրդ է տրվում օգտագործել բարձր օբյեկտների պաշտպանական ազդեցությունը, որոնք հանդիսանում են կայծակընդունիչներ (ՕԳ-ի հենասյուները, լուսարձակային կայմերը, ռադիոկայմերը և այլն).
1) 110 կՎ և բարձր լարման ԲԲՍ-ի կոնստրուկցիաների վրա ձողային շանթարգելները կարող են տեղակայվել ամպրոպային ժամանակաշրջանում հողի համարժեք տեսակարար դիմադրության դեպքում. մինչև 1000 Օմ.մ՝ անկախ ԵԿ-ի հողակցող սարքվածքի մակերեսից, 1000-ից մինչև 2000 Օմ.մ՝ ԵԿ-ի հողակցող սարքվածքի 10000 մ2 և ավելի մակերեսի դեպքում.
2) 35 կՎ լարման ԲԲՍ-ի կոնստրուկցիաների վրա շանթարգելների տեղակայումը թույլատրվում է ամպրոպային ժամանակաշրջանում հողի համարժեք տեսակարար դիմադրության դեպքում. մինչև 500 Օմ.մ՝ անկախ ԵԿ-ի հողակցող հաղորդաշղթայի մակերեսից, 500 Օմ.մ-ից ավելի՝ ԵԿ-ի հողակցող հաղորդաշղթայի 10000 մ2 և ավելի մակերեսի դեպքում.
3) 35 կՎ և բարձր լարման, շանթարգելներով ԲԲՍ-ի կոնստրուկցիաների կանգնակներից պետք է ապահովված լինի կայծակի հոսանքի տարհոսումը հողակցման մայրուղիներով՝ առնվազն 2 ուղղությամբ, հարևան ուղղությունների միջև 900-ից ոչ պակաս անկյունով: Բացի դրանից, պետք է տեղակայված լինի առնվազն 1 ուղղաձիգ, 3-ից մինչև 5 մ երկարությամբ էլեկտրոդ յուրաքանչյուր ուղղության վրա՝ շանթարգելով կանգնակը հողակցման մայրուղուն միացնելու տեղից էլեկտրոդի երկարությունից ոչ պակաս հեռավորության վրա.
4) եթե ձողային շանթարգելների պաշտպանության գոտիները չեն ծածկում ԲԲՍ-ի ամբողջ տարածքը, լրացուցիչ օգտագործվում են մետաղաճոպանային շանթարգելներ՝ դասավորված ձողավորման վերևում:
154. Կախովի մեկուսացման շարանները 20 և 35 կՎ լարման մետաղաճոպանային ձողային շանթարգելներով ԲԲՍ-ի ճակատամուտքերի վրա, ինչպես նաև ՕԳ-ի ծայրային հենասյուների վրա, պետք է ունենան մեկուսիչների հետևյալ թիվը`
1) շանթարգելներով ԲԲՍ-ի ճակատամուտքերի վրա.
ա. 6 մեկուսիչից ոչ պակաս, երբ փականային պարպիչները կամ ըստ մնացորդային լարումների նրանց համապատասխան ԳԼՍ-ը նրան միակցելու տեղից հեռու է 15 մ-ից ոչ ավելի՝ հողակցող սարքվածքի մայրուղիներով,
բ. 7 մեկուսիչից ոչ պակաս՝ մնացած դեպքերում,
2) ծայրային հենասյուների վրա.
ա. 7 մեկուսիչից ոչ պակաս՝ մետաղաճոպանը ԵԿ-ի ճակատամուտքերին միացնելիս,
բ. 8 մեկուսիչից ոչ պակաս, եթե մետաղաճոպանը չի մտնում ԵԿ-ի կոնստրուկցիայի մեջ և ծայրային հենասյան վրա ձողային շանթարգելի տեղակայման դեպքում:
155. Մեկուսիչների թիվը 20 և 35 կՎ լարման ԲԲՍ-ի ծայրային հենասյուների վրա պետք է մեծացվի, եթե դա պահանջվում է ՀՀ կառավարության 2006 թվականի դեկտեմբերի 21-ի «Էլեկտրատեղակայանքների սարքվածքին ներկայացվող ընդհանուր պահանջներ տեխնիկական կանոնակարգը հաստատելու մասին» N 1943-Ն որոշմամբ հաստատված ՏԿ-ի պայմաններով:
156. Շանթարգելները 110 կՎ և բարձր լարման ՕԳ-երի ծայրային հենասյուների վրա տեղակայելու դեպքում մեկուսիչների շարանների իրագործմանը հատուկ պահանջներ չեն ներկայացվում: 3-ից մինչև 20 կՎ լարման ՕԳ-երի ծայրային հենասյուների վրա շանթարգելների տեղակայում չի թույլատրվում`
1) հեռավորությունն օդով ԲԲՍ-ի կոնստրուկցիաներից, որոնց վրա տեղակայված են շանթարգելներ, մինչև հոսանատար մասերը պետք է լինի շարանի երկարությունից ոչ պակաս.
2) ձողային կամ մետաղաճոպանային շանթարգելներով կոնստրուկցիայի՝ ԵԿ-ի հողակցող սարքվածքին միակցելու տեղը պետք է գտնվի հողակցման մայրուղիներով 15 մ-ից ոչ պակաս հեռավորության վրա, նրանց՝ տրանսֆորմատորների (ռեակտորների) և 6 (10) կՎ լարման ներքին տեղակայման լրակազմ բաշխիչ սարքերի կոնստրուկցիաների միացման կետից.
3) շանթարգելի հողակցման կետի և տրանսֆորմատորի չեզոքի կամ բաքի հողակցման կետի միջև հեռավորությունը՝ հողի միջով, պետք է լինի 3 մ-ից ոչ պակաս:
157. Տրանսֆորմատորային ճակատամուտքերի, շունտող ռեակտորների ճակատամուտքերի և ԲԲՍ-ի կոնստրուկցիաների վրա, որոնք հողակցման մայրուղիներով տրանսֆորմատորներից կամ ռեակտորներից հեռացված են 15 մ-ից պակաս, շանթարգելները կարող են տեղակայվել ամպրոպային ժամանակաշրջանում հողի 350 Օմ.մ-ից ոչ ավելի տեսակարար դիմադրության և հետևյալ պայմանները պահպանելու դեպքում`
1) անմիջականորեն տրանսֆորմատորների 3-ից մինչև 35 կՎ լարման փաթույթների բոլոր արտանցիչների վրա կամ ըստ ձողավորման նրանցից 5 մ-ից ոչ ավելի հեռավորության վրա, ներառյալ դեպի պաշտպանական ապարատներ ճյուղավորումները, պետք է տեղակայված լինեն 3-ից մինչև 35 կՎ լարման համապատասխան ԳԼՍ կամ ՓՊ.
2) պետք է ապահովված լինի կայծակի հոսանքի արտահոսում շանթարգելով կոնստրուկցիայի կանգնակից երեք-չորս ուղղություններով՝ նրանց միջև 900-ից ոչ պակաս անկյունով.
3) յուրաքանչյուր ուղղության վրա, շանթարգելով կանգնակից 3-ից մինչև 5 մ հեռավորության վրա, պետք է տեղակայված լինի 5 մ երկարությամբ մեկական ուղղաձիգ էլեկտրոդ.
4) 20 և 35 կՎ լարման ամենաբարձր լարումով ԵԿ-ում, շանթարգելը տրանսֆորմատորային ճակատամուտքի վրա տեղակայելիս` հողակցող սարքվածքի դիմադրությունը չպետք է գերազանցի 4 Օմ-ը` առանց հաշվի առնելու ԲԲՍ-ի հողակցման հաղորդաշղթայից դուրս տեղաբաշխված հողակցիչները.
5) ՓՊ կամ ԳԼՍ և ուժային տրանսֆորմատորների հողակցող հաղորդիչները խորհուրդ է տրվում ԵԿ-ի հողակցող սարքվածքին միակցել մեկը մյուսի մոտակայքում կամ նրանց իրագործել այնպես, որ ՓՊ-ի կամ ԳԼՍ-ի հողակցող սարքվածքին միակցելու տեղը գտնվի շանթարգելով ճակատամուտքի և տրանսֆորմատորի հողակցող հաղորդիչների միակցման միջև: Հոսանքի չափիչ տրանսֆորմատորների հողակցող հաղորդիչները հարկավոր է միակցել ԲՍ-ի հողակցող սարքվածքին՝ ՓՊ կամ ԳԼՍ-ը հողակցման տեղից առավել հեռու տեղերում:
158. Կայծակի ուղիղ հարվածներից ԲԲՍ-ի պաշտպանությունը, որոնց կոնստրուկցիաների վրա շանթարգելների տեղակայում չի թույլատրվում կամ նպատակահարմար չէ ըստ կոնստրուկտիվ նկատառումների, հարկավոր է իրագործել առանձին կանգնած շանթարգելներով, որոնք ունեն 80 Օմ-ից ոչ ավելի դիմադրությամբ մեկուսի հողակցիչներ՝ 60 կԱ իմպուլսային հոսանքի դեպքում`
1) հեռավորությունը, Sհ, մ, շանթարգելի մեկուսի հողակցիչի և ԲԲՍ-ի (ԵԿ-ի) հողակցող սարքվածքի միջև պետք է հավասար լինի (բայց ոչ պակաս 3 մ-ից)`
Sh > 0,2 Rի,
որտեղ Rի-ն առանձին կանգնած շանթարգելի հողակցման իմպուլսային դիմադրությունն է՝ Օմ,
2) հեռավորությունն օդով, Sօ,մ, մ, առանձին կանգնած մեկուսի շանթարգելից մինչև ԲԲՍ-ի (ԵԿ-ի) հոսանատար մասերը, հողակցված կոնստրուկցիաները և սարքավորումը, պետք է լինի հավասար (բայց ոչ պակաս 5 մ-ից)՝
Sօ.մ. > 0,12 Rի +0,1H ,
որտեղ H-ը հոսանատար մասի կամ սարքավորման վրա դիտարկվող կետի բարձրությունն է հողի մակարդակից, մ.
3) ԲԲՍ-ում առանձին կանգնած շանթարգելների հողակցիչները կարող են միացվել ԲԲՍ-ի (ԵԿ-ի) հողակցող սարքվածքին՝ ԲԲՍ-ի կոնստրուկցիաների վրա շանթարգելների տեղակայման 155-րդ կետում նշված պայմանների պահպանման դեպքում: Տարանջատ կանգնած շանթարգելի հողակցիչի՝ ԵԿ-ի հողակցող սարքվածքին միակցելու տեղը, պետք է հողակցման մայրուղով հեռացված լինի նրան տրանսֆորմատորի (ռեակտորի) միակցման տեղից 15 մ-ից ոչ պակաս: Առանձին կանգնած շանթարգելի հողակցիչը 35-ից մինչև 150 կՎ լարման ԲԲՍ-ի հողակցման սարքվածքին միակցելու տեղում հողակցման մայրուղիները պետք է իրագործված լինեն երկու-երեք ուղղություններով՝ նրանց միջև 900-ից ոչ պակաս անկյունով.
4) լուսարձակային կայմերի վրա տեղակայված շանթարգելների հողակցիչները պետք է միակցված լինեն ԵԿ-ի հողակցող սարքվածքին: 153-րդ կետում նշված պայմանները չպահպանելու դեպքում, առանձին կանգնած շանթարգելների հողակցիչների միակցման ընդհանուր պահանջներից բացի, լրացուցիչ պետք է պահպանված լինեն հետևյալ պահանջները`
ա. շանթարգելից 5 մ շառավիղով հարկավոր է տեղակայել 3-ից մինչև 5 մ երկարությամբ 3 ուղղաձիգ էլեկտրոդ,
բ. եթե հեռավորությունը հողակցման մայրուղով, շանթարգելի հողակցիչի միակցման տեղից մինչև տրանսֆորմատորի (ռեակտորի)՝ նրան միակցելու տեղը, գերազանցում է 15 մ-ը, բայց փոքր է 40 մ-ից, ապա տրանսֆորմատորի մինչև 35 կՎ լարման փաթույթի արտանցիչների վրա պետք է տեղակայված լինեն ՓՊ կամ ԳԼՍ,
5) հեռավորությունն օդով Sօդ , մ, առանձին կանգնած շանթարգելից, որի հողակցիչը միացված է ԲԲՍ-ի (ԵԿ-ի) հողակցող սարքվածքին, մինչև հոսանատար մասերը պետք է կազմի
Sօդ > 0,1 H + m,
որտեղ H-ը հոսանատար մասերի բարձրությունն է գետնի մակարդակից, մ, m-ը՝ մեկուսիչների շարանի երկարությունը, մ:
159. 110 կՎ և բարձր լարման ՕԳ-ի մետաղաճոպանային շանթարգելները հարկավոր է միացնել ԲԲՍ-ի (ԵԿ-ի) հողակցված կոնստրուկցիաներին`
1) 110 և 220 կՎ լարման ԲԲՍ-ի կոնստրուկցիաների կանգնակներից, որոնց միակցված են մետաղաճոպանային շանթարգելները, պետք է լինեն հողակցման մայրուղիներ՝ առնվազն երեք-չորս ուղղություններով, նրանց միջև 900-ից ոչ պակաս անկյունով.
2) մետաղաճոպանային շանթարգելները, որոնք պաշտպանում են 35 կՎ լարման ՕԳ-ի առբերումները, թույլատրվում է միակցել ԲԲՍ-ի հողակցված կոնստրուկցիաներին. ամպրոպային ժամանակաշրջանում հողի մինչև 750 Օմ.մ համարժեք տեսակարար դիմադրության դեպքում՝ անկախ ԵԿ-ի հողակցող հաղորդաշղթայի մակերեսից և 750 Օմ.մ-ից ավելի դեպքում, եթե ԵԿ-ի հողակցող հաղորդաշղթայի մակերեսը 10000 մ2 և ավելի է.
3) 35 կՎ լարման ԲԲՍ-ի կոնստրուկցիաների կանգնակներից, որոնց միացված են մետաղաճոպանային շանթարգելները, հողակցման մայրուղիները պետք է իրագործված լինեն առնվազն երկու-երեք ուղղություններով, նրանց միջև 900-ից ոչ պակաս անկյունով: Բացի դրանից, յուրաքանչյուր ուղղության վրա պետք է տեղակայված լինի մեկական ուղղաձիգ էլեկտրոդ 3-5 մ երկարությամբ՝ 5 մ-ից ոչ պակաս հեռավորության վրա.
4) ԲԲՍ-ին ամենամոտ 35 կՎ լարման ՕԳ-ի հենասյուների հողակցիչների դիմադրությունը չպետք է գերազանցի 10 Օմ-ը.
5) մետաղաճոպանային շանթարգելները 35 կՎ լարման ՕԳ-ի այն ԲԲՍ-երի մատույցներում, որոնց չի թույլատրվում նրանց միակցումը, պետք է ավարտվեն ԲԲՍ-ին ամենամոտ հենասյան վրա: Այդ ՕԳ-ի ԲԲՍ-ից առաջին՝ առանց մետաղաճոպանային հենամեջը պետք է պաշտպանված լինի ձողային շանթարգելներով, որոնք տեղակայվում են ԵԿ-ում, ՕԳ-ի հենասյուների վրա կամ ՕԳ-ի մոտ.
6) մեկուսիչների շարանները 35 կՎ լարման ԲԲՍ-ի ճակատամուտքերի և 35 կՎ լարման ՕԳ-ի ծայրային հենասյուների վրա հարկավոր է ընտրել 153-րդ կետին համապատասխան:
160. ԲԲՍ-ին և ԵԿ-ին ՕԳ-ի առբերումների սարքվածքը և պաշտպանությունը պետք է բավարարեն 159-րդ, 163-ից 167-րդ, 173-ից 177-րդ կետերում բերված պահանջներին:
161. Չի թույլատրվում շանթարգելների տեղակայում. տրանսֆորմատորների կոնստրուկցիաների վրա, որոնց բաց հոսանատարներով միակցված են պտտվող մեքենաներ, բաց հոսանատարների հենասյուների կոնստրուկցիաների վրա, եթե նրանց միակցված են պտտվող մեքենաներ`
1) տրանսֆորմատորների ճակատամուտքերը և բաց հոսանատարների հենասյուները, որոնք կապված են պտտվող մեքենաների հետ, պետք է մտնեն առանձին կանգնած կամ այլ կոնստրուկցիաների վրա տեղակայված շանթարգելների պաշտպանության գոտու մեջ.
2) նշված պահանջները վերաբերվում են նաև բաց հոսանատարներն այն ԲՍ-ի հաղորդաձողերին միացնելու դեպքերին, որոնց միակցված են պտտվող մեքենաներ:
162. Լուսարձակային կայմերը որպես շանթարգելներ օգտագործելու դեպքում, էլեկտրահաղորդագիծը մալուխային կառույցից մինչև կայմ և նրանից հետո, հարկավոր է իրագործել մետաղե պատյանով մալուխներով կամ առանց մետաղապատյանի մալուխներով՝ խողովակների մեջ: Շանթարգելներով կոնստրուկցիայի մոտակայքում այդ մալուխները պետք է անցկացվեն անմիջականորեն հողի մեջ՝ 10 մ-ից ոչ պակաս երկարության վրա: Մալուխային կառույցի մեջ մալուխի ներանցման տեղում մալուխների մետաղե պատյանը, զրահը և մետաղե խողովակը պետք է միացված լինեն ԵԿ-ի հողակցման սարքվածքի հետ:
163. 35 կՎ և բարձր լարման ՕԳ-ի պաշտպանությունը կայծակի ուղիղ հարվածից ԲՍ-ի (ԵԿ-ի) մատույցներում պետք է իրագործված լինի մետաղաճոպանային շանթարգելներով՝ N 8 աղյուսակին համապատասխան`
1) առբերման յուրաքանչյուր հենասյան վրա, բացի 140-րդ կետում նախատեսված դեպքերից, մետաղաճոպանը պետք է միակցված լինի հենասյան հողակցիչին.
2) թույլատրվում է հենասյուների հողակցման սարքվածքների դիմադրության մեծացում N 8 աղյուսակի համեմատ ԵԿ-ի 35 կՎ լարման և բարձր առբերումների վրա՝ 1,5 անգամ՝ տարվա ընթացքում 20-ից ոչ պակաս ամպրոպային ժամերի դեպքում և 3 անգամ՝ 10 ժամից պակաս լինելու դեպքում`
ա. երկշղթա հենասյուներով 35-ից մինչև 750 կՎ լարման ՕԳ-ի առբերումների վրա հողակցիչ սարքվածքները խորհուրդ է տրվում իրագործել N 8 աղյուսակում նշվածից 2 անգամ փոքր դիմադրությամբ,
բ. երկաթբետոնե հենասյուների վրա թույլատրվում է մինչև 300 պաշտպանության անկյուն,
գ. հաղորդալարերի հորիզոնական դասավորությամբ հենասյուների համար, որոնք տեղակայված են 1000 Օմ.մ-ից ավելի համարժեք տեսակարար դիմադրությամբ հողի մեջ, թույլատրվում է հողակցիչ սարքվածքի 30 Օմ դիմադրությունը,
3) եթե պահանջվող դիմադրություններով հողակցիչների իրագործումը հնարավոր չէ, պետք է կիրառվեն հորիզոնական հողակցիչներ` անցկացված ՕԳ-ի առանցքի երկայնքով՝ հենասյունից հենասյուն, (հողակցիչ-հակակշիռներ) և միացվեն հենասյուների հողակցիչներին.
4) սառցակեղևային հատուկ շրջաններում և հողի 1000 Օմ.մ-ից ավելի համարժեք տեսակարար դիմադրության շրջաններում թույլատրվում է ԲՍ-ին (ԵԿ-ին) ՕԳ-ի առբերումների պաշտպանությունն իրագործել առանձին կանգնած ձողային շանթարգելներով, որոնց հողակցիչների դիմադրությունը չի նորմավորվում:
(163-րդ կետը խմբ. 28.07.11 N 1138-Ն)
164. Այն շրջաններում, որոնք տարվա ընթացքում ունեն 60-ից ոչ ավելի ամպրոպային ժամեր, թույլատրվում է 35 կՎ լարման ՕԳ-ի 35 կՎ լարման ԵԿ-ին մետաղաճոպանով առբերման պաշտպանություն չկատարել, եթե ԵԿ-ում տեղակայված է 2 տրանսֆորմատորներ` յուրաքանչյուրը մինչև 1,6 ՄՎ.Ա հզորությամբ կամ մինչև 1,6 ՄՎ.Ա հզորության և պահուստային սնուցման առկայությամբ 1 տրանսֆորմատոր`
1) ընդ որում, ՕԳ-ի՝ ԵԿ-ին առբերման հենասյուները 0,5 կմ-ից ոչ պակաս երկարության վրա պետք է ունենան հողակցիչներ՝ N 8 աղյուսակում նշված դիմադրությամբ: Փայտե հենասյուներով ՕԳ-ի դեպքում, բացի դրանից, պահանջվում է 0,5 կմ երկարությամբ առբերման վրա մեկուսիչների ամրակապերը միակցել հենասյուների հողակցիչին և տեղակայել խողովակավոր պարպիչների լրակազմ՝ ՕԳ-ի կողմից առբերման առաջին հենասյան վրա: Հեռավորությունը ՓՊ-ի կամ համապատասխան ԳԼՍ-ի և տրանսֆորմատորի միջև պետք է լինի 10 մ-ից ոչ ավելի.
2) մինչև 1,6 ՄՎ.Ա հզորության 1 տրանսֆորմատորով ԵԿ-ում պահուստային սնման բացակայության դեպքում 35 կՎ լարման ՕԳ-ի առբերումները ԵԿ-ին պետք է պաշտպանված լինեն մետաղաճոպանով՝ 0,5 կմ-ից ոչ պակաս երկարության վրա:
165. 35-ից մինչև 220 կՎ լարման ՕԳ-ի՝ ԵԿ-ի առբերման առաջին հենասյան վրա պետք է տեղակայված լինի խողովակավոր պարպիչների կամ համապատասխան պաշտպանական ապարատների լրակազմ հետևյալ դեպքերում՝
1) գիծն ամբողջ երկարությամբ, ներառյալ առբերումը, կառուցված է փայտե հենասյուների վրա.
2) գիծը կառուցված է փայտե հենասյուների վրա, գծի առբերումը՝ մետաղյա կամ երկաթբետոնե հենասյուների վրա.
3) փայտե հենասյուներով 35 կՎ լարման ՕԳ-ի՝ 35 կՎ լարման ԵԿ-ին առբերման վրա պաշտպանությունը իրագործվում է 176-րդ կետին համապատասխան.
4) ԽՊ1-ի տեղակայում ՕԳ-ի առբերումների սկզբնամասում, որոնք ամբողջ երկարության վրա կառուցված են մետաղե կամ երկաթբետոնե հենասյուների վրա, չի պահանջվում: ԽՊ-ով հենասյուների հողակցիչ սարքվածքի դիմադրությունները պետք է լինեն՝ 10 Օմ-ից ոչ ավելի՝ հողի 1000 Օմ.մ-ից ոչ բարձր տեսակարար դիմադրության դեպքում և 15 Օմ-ից ոչ ավելի՝ հողի ավելի բարձր տեսակարար դիմադրության դեպքում: Փայտե հենասյուների վրա հողակցող էջքերն այդ ապարատներից պետք է անցկացվեն 2 կանգնակներով կամ 1 կանգնակի 2 կողմերով:
Աղյուսակ N 8
ԲՍ-ների ենթակայանների առբերման ՕԳ-երի պաշտպանությունը կայծակի ուղիղ հարվածներից (Պաշտպանվող առբերման երկարության ընտրությունը կատարվում է` հաշվի առնելով NN 10-13 աղյուսակները)
|
ՕԳ-ի անվա-նական լարումը, կՎ |
ՕԳ առբերումները |
ՕԳ առբերումները հենասյուների վրա՝ հաղորդալարերի ոչ հորիզոնական |
Հենասյուների հողակցման սարքվածքի ամենամեծ թույլատրելի դիմադրությունը, Օմ, հողի համարժեքի տեսակարար դիմադրության դեպքում, Օմ.մ | ||||||
|
պաշտպանված առբերման երկարությունը, կմ |
մետաղա-ճոպանների թիվը, հատ |
մետաղաճոպանի պաշտպանական անկյունը, աստիճան |
պաշտպանված առբերման երկարությունը, կմ |
մետաղա-ճոպանների թիվը, հատ |
մետաղաճոպանի պաշտպանական անկյունը, աստիճան | ||||
|
մինչև |
100-ից |
500-ից | |||||||
|
35 |
1-2 |
2 |
30 |
1-2 |
1-2 |
30 |
10 |
15 |
20 |
|
110 |
1-3 |
2 |
20 |
1-3 |
1-2 |
20 |
10 |
15 |
20* |
|
150 |
2-3 |
2 |
20 |
2-3 |
1-2 |
20 |
10 |
15 |
20* |
|
220 |
2-3 |
2 |
20 |
2-3 |
2 |
20 |
10 |
15 |
20* |
|
330 |
2-4 |
2 |
20 |
2-4 |
2 |
20 |
10 |
15 |
20* |
|
400 |
3-4 |
2 |
20 |
2-4 |
2 |
20 |
10 |
15 |
20* |
|
500 |
3-4 |
2 |
25 |
- |
- |
- |
10 |
15 |
20* |
|
750 |
4-5 |
2 |
20-22 |
- |
- |
- |
10 |
15 |
20* |
* Հաղորդալարերի հորիզոնական դասավորությամբ հենասյուների համար, որոնք տեղակայված են 1000 Օմ.մ համարժեք տեսակարար դիմադրությամբ հողում, թույլատրվում է 30 Օմ դիմադրությամբ հողակցող սարքվածք:
(աղյուսակը խմբ. 28.07.11 N 1138-Ն)
5) 35 և 110 կՎ լարման ՕԳ-երի վրա, որոնք ունեն մետաղաճոպանով պաշտպանություն ոչ ամբողջ երկարությամբ և ամպրոպային ժամանակաշրջանում կարող են երկարատև անջատված լինել մի կողմից, հարկավոր է տեղակայել խողովակավոր պարպիչների (ԽՊ2) կամ համապատասխան պաշտպանական ապարատների լրակազմ՝ մուտքային ճակատամուտքերի վրա կամ ԵԿ-ից ՕԳ-ի այն ծայրի առաջին հենասյան վրա, որը կարող է անջատվել: ՕԳ-ի անջատված ծայրում լարման տրանսֆորմատորների առկայության դեպքում ԽՊ2-ի փոխարեն պետք է տեղակայված լինեն ՓՊ կամ համապատասխան ԳԼՍ: Հեռավորությունը ԽՊ2-ից մինչև գծի անջատված ծայրը (ապարատը) պետք է լինի 60 մ-ից ոչ ավել՝ 110 կՎ լարման ՕԳ-երի համար և 40 մ-ից ոչ ավելի՝ 35 կՎ լարման ՕԳ-երի համար:
166. Այն ՕԳ-ի վրա, որոնք աշխատում են մեկուսացման դասի նկատմամբ իջեցված լարմամբ, ԵԿ-ի պաշտպանված առբերման առաջին հենասյան վրա՝ հաշված գծի կողմից, այսինքն՝ ԵԿ-ից, N 10 և N 11 աղյուսակներով որոշվող ՓՊ կամ ԳԼՍ պաշտպանվող սարքավորումից ունեցած հեռավորությունից կախված հեռավորության վրա, պետք է տեղակայվեն գծի աշխատանքային լարմանը համապատասխանող դասի լարման ԽՊ կամ ԿՄԿ: Թույլատրվում է տեղակայել պաշտպանական միջակայքեր կամ միջակապերով շունտել հենասյուների հարակից մեկուսիչների մի մասը շարաններում (մեկուսացումն արդյունաբերական, աղուտային և այլ տարուքներով աղտոտման բացակայության դեպքում): Չշունտված մնացած մեկուսիչների քանակը շարաններում պետք է համապատասխանի աշխատանքային լարմանը:
167. Խողովակավոր պարպիչները պետք է ընտրված լինեն ըստ ԿՄ-ի հոսանքի՝ հետևյալ պահանջներին համապատասխան`
1) մինչև 35 կՎ լարման ցանցերի համար խողովակավոր պարպիչի կողմից անջատվող հոսանքի վերին սահմանը պետք է լինի ցանցի տվյալ կետում եռաֆազ ԿՄ հոսանքի ամենամեծ գործող արժեքից (հաշվի առնելով ոչ պարբերական բաղադրիչը) ոչ պակաս, իսկ ստորին սահմանը՝ ցանցի տվյալ կետում կայունացած երկֆազ ԿՄ-ի հոսանքի հնարավոր ամենափոքր արժեքից (առանց հաշվի առնելու ոչ պարբերական բաղադրիչը) ոչ ավելի.
2) 110 կՎ և բարձր լարման ցանցերում խողովակավոր պարպիչի կողմից անջատվող հոսանքի վերին սահմանը պետք է լինի ցանցի տվյալ կետում միաֆազ կամ եռաֆազ ԿՄ հոսանքի հնարավոր ամենամեծ գործող արժեքից (հաշվի առնելով ոչ պարբերական բաղադրիչը) ոչ պակաս, իսկ ստորին սահմանը՝ ցանցի տվյալ կետում միաֆազ կամ երկֆազ ԿՄ կայունացված հոսանքի հնարավոր ամենափոքր հոսանքից (առանց հաշվի առնելու ոչ պարբերական բաղադրիչը) ոչ ավելի: ԿՄ հոսանքների պահանջվող արժեքներին համապատասխանող խողովակավոր պարպիչների բացակայության դեպքում թույլատրվում է նրանց փոխարեն կիրառել կայծային միջակայքեր: Փայտե հենասյուներով 220 կՎ լարման ՕԳ-ի վրա, խողովակավոր պարպիչների բացակայության դեպքում, պետք է 1-2 հենասյուների վրա շարանների կախոցները հողակցված լինեն, ընդ որում, մեկուսիչների քանակը պետք է լինի նույնքան, որքան մետաղե հենասյուների համար:
168. Փայտե հենասյուներով 3-ից մինչև 35 կՎ լարման ՕԳ-ի վրա, պաշտպանական միջակայքերի հողակցող էջքերում հարկավոր է իրագործել լրացուցիչ պաշտպանական միջակայքեր՝ տեղակայված գետնից 2,5 մ-ից ոչ պակաս բարձրության վրա: Պաշտպանական միջակայքերի երաշխավորվող չափսերը բերված են N 9 աղյուսակում:
169. 35 կՎ և բարձր լարման ԲՍ-ում, որոնց միակցված են ՕԳ-եր, պետք է տեղակայված լինեն ՓՊ-ներ կամ ԳԼՍ-ներ`
1) ՓՊ-ները կամ ԳԼՍ-ները հարկավոր է ընտրել՝ հաշվի առնելով նրանց պաշտպանական բնութագրերի համաձայնեցումը պաշտպանվող սարքավորման մեկուսացման հետ, ամենամեծ աշխատանքային լարման համապատասխանությունը ցանցի ամենամեծ աշխատանքային լարմանը՝ հաշվի առնելով բարձր հարմոնիկները և անհավասարաչափ բաշխումը, ինչպես նաև լարման թույլատրելի բարձրացումները՝ հողին միաֆազ միակցման դեպքում պահուստային ռելեական պաշտպանությունների գործողության ընթացքում՝ գծի միակողմանի միացման կամ բարձր հարմոնիկներով անցումային ռեզոնանսի դեպքում.
Աղյուսակ N 9
Հիմնական և լրացուցիչ պաշտպանական միջակայքերի երաշխավորված չափսերը
|
| |||||||||||||||||||||||||||||||||||
(աղյուսակը խմբ. 28.07.11 N 1138-Ն)
2) տեղակայվող ապարատների թվի կրճատման նպատակով պաշտպանական ապարատներից մինչև պաշտպանվող սարքավորումը մեծացված հեռավորությունների դեպքում կարող են կիրառվել մնացորդային լարումների ավելի փոքր մակարդակով ՓՊ-ներ կամ ԳԼՍ-ներ, քան պահանջվում է ըստ մեկուսացման համաձայնեցման պայմանների.
3) պարպիչներից մինչև տրանսֆորմատորներ և ուրիշ սարքավորում հեռավորություններն ըստ հաղորդաձողերի, ներառյալ ճյուղավորումները, պետք է լինեն N 10, N 11 և N 11.1 աղյուսակներում նշվածներից ոչ ավելի (տե'ս նաև 157-րդ կետը): Նշված հեռավորությունները գերազանցելու դեպքում պետք է լրացուցիչ տեղակայվեն պաշտպանական ապարատներ հաղորդաձողերի կամ գծային միակցումների վրա`
ա. ՓՊ-ից մինչև էլեկտրասարքավորումներ (բացի ուժային տրանսֆորմատորներից) հեռավորությունները չեն սահմանափակվում, եթե զուգահեռ աշխատող ՕԳ-երի քանակը 110 կՎ լարման դեպքում 7 և ավելի է, 150 կՎ լարման դեպքում՝ 6 և ավելի, 220 կՎ լարման դեպքում՝ 4 և ավելի,
բ. թույլատրելի հեռավորությունները որոշվում են մինչև մոտակա ՓՊ,
գ. ՓՊ-ի փոխարեն ԳԼՍ օգտագործման կամ պաշտպանվող սարքավորման փորձարկման լարումների փոփոխության դեպքում հեռավորությունը մինչև ուժային տրանսֆորմատորներ կամ այլ սարքավորում որոշվում է LԳԼՍ=LՓՊ(Սփորձ-ՍԳԼՍ)/ (Սփորձ-ՍՓՊ ), որտեղ LԳԼՍ և LՓՊ համապատասխանաբար ԳԼՍ -ի և ՓՊ-ի հեռավորություններն են պաշտպանվող սարքավորումից, մ, Սփորձ - պաշտպանվող սարքավորման փորձարկման լարումն է, կՎ, ՍԳԼՍ և ՍՓՊ - համապատասխանաբար մնացորդային լարումներն են ԳԼՍ-ի և ՓՊ-ի վրա. 5 կԱ հոսանքի դեպքում՝ 110, 220 կՎ լարման դասերի լարման համար և 10 կԱ հոսանքի դեպքում՝ 330 կՎ և ավելի դասերի լարման համար,
դ. ճոպանով պաշտպանված առբերումների այլ տվյալների դեպքում թույլատրելի հեռավորությունը կարող է որոշվել գծային միջարկմամբ,
4) N 10 և N 11 աղյուսակներում բերված մինչև էլեկտրասարքավորումը ամենամեծ թույլատրելի հեռավորությունները համապատասխանում են նրա՝ ըստ ԳՕՍՏ 1516.3-ի, «բ» դասի մեկուսացմանը.
5) ամենամեծ թույլատրելի հեռավորությունները ՓՊ կամ ԳԼՍ-ի և պաշտպանվող սարքավորման միջև որոշում են՝ ելնելով ԵԿ-ի աշխատանքի բնականոն ռեժիմում միացված գծերի և պարպիչների թվից.
6) ՓՊ-ների և ԳԼՍ-ների քանակը, տեղակայման տեղերը հարկավոր է ընտրել՝ ելնելով հաշվարկային ժամանակաշրջանում էլեկտրական միացումների սխեմայից, ՕԳ-երի և տրանսֆորմատորների թվից: Ընդ որում, հեռավորությունները պաշտպանվող սարքավորումից մինչև ՓՊ և ԳԼՍ պետք է լինի թույլատրելիների սահմաններում և միջանկյալ փուլերում՝ ամպրոպային ժամանակաշրջանին հավասար և ավելի տևողությամբ: Վթարային և վերանորոգման աշխատանքներն այս դեպքում հաշվի չեն առնվում:
(169-րդ կետը լրաց. 28.07.11 N 1138-Ն)
170. Տրանսֆորմատորների և շունտող ռեակտորների շղթաներում ՓՊ-ները կամ ԳԼՍ-ները պետք է տեղակայված լինեն առանց նրանց և պաշտպանվող սարքավորման միջև փոխարկման ապարատների: Սարքավորումը լարման տակ գտնվելիս պաշտպանական ապարատները պետք է մշտապես միացված լինեն:
171. Տրանսֆորմատորը ԲՍ-ին 110 կՎ և բարձր լարման մալուխային գծով միակցելիս, մալուխը ՕԳ-ով ԲՍ-ին միակցման տեղում պետք է տեղակայված լինի ՓՊ-ի կամ ԳԼՍ-ի լրակազմ: ՓՊ-ի կամ ԳԼՍ-ի հողակցող սեղմակը պետք է միակցված լինի մալուխի մետաղե պատյանին: ԲՍ-ի հաղորդաձողերին տրանսֆորմատորների հետ անմիջականորեն միացված մի քանի մալուխներ միակցելու դեպքում ԲՍ-ի հաղորդաձողերի վրա տեղակայվում է ՓՊ-ի կամ ԳԼՍ-ի 1 լրակազմ: Նրանց տեղակայման տեղը հարկավոր է ընտրել մալուխների միակցման տեղին հնարավորինս մոտ: Մալուխի երկարությունը N 10 և N 11 աղյուսակներում նշված հեռավորության կրկնակիից մեծ լինելու դեպքում նույնպիսի մնացորդային լարումներով ՓՊ կամ ԳԼՍ, ինչպիսիք մալուխի սկզբի պաշտպանական ապարատինն են, տեղակայվում են տրանսֆորմատորի մոտ:
172. Ուժային տրանսֆորմատորների (ավտոտրանսֆորմատորների) չօգտագործվող ամենացածր և միջին լարման փաթույթները, ինչպես նաև ԲՍ-ի՝ ամպրոպային ժամանակաշրջանում հաղորդաձողերից ժամանակավորապես անջատված փաթույթները, պետք է միացված լինեն աստղի կամ եռանկյան տեսքով, պաշտպանվեն ՓՊ-ով կամ ԳԼՍ-ով՝ միացված յուրաքանչյուր ֆազի ներանցման և հողի միջև: Չօգտագործվող, ամենացածր լարման փաթույթների պաշտպանությունը, որոնք մագնիսալարի վրա դասավորված են առաջինը, կարող է իրագործվել եռանկյան գագաթներից մեկի, աստղի ֆազերից մեկի կամ չեզոքի հողակցմամբ կամ յուրաքանչյուր ֆազի վրա համապատասխան դասի լարման ՓՊ-ի կամ ԳԼՍ-ի տեղակայմամբ: Չօգտագործվող փաթույթների պաշտպանություն չի պահանջվում, եթե նրանց մշտապես միացված է 30 մ-ից ոչ պակաս երկարությամբ մալուխային գիծ, որն ունի հողակցված պատյան կամ զրահ:
173. Ուժային տրանսֆորմատորների 110-ից մինչև 150 կՎ լարման փաթույթների չեզոքների պաշտպանության համար, որոնք ունեն փաթույթի գծային ծայրի մեկուսացման նկատմամբ իջեցված մեկուսացում և թույլ են տալիս աշխատանք՝ ապահողակցված չեզոքով, հարկավոր է տեղակայել ԳԼՍ-ներ, որոնք ապահովում են նրանց պաշտպանությունը և մի քանի ժամվա ընթացքում դիմանում քվազի (համարյա) կայունացված գերլարումներին՝ գծի ֆազը խզվելու դեպքում: Տրանսֆորմատորի չեզոքում, որի մեկուսացումն ապահողակցում թույլ չի տալիս, բաժանիչների տեղակայում չի թույլատրվում:
174. 3-ից մինչև 20 կՎ լարման բաշխիչ սարքերը, որոնց միացված են ՕԳ-ներ, պետք է պաշտպանված լինեն ՓՊ-ներով կամ ԳԼՍ-ներով՝ տեղակայված հաղորդաձողերի վրա կամ տրանսֆորմատորների մոտ: Հիմնավորված դեպքերում կարող են լրացուցիչ տեղակայվել պաշտպանական ունակություններ: ՓՊ-ն կամ ԳԼՍ-ն լարման տրանսֆորմատորի հետ միևնույն բջջում պետք է միակցված լինի մինչև նրա ապահովիչը`
1) 3-ից մինչև 20 կՎ լարման ԲՍ-երի հաղորդաձողերի հետ տրանսֆորմատորների օդային կապ կիրառելու դեպքում հեռավորությունները ՓՊ-ից և ԳԼՍ-ից մինչև պաշտպանվող սարքավորում չպետք է գերազանցեն. 60 մ-ը՝ փայտե հենասյուներով ՕԳ-ի դեպքում, և 90 մ-ը՝ մետաղե հենասյուներով ՕԳ-ի դեպքում.
2) տրանսֆորմատորները մալուխների միջոցով հաղորդաձողերին միակցելու դեպքում հեռավորությունները հաղորդաձողերի վրա տեղակայված ՓՊ-ներից կամ ԳԼՍ-ներից մինչև տրանսֆորմատոր չեն սահմանափակվում.
3) ԵԿ-ին՝ 3-ից մինչև 20 կՎ լարման ՕԳ-երի առբերումների շանթարգելներով պաշտպանություն, ըստ շանթապաշտպանության պայմանների, չի պահանջվում.
4) ԵԿ-ին փայտե հենասյուներով 3-ից մինչև 20 կՎ լարման ՕԳ-ի առբերումների վրա, ԵԿ-ից 200-ից մինչև 300 մ հեռավորությամբ պետք է տեղակայված լինի պաշտպանական ապարատների լրակազմ (ԽՊ1): 3-ից մինչև 20 կՎ լարման ՕԳ-երի վրա, որոնք ամպրոպային ժամանակաշրջանում կարող են երկարատև անջատվել 1 կողմից, հարկավոր է տեղակայել պաշտպանական ապարատներ (ԽՊ2) ԵԿ-ի կոնստրուկցիայի վրա կամ ՕԳ-ի այն ծայրի ծայրային հենասյան վրա, որը կարող է երկարատև անջատվել: Հեռավորությունը ձողավորման երկայնքով, ԽՊ2-ից մինչև անջատված անջատիչը պետք է լինի 10 մ-ից ոչ ավելի: Տրանսֆորմատորի մինչև 0,63 ՄՎ.Ա հզորության դեպքում թույլատրվում է խողովակավոր պարպիչներ չտեղակայել 3-ից մինչև 20 կՎ լարման, փայտե հենասյուներով ՕԳ-ի առբերումների վրա.
5) նշված հեռավորությունների պահպանման անհնարինության դեպքում, ինչպես նաև ՕԳ-ի անջատվող ծայրում լարման տրանսֆորմատորների առկայության դեպքում, ԽՊ2-ի փոխարեն պետք է տեղակայվեն ՓՊ-ներ կամ ԳԼՍ-ներ: Հեռավորությունը ՓՊ-ից մինչև պաշտպանվող սարքավորում այս դեպքում պետք է լինի 10 մ-ից ոչ ավելի, ԳԼՍ-ի համար՝ մեծացված լարման տրանսֆորմատորի փորձարկման լարման և ԳԼՍ-ի մնացորդային լարման տարբերությանը համեմատական: ԵԿ-ի մեջ ՕԳ-ի բոլոր ներանցումների վրա ՓՊ-ների կամ ԳԼՍ-ների տեղակայման դեպքում և ենթակայանային սարքավորումից՝ ըստ ամպրոպաշտպանության պայմանների թույլատրելի սահմաններում նրանց հեռանալու դեպքում, ԵԿ-ի հաղորդաձողերի վրա պաշտպանական ապարատներ կարող են չտեղակայվել: ԽՊ1-ի և ԽՊ2-ի պարպիչների հողակցման դիմադրությունները չպետք է գերազանցեն 10 Օմ-ը՝ հողի մինչև 1000 Օմ.մ տեսակարար դիմադրության և 15 Օմ-ը՝ ավելի մեծ տեսակարար դիմադրության դեպքում.
6) ենթակայաններին մետաղե և երկաթբետոնե հենասյուներով 3-ից մինչև 20 կՎ լարման ՕԳ-երի առբերումների վրա պաշտպանական ապարատների տեղակայում չի պահանջվում: Սակայն 3-ից մինչև 20 կՎ լարման ՕԳ-ի վրա ավելի քան 30 տոկոսով ուժեղացված մեկուսացում կիրառելու դեպքում (օրինակ՝ մթնոլորտի աղտոտման պատճառով), ԵԿ-ից 200-ից մինչև 300 մ երկարության վրա և նրա ներանցիչի վրա պետք է տեղակայված լինեն ԿՄԿ-ներ.
7) ենթակայանին առբերվող մետաղե և երկաթբետոնե հենասյուները 200-ից մինչև 300 մ երկարության վրա պետք է հողակցված լինեն ՀՀ կառավարության 2007 թվականի հուլիսի 12-ի «Էլեկտրաէներգիայի հաղորդաբաշխման վերաբերյալ տեխնիկական կանոնակարգը հաստատելու մասին» N 961-Ն որոշմամբ հաստատված ՏԿ-ի N 6.19 աղյուսակում բերվածներից ոչ մեծ դիմադրությամբ.
8) 3-ից մինչև 20 կՎ լարման ՕԳ-ը մալուխային ներդիրի օգնությամբ ԵԿ-ին միակցելու դեպքում մալուխը ՕԳ-ին միակցելու տեղում պետք է տեղակայված լինի ՓՊ-ների կամ ԳԼՍ-ների լրակազմ: Այդ դեպքում պարպիչի մետաղե սեղմակը, մալուխի մետաղե պատյանները, ինչպես նաև մալուխային կցորդիչի իրանը պետք է միացված լինեն միմյանց ամենակարճ ուղիով: Պարպիչի հողակցող սեղմակը պետք է միացված լինի հողակցիչին առանձին էջքով: Եթե ՕԳ-ը փայտե հենասյուներով է, մալուխի ծայրից 200-ից մինչև 300 մ հեռավորության վրա հարկավոր է տեղակայել պաշտպանական ապարատների լրակազմ: Մալուխային ներդիրի 50 մ-ից ավելի երկարության դեպքում ՓՊ կամ ԳԼՍ-ի տեղակայում ԵԿ-ում չի պահանջվում: Ապարատի հողակցիչի դիմադրությունը պետք է լինի ՀՀ կառավարության 2007 թվականի հուլիսի 12-ի «Էլեկտրաէներգիայի հաղորդաբաշխման վերաբերյալ տեխնիկական կանոնակարգը հաստատելու մասին» N 961-Ն որոշմամբ հաստատված ՏԿ-ի N 6.19 աղյուսակում բերված արժեքներից ոչ ավելի.
9) 3-ից մինչև 20 կՎ լարման հոսանահաղորդիչների շանթապաշտպանությունը իրագործվում է որպես համապատասխան դասի լարման ՕԳ-ի շանթապաշտպանություն:
175. 35-ից մինչև 220 կՎ լարման մալուխային ներդիրները նրանց 1,5 կմ-ից պակաս երկարության դեպքում պետք է 2 կողմերից պաշտպանված լինեն պաշտպանական ապարատներով: 35-ից մինչև 220 կՎ լարման մալուխները պաշտպանվում են III խմբի ՓՊ-ի կամ ԽՊ-ի միջոցով, իսկ 220 կՎ լարման մալուխները՝ II խմբի ՓՊ-ի կամ համապատասխան ԳԼՍ-ի: Մալուխի 1,5 կմ և ավելի երկարության դեպքում մետաղե և երկաթբետոնե հենասյուներով ՕԳ-ի վրա պարպիչների կամ սահմանափակիչների տեղակայում մալուխի ծայրում չի պահանջվում:
176. Մինչև 40 ՄՎ.Ա հզորության տրանսֆորմատորներով 35-ից մինչև 220 կՎ լարման ԵԿ-ների պաշտպանությունը, որոնք միակցված են պաշտպանվող առբերման պահանջվող երկարությունից (տե'ս N 8 և N10 աղյուսակներ) փոքր երկարությամբ՝ առանց մետաղաճոպանների ՕԳ-ից ճյուղավորումներին, թույլատրվում է իրագործել պարզեցված սխեմայով (նկ. 18), որը ներառում է`
1) փականային պարպիչներ. տեղակայվում են ԵԿ-ում, ուժային տրանսֆորմատորից 10 մ-ից ոչ ավելի հեռավորության վրա՝ III խմբի ՓՊ-ի օգտագործման դեպքում, և 15 մ-ից ոչ ավելի՝ II խմբի ՓՊ-ի օգտագործման դեպքում: Ընդ որում, հեռավորությունը ՓՊ-ից մինչև հաջորդ սարքավորումը չպետք է գերազանցի համապատասխանաբար 50 և 75 մ-ը: Հեռավորությունը մինչև սահմանափակիչները որոշվում են այնպես, ինչպես նշված է N 10 և N 11 աղյուսակներում.
2) ԵԿ-ին առբերվող մետաղաճոպանային շանթարգելներ ճյուղավորման ամբողջ երկարության վրա. ճյուղավորման 150 մ-ից պակաս երկարության դեպքում հարկավոր է լրացուցիչ պաշտպանել մետաղաճոպանային կամ ձողային շանթարգելներով գործող ՕԳ-ի մեկական հենամեջ՝ ճյուղավորումից 2 ուղղությունների վրա.
3) ԽՊ1 և ԽՊ2 պաշտպանական ապարատների լրակազմեր՝ հողակցիչի 10 Օմ-ից ոչ ավելի դիմադրությամբ, որոնք տեղակայվում են փայտե հենասյուների վրա. ԽՊ2՝ ՕԳ-ի կողմից մետաղաճոպանով առաջին հենասյան վրա կամ ձողային շանթարգելով պաշտպանվող հատվածի սահմանի վրա, ԽՊ1՝ ՕԳ-ի չպաշտպանված հատվածում, ԽՊ2-ից 150-ից մինչև 200 մ հեռավորության վրա.
4) առբերման 500 մ-ից ավելի երկարության դեպքում ԽՊ1-ի խողովակավոր պարպիչների տեղակայում չի պահանջվում.
5) ԵԿ-ի պաշտպանությունը, որոնցում ՓՊ-երի և տրանսֆորմատորների միջև հեռավորությունները գերազանցում են 10 մ-ը, իրագործվում է 169-րդ կետում բերված պահանջներին համապատասխան:ԵԿ-ի պարզեցված պաշտպանությունը՝ վերը նշված պահանջներին համապատասխան, թույլատրվում է կատարել նաև ԵԿ-ը գործող ՕԳ-ին կարճ առբերումների միջոցով միակցելու դեպքում (նկ. 19): Ընդ որում, տրանսֆորմատորները պետք է պաշտպանված լինեն II խմբի ՓՊ-ներով կամ համապատասխան ԳԼՍ-ներով: Նոր կառուցված ՕԳ-ին միակցված ԵԿ-ի պարզեցված սխեմայով պաշտպանության իրականացում չի թույլատրվում:
177. Հողի 1000 Օմ.մ և ավելի տեսակարար դիմադրությամբ շրջաններում ԵԿ-ի պաշտպանության համար տեղակայված 35 և 110 կՎ լարման ԽՊ1 և ԽՊ2 պարպիչների հողակցման դիմադրությունը, որոնք միակցվում են գործող ՕԳ-ին ճյուղավորումների վրա կամ կարճ առմուտների օգնությամբ, պետք է լինի 30 Օմ-ից ոչ ավելի: Ընդ որում, ԽՊ2-ի հողակցիչը պետք է միացված լինի ԵԿ-ի հողակցող սարքվածքի հետ:
Նկար 18. ՕԳ-ի մինչև 150 մ և 150 մ-ից ավելի երկարությամբ ճյուղավորումներով միացված ԵԿ-ների ամպրոպային գերլարումներից պաշտպանության սխեմաներ:
Նկար 19. ՕԳ-ի մինչև 150 մ և 150 մ-ից ավելի երկարությամբ առմուտներով միացված ԵԿ ամպրոպային գերլարումներից պաշտպանության սխեմաներ:
178. Մինչև 110 կՎ լարման ՕԳ-ի հենասյուների վրա տեղակայվող փոխարկման ապարատները, որոնք ունեն մետաղաճոպանով պաշտպանություն ոչ ամբողջ երկարությամբ, պետք է պաշտպանված լինեն պաշտպանական ապարատներով՝ տեղակայված նույն հենասյուների վրա սպառիչի կողմից: Եթե փոխարկման ապարատը բնականոն անջատված է, պարպիչները պետք է տեղակայված լինեն նույն հենասյան վրա՝ լարման տակ գտնվող յուրաքանչյուր կողմից`
1) փոխարկիչ ապարատները ՕԳ-ի երկարությամբ, գիծը ԵԿ-ին կամ բաշխիչ կետին միացնելու տեղից մինչև 25 մ հեռավորության վրա տեղակայելիս հենասյան վրա պաշտպանական ապարատների տեղակայում չի պահանջվում: Եթե փոխարկիչ ապարատներն ամպրոպային ժամանակաշրջանում բնականոն անջատված են, ապա ՕԳ-ի կողմից հենասյան վրա պետք է տեղակայված լինեն պաշտպանական ապարատներ.
2) մետաղե և երկաթբետոնե հենասյուներով մինչև 20 կՎ լարման ՕԳ-ի վրա թույլատրվում է պաշտպանական ապարատներ չտեղակայել այն փոխարկման ապարատների պաշտպանության համար, որոնք ունեն նույն դասի մեկուսացում, ինչ և ՕԳ-ն.
3) փոխարկիչ ապարատների տեղակայում մետաղաճոպանով պաշտպանվող ՕԳ առբերումների այն սահմաններում, որոնք նշված են 176-րդ և 183-րդ կետում և N 10 աղյուսակում, թույլատրվում է գծի կողմից հաշված առաջին հենասյան վրա, ինչպես նաև առբերման հաջորդ հենասյունների վրա՝ նրանց մեկուսացման հավասար ամրության պայմանի դեպքում.
4) ապարատների հողակցող սարքվածքների դիմադրությունը պետք է բավարարի ՀՀ կառավարության 2006 թվականի դեկտեմբերի 21-ի «Էլեկտրատեղակայանքների սարքվածքին ներկայացվող ընդհանուր պահանջներ տեխնիկական կանոնակարգը հաստատելու մասին» N 1943-Ն որոշմամբ հաստատված ՏԿ-ի պահանջները:
179. Մետաղե և երկաթբետոնե հենասյուներով իրագործվող ճյուղավորումը ՕԳ-ից պետք է ամբողջ երկարությամբ պաշտպանված լինի մետաղաճոպանով, եթե այն միակցված է ամբողջ երկարությամբ մետաղաճոպանով պաշտպանված ՕԳ-ին: Փայտե հենասյուների վրա ճյուղավորումներ իրագործելիս, ՕԳ-ի հետ նրանց միակցման տեղում պետք է տեղակայված լինի պաշտպանական ապարատների լրակազմ:
180. 3-ից մինչև 10 կՎ լարման հատվածավորող կետերի պաշտպանության համար պետք է տեղակայված լինեն պաշտպանական ապարատներ՝ մեկական լրակազմ փայտե հենասյուներով յուրաքանչյուր սնող ՕԳ-ի ծայրային հենասյան վրա: Ընդ որում, պաշտպանական ապարատների հողակցվող էջքերը հարկավոր է միակցել փոխարկիչային կետի հողակցող սարքվածքին:
17. ՊՏՏՎՈՂ ԷԼԵԿՏՐԱԿԱՆ ՄԵՔԵՆԱՆԵՐԻ ՊԱՇՏՊԱՆՈՒԹՅՈՒՆԸ ԱՄՊՐՈՊԱՅԻՆ ԳԵՐԼԱՐՈՒՄՆԵՐԻՑ
181. Թույլատրվում է մետաղե և երկաթբետոնե հենասյուներով օդային գծերն ուղղակիորեն միակցել մինչև 50 ՄՎտ (մինչև 50 ՄՎ.Ա) հզորության գեներատորներին (համաժամ փոխհատուցիչներին) և համապատասխան ԲՍ-երին`
1) փայտյա հենասյուներով ՕԳ-երը թույլատրվում է միակցել մինչև 25 ՄՎտ (մինչև 25 ՄՎ.Ա) գեներատորներին (համաժամ փոխհատուցիչներին) և համապատասխան ԲՍ-ին.
2) օդային գծերի միակցումը 50 ՄՎտ-ից (50 ՄՎ.Ա-ից) ավելի հզորության գեներատորներին (համաժամ փոխհատուցիչներին) պետք է իրագործվի միայն տրանսֆորմատորի միջոցով.
Աղյուսակ N 10
Փականային պարպիչներից մինչեվ 35-220 կՎ լարման պաշտպանվող սարքավորման թույլատրելի առավելագույն հեռավորությունները
|
Անվա- |
ԲՍ-երին և ենթակայաններին |
ՕԳ-ի ճոպանով պաշտպանված առբերման երկարությունը, կմ |
Հեռավորությունները մինչև ուժային տրանսֆորմատորներ, մ |
Հեռավորությունները մինչև մյուս սարքավորումը, մ | ||||||||||||||||||
|
Փակուղային |
Մշտապես միացված |
Մշտապես միացված |
Փակուղային |
Մշտապես միացված | ||||||||||||||||||
|
III խմբի |
II խմբի |
III խմբի պարպիչներ |
II խմբի |
III խմբի պարպիչներ |
II խմբի |
III խմբի պարպիչներ |
II խմբի |
III խմբի պարպիչներ |
II խմբի | |||||||||||||
|
1x ՓՊԿ |
2x ՓՊԿ |
1x |
2x |
1x ՓՊԿ |
2x ՓՊԿ |
1x |
2x |
1x ՓՊԿ |
2x ՓՊԿ |
1x |
2x |
1x ՓՊԿ |
2x ՓՊԿ |
1x |
2x |
1x ՓՊԿ |
2x ՓՊԿ |
1x |
2x | |||
|
35 |
Հաղորդալարերի հորիզոնական դասավորությամբ հենասյուներ |
0,5 |
20 |
30 |
- |
- |
30 |
40 |
- |
- |
35 |
45 |
- |
- |
25 |
40 |
- |
- |
30 |
50 |
- |
- |
|
Հաղորդալարերի ոչ հորիզոնական դասավորությամբ հենասյուներ |
1,0 |
20 |
30 |
- |
- |
30 |
40 |
- |
- |
40 |
50 |
- |
- |
40 |
60 |
- |
- |
50 |
100 |
- |
- | |
|
110 |
Հաղորդալարերի հորիզոնական դասավորությամբ հենասյուներ |
1,0 |
30 |
50 |
40 |
100 |
50 |
70 |
60 |
120 |
70 |
90 |
80 |
125 |
120 |
140 |
130 |
180 |
130 |
150 |
140 |
190 |
|
Հաղորդալարերի ոչ հորիզոնական դասավորությամբ հենասյուներ |
1,0 |
15 |
20 |
20 |
50 |
20 |
30 |
30 |
75 |
30 |
40 |
40 |
100 |
70 |
90 |
80 |
110 |
100 |
130 |
120 |
170 | |
|
220 |
Հաղորդալարերի հորիզոնական դասավորությամբ հենասյուներ |
2,0 |
- |
- |
20 |
65 |
- |
- |
60 |
100 |
- |
- |
90 |
110 |
90 |
160 |
100 |
210 |
150 |
220 |
200 |
280 |
|
Հաղորդալարերի ոչ հորիզոնական դասավորությամբ հենասյուներ |
2,0 |
- |
- |
10 |
35 |
- |
- |
35 |
60 |
- |
- |
45 |
65 |
60 |
90 |
75 |
130 |
90 |
120 |
100 |
150 | |
Աղյուսակ N 11
Փականային պարպիչներից մինչեվ 330 կՎ լարման պաշտպանվող սարքավորում ամենամեծ թույլատրելի հեռավորությունները
|
Ենթակայանի տեսակը, |
Փականային պարպիչների լրակազմերի քանակը, տեսակը, տեղակայման տեղը |
ՕԳ-ի՝ մետաղաճոպանով պաշտպանված առբերման երկարությունը, կմ |
Հեռավորությունը, մ | |||||
|
Մինչև ուժային տրանսֆորմատոր (ավտոտրանսֆորմատոր) և շունտող ռեակտորներ |
Մինչև լարման |
Մինչև մնացած | ||||||
|
հաղորդալարերի հորիզոնական դասավորությամբ հենասյուներ |
հաղորդալարերի ոչ հորիզոնական դասավորությամբ հենասյուներ |
հաղորդալարերի հորիզոնական դասավորությամբ հենասյուներ |
հաղորդալարերի ոչ հորիզոնական դասավորությամբ հենասյուներ |
հաղորդալարերի հորիզոնական դասավորությամբ հենասյուներ |
հաղորդալարերի ոչ հորիզոնական դասավորությամբ հենասյուներ | |||
|
Փակուղային, տրանսֆորմատոր-գիծ բլոկ սխեմայով |
II խմ. փականային պարպիչների 1 լրակազմ ուժային տրանսֆորմատորի դեպքում |
2,5 |
45 |
- |
75 |
- |
130 |
100 |
|
II խմ. փականային պարպիչների 2 լրակազմ ուժային տրանսֆորմատորի մոտ, մյուսը՝ գծային բջջում |
2,5 |
70 |
- |
250** |
- |
330** |
235** | |
|
Փակուղային, միացյալ բլոկի սխեմայով |
II խմ. փականային պարպիչների 2 լրակազմ ուժային տրանսֆորմատորի դեպքում |
2,0 |
70 |
- |
210 |
- |
335 |
280 |
|
Փակուղային, 2 ՕԳ-ով և 1 տրանսֆորմատորով եռանկյուն սխեմայով |
II խմ. փականային պարպիչների 1 լրակազմ ուժային տրանսֆորմատորի դեպքում |
2,0 |
80 |
- |
160 |
- |
390 |
300 |
|
Միջանցուկ, 2 ՕԳ-ով և 2 տրանսֆորմատորով, կամրջակ սխեմայով |
Փականային պարպիչների 2 լրակազմ II խմբի, տրանսֆորմատոր-ների դեպքում |
2,0 |
60 |
- |
320 |
- |
420 |
300 |
|
Միջանցուկ, 2 ՕԳ-ով և 2 տրանսֆորմատորով, քառանկյուն սխեմայով |
Փականային պարպիչների 2 լրակազմ II խմբի, ուժային տրանսֆորմատորների դեպքում |
2,0 |
150 |
- |
500 |
- |
1000 |
1000 |
|
Երկու և ավելի հեռացող ՕԳ-ով և 2 տրանսֆորմատորով ենթակայան |
Փականային պարպիչների 2 լրակազմ II խմբի, ուժային տրանսֆորմատորների դեպքում |
2,0 |
150 |
40 |
960 |
- |
1000 |
1000 |
|
Երեք և ավելի հեռացող ՕԳ-ով և 1 տրանսֆորմատորով ենթակայան |
Փականային պարպիչների 1 լրակազմ II խմբի, ուժային տրանսֆորմատորների դեպքում |
2,0 |
100 |
30 |
700 |
- |
1000 |
750 |
Աղյուսակ N 11.1
Փականային պարպիչների առավելագույն թույլատրելի հեռավորությունները 400 և 500 կՎ լարման պաշտպանվող սարքավորումից
|
| ||||||||||||||||||||||||||||||||||||||
(աղյուսակը լրաց. 28.07.11 N 1138-Ն)
3) բլոկային տրանսֆորմատորների պաշտպանության համար, որոնք կապված են 100 ՄՎտ և բարձր հզորության գեներատորների հետ, բարձր լարման կողմից պետք է տեղակայված լինեն II խմբից ոչ պակաս ՓՊ-ներ կամ համապատասխան ԳԼՍ-ներ:
182. Գեներատորների և համաժամ փոխհատուցիչների, ինչպես նաև 3 ՄՎտ-ից ավելի հզորությամբ էլեկտրաշարժիչների պաշտպանության համար, որոնք միակցված են ընդհանուր հաղորդաձողերին օդային գծերով կամ հոսանահաղորդիչներով, պետք է տեղակայված լինեն I խմբի ՓՊ-ներ կամ ԳԼՍ-ներ՝ հոսանքի ամպրոպային իմպուլսին համապատասխան լարման և ֆազի վրա 0,5 մկՖ-ից ոչ պակաս ունակությամբ`
1) Մնացորդային լարումների ավելի փոքր արժեքներով ՓՊ-ներ և ԳԼՍ-ներ ընտրելիս, թույլատրվում է յուրաքանչյուր ֆազի վրա տեղակայել 0,5 մկՖ-ից պակաս ունակություններ: Բացի դրանից, էլեկտրակայանի ԲՍ-ին, ԵԿ-ին և մեքենաների հոսանահաղորդիչներին ՕԳ-ի առբերումների պաշտպանությունը պետք է իրագործվի շանթակայունության 50 կԱ-ից ոչ պակաս մակարդակով: ՓՊ-ներ կամ ԳԼՍ-ներ հարկավոր է տեղակայել. 15 ՄՎտ-ից (15 ՄՎ.Ա) -ից) ավելի հզորությամբ գեներատորների (համաժամ փոխհատուցիչների) պաշտպանության համար՝ յուրաքանչյուր գեներատորի (համաժամ փոխհատուցչի) միակցման վրա, 15 ՄՎտ (15 ՄՎ.Ա) ) և պակաս հզորությամբ գեներատորների (համաժամ փոխհատուցիչների) պաշտպանության համար` գեներատորային լարման հաղորդաձողերի (հաղորդաձողերի հատվածների) վրա, 3 ՄՎտ-ից ավելի հզորությամբ էլեկտրաշարժիչների պաշտպանության համար՝ԲՍ-ի հաղորդաձողերի վրա.
2) դուրս բերված չեզոքով 25 ՄՎտ (25 ՄՎ.Ա) և ավելի հզորության գեներատորների (համաժամ փոխհատուցիչների) պաշտպանության համար, որոնք չունեն գալարային մեկուսացում (ձողավոր փաթույթով մեքենաներ), 1 ֆազի վրա 0,5 մկՖ ունակությունների փոխարեն կարող է կիրառվել մեքենայի անվանական լարմանը համապատասխան ՓՊ կամ ԳԼՍ՝ գեներատորի (համաժամ փոխահատուցիչի) չեզոքում: Պաշտպանական ունակությունների տեղակայում չի պահանջվում, եթե գեներատորներին (համաժամ փոխհատուցիչներին) միակցված, մինչև 100 մ երկարության մալուխների հատվածների գումարային ունակությունը կազմում է 0,5 մկՖ և ավելի՝ 1 ֆազի համար:
183. Եթե պտտվող մեքենաները և ՕԳ-երը միակցված են էլեկտրակայանների ԲՍ-ի կամ ԵԿ-ի ընդհանուր հաղորդաձողերին, ապա այդ ՕԳ-երի առբերումները պետք է պաշտպանված լինեն ամպրոպային ներազդեցություններից՝ պահպանելով հետևյալ պահանջները`
1) մետաղե կամ երկաթբետոնե հենասյուներով ՕԳ-ի առբերումը պետք է պաշտպանված լինի մետաղաճոպանով՝ 300 մ-ից ոչ պակաս երկարության վրա, առբերման սկզբում պետք է տեղակայված լինի IV խմբի ՓՊ-ների (նկ. 20.ա) կամ համապատասխան ԳԼՍ-ների լրակազմ: ՓՊ-ի կամ ԳԼՍ-ի հողակցման դիմադրությունը չպետք է գերազանցի 3 Օմ-ը, իսկ հենասյուների հողակցման դիմադրությունը մետաղաճոպանային տեղամասում՝ 10 Օմ-ը: Պետք է օգտագործել փայտե լայնակներ մեկուսիչների շարանի ամրակապման կետից մինչև հենասյան կանգնակ՝ փայտով առնվազն 1 մ հեռավորությամբ: Փայտե հենասյուներով ՕԳ-ի առբերումների վրա, երկաթբետոնե հենասյուներով ՕԳ-ի վրա կիրառվող պաշտպանության միջոցառումներին լրացուցիչ, հարկավոր է տեղակայել IV խմբի ՓՊ-ների կամ համապատասխան ԳԼՍ-ների լրակազմ՝ մետաղաճոպանային առբերման սկզբից 150 մ հեռավորության վրա դեպի գծի կողմը (նկ. 20բ): Պարպիչների հողակցման դիմադրությունը պետք է լինի 3 Օմ-ից ոչ ավելի: Թույլատրվում է ԽՊ-ի տեղակայում՝ առբերման սկզբում: Այդպիսի պարպիչների հողակցման դիմադրությունը չպետք է գերազանցի 5 Օմ-ը.
2) էլեկտրակայաններին և ԵԿ-ին մինչև 0,5 կմ երկարությամբ մալուխային ներդիրներով միակցված ՕԳ-ի վրա առբերման պաշտպանությունը պետք է իրագործվի այնպես, ինչպես առանց մալուխային ներդիրներով ՕԳ-ի վրա (տե'ս սույն կետի 1-ին ենթակետը), և լրացուցիչ պետք է տեղակայված լինի IV խմբի ՓՊ2-ի կամ համապատասխան ԳԼՍ-ների լրակազմ՝ ՕԳ-ը մալուխին միակցելու տեղում: Պաշտպանական ապարատի հողակցվող արտանցիչն ամենակարճ ուղիով հարկավոր է միակցել մալուխի մետաղապատյանին և հողակցիչին (նկ. 20. գ, դ): Պաշտպանական ապարատի հողակցման դիմադրությունը չպետք է գերազանցի 5 Օմ-ը.
Նկար 20. Ամպրոպային գերլարումներից պտտվող էլեկտրական մեքենաների պաշտպանության սխեմաներ:
3) եթե ՕԳ-ի առբերումը 300 մ-ից ոչ պակաս երկարության վրա կայծակի ուղիղ հարվածներից պաշտպանված է շենքերով, ծառերով կամ այլ բարձր առարկաներով և գտնվում է նրանց պաշտպանության գոտու մեջ, ապա ՕԳ-ի առբերման վրա մետաղաճոպանի կախվածք չի պահանջվում: Ընդ որում, ՕԳ-ի պաշտպանված հատվածի սկզբում (գծի կողմից) պետք է տեղակայված լինի IV խմբի ՓՊ1 (նկ. 20. ե) կամ ԳԼՍ-ների լրակազմ: Պարպիչի հողակցման դիմադրությունը չպետք է գերազանցի 3 Օմ-ը: ՓՊ-ի հողակցման ամենակարճ ուղիով էջքերը պետք է միակցված լինեն ԵԿ-ի (էլեկտրակայանի) հողակցման հաղորդաշղթայի հետ.
4) ՕԳ-ի վրա հոսանասահմանափակիչ ռեակտորի առկայության դեպքում առբերումը 100-ից մինչև 150 մ երկարության վրա կայծակի ուղիղ հարվածներից պետք է պաշտպանված լինի մետաղաճոպանային շանթարգելով (տե'ս նկ. 20,զ): Շանթարգելով պաշտպանված առբերման սկզբում, ինչպես նաև ռեակտորի մոտ, պետք է տեղակայված լինեն IV խմբի ՓՊ2-ի կամ համապատասխան ԳԼՍ-ների լրակազմ: Պաշտպանական ապարատի հողակցման դիմադրությունը, որը տեղակայված է գծի կողմից առբերման սկզբում, պետք է լինի 3 Օմ-ից ոչ ավելի.
5) ՕԳ-ը պտտվող մեքենաներով ԲՍ-ի հաղորդաձողերին հոսանասահմանափակիչ ռեակտորով և 50 մ-ից ավելի երկարությամբ մալուխային ներդիրով միակցման դեպքում, ՕԳ-ի առբերման պաշտպանություն կայծակի ուղիղ հարվածներից չի պահանջվում: Մալուխին ՕԳ-ի միակցման տեղում և ռեակտորից առաջ պետք է տեղակայված լինեն IV խմբի ՓՊ1 և ՓՊ2-ի կամ ԳԼՍ-ների լրակազմեր՝ հողակցման 3 Օմ-ից ոչ ավելի դիմադրությամբ (տե'ս նկ. 20. է).
6) 3 ՄՎտ-ից (3 ՄՎ.Ա-ից) ցածր հզորությամբ էլեկտրական մեքենաներով ԲՍ-ի հաղորդաձողերին միակցված ՕԳ-ի վրա, որոնց առբերումները 0,5 կմ-ից ոչ պակաս երկարության վրա իրագործված են երկաթբետոնե կամ մետաղե հենասյուներով՝ 5 Օմ-ից ոչ ավելի հողակցման դիմադրությամբ, ԵԿ-ից (էլեկտրակայանից) 100-ից մինչև 150 մ հեռավորության վրա (նկ. 20. ը) պետք է տեղակայված լինի IV խմբի ՓՊ-ների կամ համապատասխան ԳԼՍ-ների լրակազմ: Պաշտպանական ապարատների հողակցման դիմադրությունը պետք է լինի 3 Օմ-ից ոչ ավելի: Ընդ որում, ՕԳ-ի առբերման՝ մետաղաճոպանով պաշտպանություն չի պահանջվում:
184. Գեներատորները (համաժամ փոխհատուցիչները) տրանսֆորմատորներին միացնելու համար բաց հոսանահաղորդիչներ կիրառելու դեպքում հոսանահաղորդիչները պետք է մտնեն շանթարգելների և ԵԿ-ի (էլեկտրակայանների) կառույցների պաշտպանության գոտու մեջ: Շանթարգելները ԵԿ-ի (էլեկտրակայանի) հողակցող սարքվածքին միակցելու տեղը պետք է հեռու լինի հոսանահաղորդիչի հողակցվող տարրերը նրան միակցելու տեղից 20 մ-ից ոչ պակաս՝ հողակցման մայրուղով հաշված`
1) եթե բաց հոսանահաղորդիչները չեն մտնում ԲԲՍ-ի շանթարգելների պաշտպանության գոտու մեջ, ապա նրանք կայծակի ուղիղ հարվածներից պետք է պաշտպանված լինեն առանձին կանգնած շանթարգելներով կամ մետաղաճոպաններով, որոնք կախված են առանձին հենասյուների վրա՝ 200-ից ոչ մեծ պաշտպանական անկյունով: Առանձին կանգնած շանթարգելների և մետաղաճոպանային հենասյուների հողակցումը պետք է իրագործվի մեկուսի հոսանահաղորդիչներով, որոնք միացում չունեն հոսանահաղորդիչների հենասյուների հողակցող սարքվածքների հետ կամ ԲՍ-ի հողակցող սարքվածքին միացնել այն կետում, որոնք հոսանահաղորդիչների հողակցվող տարրերի միակցման տեղից հեռացված են 20 մ-ից ոչ պակաս.
2) հեռավորությունն օդով առանձին կանգնած շանթարգելներից մինչև հոսանահաղորդիչների հոսանատար կամ հողակցված տարրերը պետք է լինի 5 մ-ից ոչ պակաս: Հեռավորությունը հողի միջով, մեկուսի հողակցիչից և շանթարգելի ստորգետնյա մասից մինչև հողակցիչներ և հոսանահաղորդիչի ստորգետնյա մասը, պետք է լինի 5 մ-ից ոչ պակաս:
185. Բաց հոսանահաղորդիչը գեներատորային լարման ԲՍ-ին ռեակտորի միջոցով միակցելու դեպքում ռեակտորից առաջ պետք է տեղակայված լինի IV խմբի ՓՊ-ի լրակազմ կամ համապատասխան ԳԼՍ`
1) գեներատորները հոսանահաղորդիչի միջով վրավազ ամպրոպային գերլարումների ալիքներից պաշտպանելու համար, պետք է տեղակայված լինեն I խմբի ՓՊ կամ ԳԼՍ և պաշտպանական ունակություններ, որոնց արժեքը 3 ֆազի համար, գեներատորի անվանական լարումից կախված, պետք է կազմի. 6 կՎ լարման դեպքում՝ 0,8 մկՖ-ից ոչ պակաս, 10 կՎ լարման դեպքում՝ 0,5 մկՖ-ից ոչ պակաս, 13,8-ից մինչև 20 կՎ լարման դեպքում՝ 0,4 մկՖ-ից ոչ պակաս.
2) պաշտպանական ունակություններ տեղակայել չի պահանջվում, եթե գեներատորի և մալուխային ցանցի գումարային ունակությունը գեներատորային լարման հաղորդաձողերի վրա ունի պահանջվող արժեքը: Մալուխային ցանցի ունակությունը որոշելիս, հաշվի են առնվում մալուխների՝ մինչև 750 մ երկարության վրա տեղամասերը.
3) եթե ԵԿ-ի ԲՍ-ը բաց հոսանահաղորդիչով միացված է ՋԷԿ-ի գեներատորային լարման ԲՍ-ին, որն ունի մինչև 120 ՄՎտ հզորության գեներատորներ, ապա հոսանահաղորդիչների պաշտպանությունը կայծակի ուղիղ հարվածներից պետք է իրագործված լինի այնպես, ինչպես նշված է 184-րդ կետում:
186. Թույլատրվում է չկատարել առբերումների պաշտպանություն կայծակի ուղիղ հարվածներից ՕԳ-ը կամ բաց հոսանահաղորդիչները մինչև 3 ՄՎտ հզորության էլեկտրաշարժիչներին միակցելու դեպքում, ինչպես նաև մինչև 1 ՄՎտ հզորության դիզելային էլեկտրակայաններին միակցելու դեպքում, որոնք տեղաբաշխված են տարվա ընթացքում մինչև 20 ամպրոպային ժամ ինտենսիվությամբ ամպրոպային գործունեության շրջաններում: Այդ դեպքում`
1) պահանջվում է ՕԳ-ի առբերումների վրա IV խմբի ՓՊ-ի 2 լրակազմ կամ համապատասխան ԳԼՍ-ի տեղակայում 150 մ (ՓՊ2) և 250 մ (ՓՊ1) հեռավորությունների վրա ԵԿ-ի հաղորդաձողերից (նկ. 21.ա): Պաշտպանական ապարատների հողակցման դիմադրությունը պետք է լինի 3 Օմ-ից ոչ ավելի: Հողակցման էջքերն ամենակարճ ուղիով պետք է միացված լինեն ԵԿ-ի կամ էլեկտրակայանի հողակցիչ սարքվածքին.
Նկար 21. Մինչև 3 ՄՎտ հզորությամբ էլեկտրաշարժիչների պաշտպանության սխեմաները փայտյա հենասյուներով ՕԳ-երի մոտեցումների դեպքում:
2) ցանկացած երկարության մալուխային ներդիրի առկայության դեպքում, մալուխից առաջ պետք է տեղակայված լինի IV խմբի ՓՊ կամ համապատասխան ԳԼՍ: Նրանց հողակցիչ սեղմակը պետք է ամենակարճ ուղիով միակցված լինի մալուխի մետաղապատյանին և հողակցիչին (նկ. 21.բ).
3) մալուխային ներդիրների միջոցով էլեկտրաշարժիչներին սնող հաղոդաձողերի վրա պետք է տեղակայված լինեն I խմբի ՓՊ կամ համապատասխան ԳԼՍ և պաշտպանական ունակություններ՝ ֆազի համար 0,5 մկՖ-ից ոչ պակաս.
4) երկաթբետոնե կամ մետաղե հենասյուներով ՕԳ-ի կամ բաց հոսանահաղորդիչների առբերումների վրա ՓՊ-ի տեղակայում չի պահանջվում, եթե առբերման յուրաքանչյուր հենասյան հողակցման դիմադրությունը 250 մ-ից ոչ պակաս երկարության վրա կազմում է 10 Օմ-ից ոչ ավելի:
18. ՊԱՇՏՊԱՆՈՒԹՅՈՒՆ ՆԵՐՔԻՆ ԳԵՐԼԱՐՈՒՄՆԵՐԻՑ
187. 3-ից մինչև 35 կՎ լարման էլեկտրական ցանցերը պետք է աշխատեն մեկուսացված, ռեզիստորի կամ աղեղմարիչ ռեակտորի միջոցով հողակցված չեզոքով: Հողի միաֆազ միակցման ունակային հոսանքի փոխհատուցմամբ 3-ից մինչև 35 կՎ լարման էլեկտրական ցանցերում, հողի նկատմամբ ֆազերի ունակությունների անհամաչափության աստիճանը չպետք է գերազանցի 0,75 տոկոսը: Հողի նկատմամբ ֆազերի ունակությունների հավասարեցումը պետք է իրագործվի հաղորդալարերի վերադասավորմամբ և բարձր հաճախականության կապի կոնդենսատորների բաշխմամբ: Աղեղմարիչ ռեակտորների թիվը և նրանց տեղակայման տեղերը պետք է որոշվեն ցանցի աշխատանքի բնականոն ռեժիմի համար՝ հաշվի առնելով նրա հնարավոր բաժանումները մասերի և հավանական վթարային ռեժիմները`
1) աղեղմարիչ ռեակտորները կարող են տեղակայվել բոլոր ԵԿ-ներում, բացի փակուղայիններից, որոնք էլեկտրական ցանցի հետ կապված են առնվազն 2 էլեկտրահաղորդման գծով: Ռեակտորների տեղակայում փակուղային ԵԿ-ում չի թույլատրվում.
2) չի թույլատրվում աղեղմարիչ ռեակտորները միացնել այն տրանսֆորմատորների չեզոքներին, որոնք միակցված են հաղորդաձողերին ապահովիչի միջոցով: Աղեղմարիչ ռեակտորների հզորությունն ընտրվում է հողին միակցման լրիվ ունակային հոսանքի արժեքին համապատասխան՝ հաշվի առնելով ցանցի զարգացումն առաջիկա 10 տարում: Պետք է օգտագործել հողին միակցման ունակային հոսանքի ավտոմատ համալարելի փոխհատուցում:
188. 3-ից մինչև 35 կՎ լարման էլեկտրական ցանցերում հարկավոր է միջոցներ ձեռնարկել ֆեռոռեզոնանսային պրոցեսները և չեզոքի ինքնաբեր շեղումները կանխելու համար: 3-ից մինչև 35 կՎ լարման էլեկտրական ցանցերում, որոնցում կան ստատորի փաթույթի անմիջական ջրային հովացմամբ գեներատորներ (համաժամ փոխհատուցիչներ), գեներատորի մեկուսացման՝ հողի նկատմամբ զգալի ակտիվ հաղորդականության հետևանքով, ֆեռոռեզոնանսային երևույթներից պաշտպանություն չի պահանջվում:
189. Տրանսֆորմատորների (ավտոտրանսֆորմատորների) փաթույթները պետք է պաշտպանված լինեն փոխարկչային գերլարումներից ՓՊ-ի կամ ԳԼՍ-ի օգնությամբ, որոնք տեղակայված են 174-րդ կետի պահանջներին համապատասխան:
190. 330 կՎ և ավելի բարձր լարման ցանցերում, կախված ցանցի սխեմայից, գծերի և տրանսֆորմատորների քանակից, հարկավոր է նախատեսել միջոցառումներ՝ լարումների երկարատև բարձրացումների և ներքին գերլարումների սահմանափակման համար: Քվազիկայունացված և ներքին գերլարումների սահմանափակման անհրաժեշտությունը և պաշտպանության միջոցների հարաչափերը որոշվում են գերլարումների հաշվարկների հիման վրա:
(190-րդ կետը փոփ. 28.07.11 N 1138-Ն)
191. Սարքավորման համար վտանգավոր փոխարկչային գերլարումների սահմանափակման նպատակով հարկավոր է կիրառել համակցված ՓՊ կամ ԳԼՍ, նախամիացվող ռեզիստորներով անջատիչներ, լարման էլեկտրամագնիսական տրանսֆորմատորներ կամ այլ միջոցներ, ինչպես նաև նրանց զուգակցումը լարման երկարատև բարձրացումների սահմանափակման միջոցառումներին (շունտող և փոխհատուցիչ ռեակտորների տեղակայում, սխեմային միջոցառումներ, համակարգային և հակավթարային ավտոմատիկայի, մասնավորապես, լարման բարձրացումից ավտոմատիկայի): Փոխարկումային գերլարումները 330 կՎ և ավելի բարձր լարման ԵԿ-ի հաղորդաձողերի վրա պետք է սահմանափակված լինեն՝ կախված սարքավորման մեկուսացման մակարդակից:
(191-րդ կետը փոփ. 28.07.11 N 1138-Ն)
192. 110-ից մինչև 500 կՎ լարման ԲՍ-ների համար պետք է նախատեսվեն ֆեռոռեզոնանսային գերլարումների երևան գալը բացառող տեխնիկական լուծումներ, որոնք ծագում են լարման էլեկտրամագնիսական տրանսֆորմատորների և անջատիչների լարման ունակային բաժանարարների հաջորդաբար միացումների դեպքում: Մասնավորապես այդ լուծումների թվին են պատկանում. առանց լարման ունակային բաժանարարների անջատիչների կիրառումը, էլեկտրամագնիսական տրանսֆորմատորների փոխարեն ունակայինների կիրառումը, լարման հակառեզոնանսային տրանսֆորմատորների կիրառումը, ԲՍ-ի հաղորդաձողավորման ունակության մեծացումը 1,5-ից 2 անգամ՝ հաղորդաձողերի վրա լրացուցիչ, օրինակ` կապի կոնդենսատորների տեղակայման միջոցով:
(192-րդ կետը փոփ. 28.07.11 N 1138-Ն)
19. ՕԴԱՃՆՇԱԿԱՅԻՆ ՏՆՏԵՍՈՒԹՅՈՒՆ
193. Էլեկտրակայանների և ԵԿ-ների ԲՍ-ի փոխարկչային ապարատներին (օդային անջատիչներին, անջատիչների և բաժանիչների օդաճնշական շարժաբերներին) սեղմված օդ մատակարարելու համար պետք է նախատեսված լինի սեղմված օդի տեղակայանք՝ կազմված մնայուն ճնշակային տեղակայանքից և օդաբաշխիչ ցանցից: Սեղմված օդի տեղակայանքի ցանկացած տարրի նորոգման դեպքում կամ շարքից դուրս գալը չպետք է հանգեցնեն փոխարկչային սարքերի օդամատակարարման խափանմանը:
194. Օդաճնշակային տեղակայանքում չորացված օդի ստացումն իրականացվում է օդի չորացման ջերմադինամիկական եղանակով: Օդաճնշակային և աշխատանքային ճնշման համակարգերը միմյանց հետ պետք է կապված լինեն տարաթողման փականներով: Անջատիչներին ցողի կետի պահանջվող ջերմաստիճանով սեղմված օդ մատակարարելու համար թույլատրվում է լրացուցիչ կիրառել օդի չորացման ֆիզիկա-քիմիական (մակակլանման) եղանակը: Ընդ որում, օդի մաքրման հանգույցների թիվը պետք է լինի երկուսից ոչ պակաս: Նախատեսվում են ճնշման 2 աստիճաններ`
1) օդաճնշակային (բարձրացրած)՝ օդաճնշակների և սեղմված օդի օդահավաքիչ-կուտակիչների համար, որն ընտրվում է փոխարկչային ապարատներում օդի պահանջվող հարաբերական խոնավության ապահովման պայմանից.
2) աշխատանքային (անվանական)՝ օդաբաշխիչ ցանցի համար փոխարկչային ապարատներ տրվող օդի անվանական ճնշմանը համապատասխան:
195. Աշխատանքային ճնշակների ցանկացած թվի դեպքում, ելնելով փոխարկչային ապարատների օդաապահովման հուսալիությունից և կախված տեղական պայմաններից, պետք է նախատեսված լինեն 1 կամ 2 պահուստային ճնշակներ: Նշվածը չի տարածվում օդաճնշակային շարժաբեր ունեցող 1 փոխարկչային ապարատով ԵԿ-ին, որտեղ պետք է տեղակայվեն 2 ճնշակներ, որոնցից մեկը պահուստային: Արդյունաբերական ձեռնարկությունների ԲՍ-ի և ԵԿ-ի փոխարկչային ապարատներին սեղմված օդ մատակարարելու համար թույլատրվում է կազմակերպության օդաճնշական տեղակայանքի օգտագործում՝ նրա կողմից սույն գլխի պահանջները բավարարելու պայմանով: Աշխատանքային ճնշակների արտադրողականությունը պետք է լինի այնպիսին, որպեսզի ապահովի`
1) մինչև 10 ՄՊա ճնշմամբ ճնշակներով տեղակայանքներում.
ա. 0,5 ժ անընդհատ աշխատանք՝ երկժամյա ընդմիջմամբ,
բ. օդահավաքիչներում ճնշման վերականգնում, որն իջել է օդային անջատիչների օդափոխության և ամբողջ համակարգի հոսակորստի շնորհիվ 2 ժամվա ընթացքում, քանի դեռ ճնշակները չեն աշխատում՝ 0,5 ժ ընթացքում,
2) 23 ՄՊա ճնշման ճնշակներում.
ա. 1,5 ժ. անընդհատ աշխատանք երկժամյա ընդմիջմամբ,
բ. օդահավաքիչներում ճնշման վերականգնում (պայմանները համանման են սույն կետի 1-ին ենթակետի «բ» պարբերությունում շարադրվածներին) 1,5 ժ ընթացքում:
196. Աշխատանքային և վթարային ռեժիմներում փոխարկչային ապարատների ամբարներում օդի պակասը լրացնելը պետք է իրագործվի օդաճնշակային ճնշմանն օդահավաքիչներում օդի պաշարի հաշվին: Օդահավաքիչների տարողությունը պետք է ապահովի օդի գումարային ծախսածածկումը (չաշխատող օդաճնշակների դեպքում).
1) աշխատանքային ռեժիմում՝ օդային անջատիչների օդափոխման համար և ամբողջ համակարգի հոսակորուստը՝ 2 ժամվա ընթացքում, քանի դեռ ճնշակները չեն աշխատում: Ընդ որում, ճնշումն օդահավաքիչներում պետք է լինի այնպիսին, որպեսզի ապահովվի օդի պահանջվող խոնավապարունակությունն ապարատների մեջ,
2) վթարային ռեժիմում՝ օդային անջատիչների ամբարներում ճնշման վերականգնման համար (մինչև ամենափոքր թույլատրելի արժեքն ըստ անջատիչների աշխատանքային պայմանների) ամենամեծ թվով անջատիչների անջատման դեպքում, որը հնարավոր է ըստ էլեկտրատեղակայանքների աշխատանքի ռեժիմի՝ հաշվի առնելով ռելեական պաշտպանության և ավտոմատիկայի գործողությունը: Ընդ որում, սեղմված օդի ամենափոքր ճնշումն օդահավաքիչներում պետք է ավելի բարձր լինի սարքերի մեջ սեղմված օդի անվանական ճնշումից.
ա. 30 տոկոսով՝ 10 ՄՊա ճնշմամբ ճնշակներով տեղակայանքներում,
բ. 80 տոկոսով՝ 23 ՄՊա ճնշմամբ ճնշակներով տեղակայանքներում:
197. Հաշվարկներում հարկավոր է ընդունել, որ անջատիչների զանգվածային անջատմամբ վթարային ռեժիմի սկիզբը համընկնում է ճնշակային տեղակայանքն աշխատանքի մեջ պարբերաբար մտցնելու պահի հետ (այսինքն, երբ օդահավաքիչներում ճնշումն իջել է մինչև ճնշակի գործարկման ճնշումը):
198. ԲՍ-ի փոխարկչային ապարատների անվանական ճնշման յուրաքանչյուր արժեքի համար պետք է լինի իր օդաբաշխիչ ցանցը, որը սնվում է երկուսից ոչ պակաս տարաթողման փականներով՝ ճնշակային տեղակայանքից:
199. Տարաթողման փականները օդաբաշխիչ ցանցում և օդային անջատիչների ամբարներում պետք է պահպանեն ճնշումը տրված սահմաններում: Տարաթողման փականների և օդաբաշխիչ ցանցի թողարկային ունակությունը պետք է ապահովի օդի ճնշման վերականգնումը (մինչև թույլատրելի ամենափոքր արժեքը՝ ըստ անջատիչների աշխատանքի պայմանների) անջատիչների ամբարների մեջ, որը կարող է անջատվել անհաջող ԱԿՄ-ի շրջափուլում (այդ թվում՝ կրկնակի ԱԿՄ-ի առկայության դեպքում): Տարաթողման փականը բնականոն ռեժիմում պետք է ապահովի օդի ոչ մեծ քանակի անընդհատ տարաթողում փականից հետո համակարգում հոսակորուստի և օդափոխման վրա ծախսը ծածկելու համար:
200. Տարաթողման փականները պետք է իրագործված լինեն էլեկտրամագնիսական կառավարմամբ: Տարաթողման փականների միացման և անջատման ավտոմատ կառավարումն անհրաժեշտ է իրականացնել ճնշակների աշխատանքի ռեժիմից անկախ: Տարաթողման փականների էլեկտրամագնիսական շարժաբերների կառավարումը հարկավոր է կատարել էլեկտրամագնիսական ճնշաչափերով, որոնք տեղակայվում են ճնշակային տեղակայանքի շինության մեջ:
201. Ճնշակային տեղակայանքը, բացառությամբ օդի մաքրման հանգույցի, պետք է լինի ավտոմատացված և աշխատի առանց մշտական հերթապահ անձնակազմի: Ճնշակային տեղակայանքի կառավարման սխեմայում պետք է նախատեսված լինեն աշխատանքային և պահուստային ճնշակների ավտոմատ գործարկում և կանգ, որոնք օդահավաքիչներում և անջատիչների ամբարներում ապահովում են սահմանված չափով ճնշում, ջրայուղազատիչների ավտոմատ փչամաքրում (խոնավության և յուղի հեռացում), տարաթողման փականների ավտոմատ կառավարում, ճնշակային միացքների պաշտպանություն՝ աշխատանքի բնականոն ռեժիմը խախտվելու դեպքում: Սեղմված օդի տեղակայանքը պետք է սարքավորված լինի ազդանշանմամբ, որը գործում է նրա բնականոն աշխատանքի խախտման դեպքում:
202. Մինչև 0.12 մ3/վրկ արտադրողականությամբ ավտոմատացված ճնշակային տեղակայանքների սարքվածքը ԲՍ-ում կանոնակարգվում է մնայուն ճնշակային տեղակայանքների, օդամբարների և գազատարների սարքվածքի և անվտանգ շահագործման վերաբերյալ արտադրող կազմակերպության հրահանգներով:
203. Օդահավաքիչները պետք է բավարարեն ճնշման տակ աշխատող անոթների սարքվածքի և անվտանգ շահագործման վերաբերյալ արտադրող կազմակերպության հրահանգներով:
204. Օդահավաքիչները պետք է տեղակայվեն ճնշակասենքի պատից առնվազն 1 մ հեռավորության վրա, ցանկալի է ստվերային կողմում: Նրանց վերևում հատուկ ծածկ (արեգակնային ռադիացիայից պաշտպանության համար) չի պահանջվում: Պետք է նախատեսվի ցանկացած օդահավաքիչի տեղակայման և ապատեղակայման հնարավորություն՝ առանց մնացածների բնականոն շահագործման խախտման: Թույլատրվում է օդահավաքիչների տեղակայում այն շենքի առանձին շինության մեջ, որում տեղաբաշխվում է օդային անջատիչներով ՓԲՍ-ը:
205. Ճնշակի ջրայուղազատիչների արտաթողման փականները և 23 ՄՊա գլանանոթի փականները միակցվում են ջրքաշ համակարգին, որը դուրս է բերվում դեպի դրա համար նախատեսված հորան:
206. Ճնշակների բնականոն աշխատանքի համար ճնշակային տեղակայանքի սենքում պետք է պահպանվի +100C-ից ոչ ցածր և +400C-ից ոչ բարձր ջերմաստիճան, որի համար պետք է նախատեսված լինեն ջեռուցում և ներածման-արտածման մեխանիկական օդափոխություն:
207. Օդաբաշխիչ ցանցը պետք է իրագործվի օղակաձև, որը փականներով բաժանվում է հատվածների: Օդատար ցանցի սնումը պետք է կատարվի 2 մայրուղիներով՝ ճնշակային տեղակայանքից:
208 Մինչև 10 ՄՊա ճնշակային տեղակայանքի 2,0 ՄՊա ճնշմամբ օդաբաշխիչ ցանցի պաշտպանության համար պետք է տեղակայված լինեն ապահովիչ կափույրներ, որոնք գործարկվում են օդաբաշխիչ ցանցի սնող մայրուղու 2 գծերում էլ ճնշումը գերազանցելիս:
209. Գծային ջրազատիչները տեղակայվում են մինչև 10 ՄՊա ճնշակային տեղակայանքի 2,0 ՄՊա ճնշմամբ օդաբաշխիչ ցանցի սնող մայրուղու 2 գծերում էլ: Գծային ջրազատիչը պետք է ունենա արտաթողման փական և կցաշուրթերով խողովակապտուկներ՝ առբերման և արտուղման օդատարները միակցելու համար:
210. Բաշխիչ ցանցի օդատարների անցկացումը կարող է կատարվել բաց՝ սարքավորման կոնստրուկցիաների և կանգնակների վրայով, մալուխային թունելներով, անցուղիներով և վաքերով՝ մալուխների հետ համատեղ, իսկ փակ սենքերում՝ նաև պատերով և առաստաղներով:
211. Օդատարները հարկավոր է անցկացնել 0,3 տոկոսից ոչ պակաս թեքությամբ, ստորին կետերում արտաթողման փականների տեղակայմամբ՝ ցանցի փչամաքրման համար: Դեպի ապարատներ ճյուղավորումները հարկավոր է անցկացնել 0,3 տոկոսից ոչ պակաս թեքությամբ՝ գլխավոր մայրուղու ուղղությամբ:
212. Օդատար բաշխիչ ցանցում ջերմաստիճանային ձևախախտումների փոխհատուցման համար պետք է նախատեսված լինեն փոխահատուցիչներ, պատրաստված նույն տրամագծի խողովակներից: Փոխհատուցիչների կառուցվածքը որոշվում է նախագծային կազմակերպության կողմից:
213. Ճնշակային տեղակայանքի, բաշխիչ ցանցի օդատարները և դեպի կառավարման պահարաններ ճյուղավորումները պետք է լինեն պողպատե անկար խողովակներից, ընդ որում 23 ՄՊա ճնշման համար՝ չժանգոտվող պողպատից, օդատարները կառավարման պահարաններից օդային անջատիչների ամբարներին՝ պղնձե խողովակներից. թույլատրվում է քայքայադիմացկուն պողպատից անկար խողովակների կիրառում: Օդատարները պահարանների և զատիչների օդաճնշական շարժաբերների միջև պետք է պատրաստվեն պողպատե խողովակներից: Ճնշակային ճնշման օդատարները, որոնք տեղաբաշխված են ճնշակային տեղակայանքի սենքից դուրս, մինչև օդահավաքիչները և պատի սահմաններում, որոնցով նրանք անցնում են, պետք է ջերմամեկուսացվեն:
214. Պողպատե օդատարները պետք է միացվեն եռակցմամբ` կցվածքով, միացումներն ամրանի հետ՝ կցաշուրթային: 6-8 մմ ներքին տրամագծով խողովակների համար, թույլատրվում է կցաշուրթային միացումներ, կամ միացումներ՝ ներագույցների օգնությամբ:
215. Օդահավաքիչների և գծային ջրազատիչների ներքին մակերևույթները պետք է ունենան հակաքայքայիչ ծածկույթ:
216. Բաց օդում տեղակայվող օդահավաքիչների և գծային ջրազատիչների արտաքին մակերևույթները պետք է ներկված լինեն բաց երանգի կայուն ներկով:
217. Սեղմված օդի տեղակայանքի բոլոր տարրերը պետք է մատչելի լինեն քանդման և մաքրման համար:
20. ՅՈՒՂԱՅԻՆ ՏՆՏԵՍՈՒԹՅՈՒՆ
218. Յուղալեցուն սարքավորման սպասարկման համար պետք է կազմակերպված լինեն կենտրոնացված յուղային տնտեսություններ, որոնք սարքավորված են յուղը ամբարներով պահելու համար, պոմպերով, յուղի մաքրման, չորացման և վերականգնման սարքավորմամբ, շարժական յուղամաքրիչ և գազազրկիչ տեղակայանքներով, յուղի տեղափոխման տարողություններով: Կենտրոնացված յուղային տնտեսությունների տեղադրությունը և ծավալը որոշվում են էներգահամակարգի շահագործման կազմակերպման սխեմայով:
219. Էլեկտրակայաններում, 400 և 500 կՎ լարման բոլոր ԵԿ-ներում, ինչպես նաև 200 ՄՎ.Ա և ավելի հզորության տրանսֆորմատորներով 330 կՎ լարման ԵԿ-ներում նախատեսվում են յուղային տնտեսություններ, որոնք կազմված են յուղի պահեստից և յուղային տնտեսության արհեստանոցից՝ յուղի մշակման և վերլուծության սարքավորմամբ: Այդպիսի յուղային տնտեսությունների պահեստները ԵԿ-ում պետք է ունենան մեկուսիչային յուղի 3 պահեստարան.
1) յուրաքանչյուր պահեստարանի տարողությունը պետք է լինի 1 խոշոր տրանսֆորմատորի տարողությունից ոչ պակաս՝ 10 տոկոս պաշարով,
2) կախված էներգահամակարգի՝ յուղի մշակման շարժական տեղակայանքներով հագեցվածությունից և ԵԿ-ի ու էներգահամակարգի կենտրոնացված յուղային տնտեսության միջև տրանսպորտային կապերից` յուղային տնտեսության արհեստանոցը կարող է հագեցվել յուղի մշակման ոչ բոլոր մնայուն տեղակայանքերով կամ բոլորովին չկառուցվել: Վերջին դեպքում անհրաժեշտ է նախատեսել յուղային տնտեսության ապարատասենք հավաքիչով՝ մեկուսիչային յուղի շարժական յուղամշակող տեղակայանքները միակցելու համար:
(219-րդ կետը խմբ. 28.07.11 N 1138-Ն)
220. Համաժամ փոխհատուցիչներով ԵԿ-ում պետք է կառուցվեն տուրբինային յուղի 2 մնայուն պահեստարաններ՝ անկախ մեկուսիչային յուղի պահեստարանների քանակից և ծավալից: Տուրբինային և մեկուսիչային յուղի համակարգերը պետք է լինեն անկախ: Յուրաքանչյուր պահեստարանի ծավալը պետք է լինի տվյալ ենթակայանում տեղակայված ամենամեծ համաժամ փոխհատուցիչի յուղային համակարգի ծավալի 110 տոկոսից ոչ պակաս:
221. Մնացած ԵԿ-ում, բացի 219-րդ և 220-րդ կետերում նշվածներից, յուղային տնտեսություն և յուղապահեստներ չպետք է կառուցվեն: Չոր յուղի առաքումը նրանց իրականացվում է շարժական տարողություններով կամ ավտոցիստեռններով՝ կենտրոնացված յուղային տնտեսություններից:
222. Արդյունաբերական կազմակերպությունների ԵԿ-ի սեփական յուղային տնտեսության նախագծումը պետք է կատարվի սույն բաժնի և գերատեսչական նորմերի պահանջներին համապատասխան:
223. Յուղի պահեստների բաց ամբարներից հեռավորությունները պետք է լինեն ոչ պակաս.
1) մինչև էլեկտրակայանների և ԵԿ-ի շենքերն ու կառույցները (այդ թվում՝ մինչև տրանսֆորմատորային արհեստանոցը). 12 մ-ից՝ 100 տ յուղի տարողությամբ պահեստների համար, 18 մ-ից՝ 100 տ-ից ավելի պահեստների համար,
2) մինչև բնակելի և հասարակական շենքերը՝ 25 տոկոսով ավելի՝ 1-ին ենթակետում նշվածներից,
3) մինչև յուղային տնտեսության ապարատասենքը՝ 8 մ-ից,
4) մինչև ջրածնի բալոնների պահեստը՝ 20 մ-ից,
5) մինչև ԵԿ-ի արտաքին ցանկապատ. 6,5 մ-ից՝ պահպանական պարագծային ազդանշանման սարքվածքի դեպքում, 4 մ-ից՝ մնացած դեպքերում:
21. ՈՒԺԱՅԻՆ ՏՐԱՆՍՖՈՐՄԱՏՈՐՆԵՐԻ ԵՎ ՌԵԱԿՏՈՐՆԵՐԻ ՏԵՂԱԿԱՅՈՒՄԸ
224. Սույն գլխի պահանջները տարածվում են 3 կՎ և ավելի բարձր լարման տրանսֆորմատորների (ավտոտրանսֆորմատորների), կարգավորիչ տրանսֆորմատորների և յուղալեցուն ռեակտորների՝ սենքերում և բացօդյա մնայուն տեղակայման վրա, և չեն տարածվում հատուկ նշանակության էլեկտրատեղակայանքների վրա: Սույն գլխում նշված տրանսֆորմատորները, ավտոտրանսֆորմատորները և ռեակտորներն անվանվում են «տրանսֆորմատորներ» տերմինով: Տրանսֆորմատորների օժանդակ սարքավորման (հովացման համակարգի էլեկտրաշարժիչների, հսկիչ-չափիչ ապարատների, կառավարման սարքվածքների) տեղակայումը պետք է բավարարի սույն կանոնակարգի համապատասխան գլուխների պահանջները: 238-րդ և 239-րդ կետերի պահանջները չեն վերաբերվում մինչև 35 կՎ բարձր լարման ԼՏԵ-ի մեջ մտնող տրանսֆորմատորների տեղակայմանը:
225. Ցուրտ կլիմայով, բարձր սեյսմիկությամբ տարածաշրջաններում պետք է կիրառվեն համապատասխան կատարման տրանսֆորմատորներ:
226. Տրանսֆորմատորների տեղակայումը պետք է ապահովի նրա զննման հարմար և անվտանգ պայմաններ՝ առանց լարումը հանելու:
227. 35-ից մինչև 500 կՎ լարման ուժային տրանսֆորմատորների հիմքերը պետք է նախատեսեն նրանց տեղակայումն անմիջականորեն հիմքի վրա, առանց սայլակների (գլանվակների) և ռելսերի: Տրանսֆորմատորների նորոգման համար մնայուն սարքվածքներ (աշտարակներ) ունեցող ենթակայաններում, ինչպես նաև փակ սենքերում տրանսֆորմատորների տեղաբաշխմամբ ենթակայաններում տրանսֆորմատորները հարկավոր է տեղակայել սայլակների (գլանվակների) վրա: Սեյսմակայուն տրանսֆորմատորները տեղակայվում են անմիջականորեն հիմքի վրա՝ ամրացնելով հիմքի միջադիրային տարրերին՝ հորիզոնական և ուղղաձիգ ուղղություններով նրանց շեղումները կանխելու համար: Տրանսֆորմատորների հիմքերի վրա պետք է նախատեսված լինեն տեղեր՝ ամբարձիկների տեղակայման համար:
(227-րդ կետը փոփ. 28.07.11 N 1138-Ն)
228. Յուղային տրանսֆորմատորի թեքությունը, որն անհրաժեշտ է գազային ռելե գազի մուտքն ապահովելու համար, պետք է ստեղծվի տակդիրների տեղակայմամբ:
229. Ընդարձակիչն առանձին կոնստրուկցիայի վրա տեղակայելիս այն պետք է դասավորվի այնպես, որ չխոչընդոտի հիմքից տրանսֆորմատորի գլորահանմանը: Այդ դեպքում գազային ռելեն պետք է դասավորվի տրանսֆորմատորի մոտակայքում՝ մնայուն սանդուղքից հարմար և անվտանգ սպասարկման սահմաններում: Ընդարձակիչի տեղակայման համար կարող է օգտագործվել տրանսֆորմատորի բջջի ճակատամուտքը:
230. Տրանսֆորմատորները պետք է տեղակայել այնպես, որ յուղի արտանետման պաշտպանական սարքվածքի անցքն ուղղված չլինի մոտ տեղակայված սարքավորման վրա: Սարքավորման պաշտպանության համար թույլատրվում է արգելափակոցային վահանի տեղակայում տրանսֆորմատորի և սարքավորման միջև:
231. 20 տ-ից ավելի զանգվածով տրանսֆորմատորների գլորհանման ուղիների երկայնքով, ինչպես նաև հիմքերի մոտ, պետք է նախատեսված լինեն խարիսխներ, որոնք թույլ են տալիս նրանց ամրացնել կարապիկները, ուղղորդ ճախարակները, բազմաճախարակները, որոնք օգտագործվում են տրանսֆորմատորները 2 ուղղություններով գլորահանման ժամանակ: Շարժման ուղղությունը փոխվելու տեղերում պետք է նախատեսված լինեն ամբարձիկների տեղակայման տեղեր:
232. Հեռավորությունները հորիզոնական բաց տեղակայված տրանսֆորմատորների միջև որոշվում են տեխնոլոգիական պահանջներով և պետք է լինեն 1,25 մ-ից ոչ պակաս:
233. Բաց տեղակայված 110 կՎ և բարձր լարման 63 ՄՎ.Ա և ավելի միավոր հզորությամբ տրանսֆորմատորների միջև բաժանարար միջնորմներ պետք է նախատեսված լինեն.
1) տրանսֆորմատորների (ռեակտորների) միջև, ինչպես նաև նրանց և ցանկացած հզորության, ներառյալ կարգավորիչ և սեփական կարիքների տրանսֆորմատորների միջև 15 մ-ից պակաս հեռավորությունների դեպքում.
2) տրանսֆորմատորների միջև 25 մ-ից պակաս հեռավորության դեպքում, որոնք տեղակայված են էլեկտրակայանների արտաքին պատերի երկայնքով, պատերից 40 մ-ից պակաս հեռավորության վրա.
3) բաժանարար միջնորմերը պետք է ունենան 1,5 ժ-ից ոչ պակաս հրակայունության աստիճան, լայնությունը՝ յուղընդունիչի լայնությունից ոչ պակաս, և բարձրությունը՝ ամենաբարձր տրանսֆորմատորի ամենաբարձր լարման ներանցիչների բարձրությունից ոչ պակաս: Միջնորմները պետք է տեղակայվեն յուղընդունիչի սահմաններից դուրս: Հեռավորությունը տրանսֆորմատորի և միջնորմի միջև, պետք է լինի 1,5 մ-ից ոչ պակաս: Նշված հեռավորություններն ընդունվում են մինչև տրանսֆորմատորների առավել ցցուն մասերը: Եթե սեփական կարիքների կամ կարգավորիչ տրանսֆորմատորները տեղակայված են ուժային տրանսֆորմատորների հետ, որոնք սարքավորված են հրդեհաշիջման ավտոմատ մնայուն սարքվածքով և միակցված են ուժային տրանսֆորմատորի ներքին վնասվածքներից պաշտպանության գոտու մեջ, ապա թույլատրվում է բաժանարար միջնորմի փոխարեն իրագործել սեփական կարիքների կամ կարգավորիչ տրանսֆորմատորի հրդեհաշիջման ավտոմատ մնայուն տեղակայանք՝ միավորված ուժային տրանսֆորմատորի հրդեհաշիջման տեղակայանքի հետ. այս դեպքում թույլատրվում է ընդհանուր յուղընդունիչի կառուցում:
234. Կարգավորիչ տրանսֆորմատորները պետք է տեղակայվեն կարգավորվող ավտոտրանսֆորմատորներին շատ մոտ, բացառությամբ այն դեպքերի, երբ ավտոտրանսֆորմատորի և կարգավորիչ տրանսֆորմատորի միջև նախատեսվում է հոսանասահմանափակիչ ռեակտորի տեղակայում:
235. Հրդեհաշիջման ավտոմատ տեղակայանքներով պետք է հագեցվեն.
1) 330 կՎ և ավելի բարձր լարման՝ անկախ հզորությունից և 220 կՎ լարման ու 200 ՄՎ.Ա-ից բարձր հզորության տրանսֆորմատորները.
2) 110 կՎ և բարձր լարման, 63 ՄՎ.Ա և ավելի հզորության տրանսֆորմատորները, որոնք տեղակայվում են ենթակայանների խցերում և ՀԷԿ-երի շենքերի մոտ.
3) 110 կՎ և բարձր լարման ցանկացած հզորության տրանսֆորմատորները, որոնք տեղակայվում են ՀԷԿ-երի և հիդրոկուտակչային էլեկտրակայանների ստորգետնյա սենքերում:
236. Հրդեհաշիջման տեղակայանքի գործարկումը իրագործվում է ավտոմատ, ձեռքով և հեռագործ՝ կառավարման վահանից: Ձեռքով գործարկման սարքվածքը պետք է տեղաբաշխված լինի տեղակայանքի մոտակայքում, հրդեհի դեպքում անվտանգ տեղում: Միաֆազ տրանսֆորմատորների խմբի հրդեհաշիջման տեղակայանքի միացումը պետք է կատարվի միայն վնասված ֆազերի վրա:
237. Յուրաքանչյուր յուղային տրանսֆորմատոր, որը տեղաբաշխվում է սենքի մեջ, հարկավոր է տեղակայել առաջին հարկում գտնվող առանձին խցի մեջ (բացառություն է 116-րդ կետը): Թույլատրվում է յուղային տրանսֆորմատորների տեղակայում երկրորդ հարկում, ինչպես նաև առաջին հարկի հատակից ցածր՝ չհեղեղվող գոտիներում, դեպի դուրս տրանսֆորմատորների տեղափոխման հնարավորության ապահովման և վթարային դեպքերում յուղի հեռացման հնարավորության ապահովման պայմանի դեպքում՝ 121-րդ կետում բերված պահանջներին համապատասխան այնպես, ինչպես յուղի 600 կգ-ից ավելի ծավալով տրանսֆորմատորների համար.
1) շինությունների ներսում տրանսֆորմատորները երկրորդ հարկից բարձր կամ առաջին հարկի հատակից 1 մ-ից ավելի ցածր տեղակայելու անհրաժեշտության դեպքում, նրանք պետք է լինեն չայրվող, էկոլոգիապես մաքուր դիէլեկտրիկից կամ չոր՝ կախված շրջակա միջավայրի պայմաններից և արտադրության տեխնոլոգիայից: Տրանսֆորմատորները սենքերի ներսում տեղաբաշխելիս հարկավոր է ղեկավարվել նաև 103-րդ կետով.
2) թույլատրվում է, յուրաքանչյուրը յուղի մինչև 3 տ ծավալով 2 տրանսֆորմատորների տեղակայում 1 ընդհանուր խցում, որոնք ունեն ընդհանուր նշանակություն, կառավարում, պաշտպանություն և դիտարկվում են որպես 1 միացք.
3) չոր և չայրվող լցվածքով տրանսֆորմատորները տեղակայվում են 136-րդ կետի 4-րդ ենթակետին համապատասխան:
238. Շինությունների ներսում տեղակայվող, հատակից 1,9 մ և պակաս բարձրության վրա դասավորված տրանսֆորմատորների առավել ցցուն մասերից հեռավորությունները պետք է լինեն.
1) մինչև հետին և կողային պատերը. 0,3 մ-ից ոչ պակաս՝ մինչև 0,63 ՄՎ.Ա հզորության տրանսֆորմատորների համար և 0,6 մ-ից ոչ պակաս՝ ավելի մեծ հզորության տրանսֆորմատորների համար,
2) մուտքի կողմից մինչև դռան փեղկը կամ պատի ցցուն մասերը. 0,6 մ-ից ոչ պակաս՝ մինչև 0,63 ՄՎ.Ա հզորության տրանսֆորմատորների համար, 0,8 մ-ից ոչ պակաս՝ մինչև 1,6 ՄՎ.Ա հզորության տրանսֆորմատորների համար և 1 մ-ից ոչ պակաս՝ 1,6 ՄՎ.Ա-ից ավելի հզորության տրանսֆորմատորների համար:
239. Յուղային տրանսֆորմատորների խցերի հատակը պետք է ունենա 2 տոկոս թեքություն` դեպի յուղընդունիչի կողմը:
240. Տրանսֆորմատորների խցում կարող են տեղակայվել նրանց վերաբերվող զատիչները, ապահովիչները և բեռնվածքի անջատիչները, ԳԼՍ, հողակցիչ աղեղմարիչ ռեակտորները, ինչպես նաև հովացման համակարգի սարքավորումը:
241. Յուղային տրանսֆորմատորների յուրաքանչյուր խուց պետք է ունենա ելք դեպի դուրս կամ Գ կամ Դ կարգի հարակից սենք:
242. Հեռավորությունը հորիզոնականով ներկառույց կամ կցակառույց ԵԿ-ի տրանսֆորմատորային խցի դարպասների որմնանցքից մինչև շինության մերձավոր պատուհանի կամ դռան որմնանցք պետք է լինի 1 մ-ից ոչ պակաս: 0,25 ՄՎ.Ա և ավելի հզորության տրանսֆորմատորների գլորհանումը խցերից՝ շենքերի միջև 5 մ-ից պակաս լայնության ներքին երթանցներ, չի թույլատրվում: Այս պահանջը չի տարածվում արտադրական սենքերի ներսում այն խցերի վրա, որոնք դուրս են գալիս դեպի անցամաս կամ երթանց:
243. Տրանսֆորմատորների խցերի օդափոխության համակարգը պետք է ապահովի նրանց անջատած ջերմության (տես 122-րդ կետը) հեռացումը և չպետք է կապված լինի օդափոխության այլ համակարգերի հետ.
1) օդափոխության անցուղիների և հորանների պատերը պետք է պատրաստված լինեն առնվազն 45 րոպեանոց հրակայունության սահմանով նյութից: Օդափոխության հորանները և որմնանցքերը պետք է տեղաբաշխված լինեն այնպես, որպեսզի նրանց մեջ խոնավության առաջացման կամ թափանցելու դեպքում այն չկարողանա հոսել դեպի տրանսֆորմատորներ կամ պետք է միջոցներ ձեռնարկվեն տրանսֆորմատորը հորանից թափանցող խոնավությունից պաշտպանելու համար,
2) օդափոխության որմնանցքերը պետք է ծածկված լինեն ցանցերով՝ (10x10) մմ-ից ոչ մեծ չափսերով բջիջներով և պաշտպանված լինեն նրանց միջով անձրևի և ձյան թափանցումից:
244. Յուղային տրանսֆորմատորների խցերի արտածծման հորանները, որոնք կցակառույց են այրվող նյութից տանիք ունեցող շենքերին, պետք է շենքի պատերից հեռացնել ոչ պակաս, քան 1,5 մ կամ կոնստրուկցիաները տանիքի այրվող նյութերից պետք է պաշտպանված լինեն չայրվող նյութից պատրաստված քիվապատով՝ 0,6 մ-ից ոչ պակաս բարձրությամբ: Հորանների դուրս բերումը շենքի տանիքից բարձր այս դեպքում պարտադիր չէ.
1) օդաքաշ հորանների անցքերը չպետք է տեղաբաշխվեն շենքերի լուսամուտների որմնանցքերի դիմաց: Անմիջականորեն խցի պատի մեջ ելքային օդափոխիչ անցքեր բացելիս նրանք չպետք է տեղաբաշխվեն տանիքի այրվող նյութից պատրաստված ցցվող տարրերի տակ կամ շենքի պատի որմնանցքերի տակ, որին հարում է խուցը,
2) եթե տրանսֆորմատորի խցի դռան կամ ելքային օդափոխիչ անցքի վերևում կա լուսամուտ, ապա նրա տակ հարկավոր է չայրվող նյութից սարքավորել 0,7 մ-ից ոչ պակաս լայնքով հովար: Հովարի երկարությունը պետք է մեծ լինի լուսամուտի լայնությունից՝ յուրաքանչյուր կողմից առնվազն 0,8 մ-ով:
245. Հարկադրական հովացման համակարգով տրանսֆորմատորները պետք է մատակարարված լինեն հովացման համակարգի ինքնավար գործարկման և կանգի սարքվածքներով: Ինքնավար գործարկումը պետք է իրագործվի՝ կախված յուղի վերին շերտերի ջերմաստիճանից և դրանից անկախ, ըստ տրանսֆորմատորի բեռնվածքի հոսանքի:
246. Դուրս բերված հովացման սարքվածքներ կիրառելու դեպքում դրանք պետք է տեղաբաշխվեն այնպես, որ չխոչընդոտեն տրանսֆորմատորի գլորհանմանը հիմքից և թույլ տան նրանց սպասարկումը տրանսֆորմատորն աշխատելիս: Փչող օդամուղերից օդի հոսքը չպետք է ուղղված լինի տրանսֆորմատորի բաքի վրա:
247. Հովացուցիչ սարքվածքների սողնակների տեղաբաշխումը պետք է ապահովի հարմար մոտեցում նրանց, հովացման համակարգից տրանսֆորմատորի կամ առանձին հովացուցիչից անջատման, և տրանսֆորմատորի գլորհանման հնարավորություն՝ առանց հովացուցիչներից յուղը դատարկելու:
248. Հովացուցիչ աշտարակները, մակակլանիչները և մյուս սարքավորումը, որոնք տեղակայվում են հովացման Կ (կենտրոնացված) ՕՖՎՖ (OFWF) համակարգում, պետք է տեղաբաշխվեն այն շինության մեջ, որտեղ ջերմաստիճանը չի իջնում +50C-ից: Ընդ որում, պետք է ապահովված լինի մակակլանիչի փոխարինում տեղում:
249. Հովացման ԱԿ (ապակենտրոնացված) ՕՖԱՖ (OFAF) և Կ ՕՖՎՖ (OFWF) համակարգերի արտաքին յուղատարները պետք է պատրաստվեն չժանգոտվող պողպատից կամ կոռոզիայի նկատմամբ կայուն նյութերից: Յուղատարների տեղաբաշխումը տրանսֆորմատորների մոտ չպետք է դժվարացնի տրանսֆորմատորների և հովացուցիչների սպասարկումը և պետք է ապահովի նվազագույն աշխատածախս՝ տրանսֆորմատորը գլորհանելիս: Անհրաժեշտության դեպքում պետք է նախատեսված լինեն հարթակներ և սանդուղքներ, որոնք կապահովեն հարմար մոտեցում սողնակներին և փչող օդամուղներին:
250. Առանձին հովացուցիչներից կազմված, հովացման դուրս բերված համակարգի դեպքում 1 շարքով տեղաբաշխված միայնակ կամ կրկնակ հովացուցիչները պետք է տեղակայվեն ընդհանուր հիմքի վրա: Խմբային հովացուցիչ տեղակայանքները կարող են տեղաբաշխվել ինչպես անմիջականորեն հիմքի, այնպես էլ հիմքի վրա անցկացված ռելսերի վրա, եթե նախատեսվում է այդ տեղակայանքների գլորահանում իրենց գլդոնների վրա:
251. Հովացման ԱԿ՝ ՕՖԱՖ (OFAF), ՕԴԱՖ (ODAF) և Կ՝ ՕՖՎՖ (OFVF) համակարգերի էլեկտրաշարժիչների կառավարման պահարանները պետք է տեղակայվեն յուղընդունիչի սահմաններից դուրս: Թույլատրվում է հովացման Դ՝ ՕՆԱՖ (ONAF) համակարգի կառավարման պահարանի կախում տրանսֆորմատորի բաքի վրա, եթե պահարանը հաշվարկված է տրանսֆորմատորի ստեղծած թրթռման պայմաններում աշխատանքի համար:
252. Հարկադրական հովացման համակարգով տրանսֆորմատորները պետք է սարքավորված լինեն յուղի, հովացնող ջրի շրջապտույտի դադարեցման կամ փչող օդամուղի կանգի, ինչպես նաև պահուստային հովացուցիչի կամ սնման պահուստային աղբյուրի ինքնավար միացման կամ անջատման մասին ազդանշանմամբ:
253. Բեռնվածքի տակ լարման կարգավորման սարքվածքների շարժաբերների պահարանների և տրանսֆորմատորների հովացման համակարգի ինքնավար կառավարման պահարանների համար պետք է նախատեսվի ինքնավար կառավարմամբ էլեկտրական տաքացում:
254. Տրանսֆորմատորների պլանային-նախազգուշական նորոգումը ենթակայաններում հարկավոր է նախատեսել նրանց տեղակայման տեղում՝ ավտոամբարձիչի կամ գույքային սարքվածքների միջոցով: Ընդ որում, յուրաքանչյուր տրանսֆորմատորի կողքին պետք է նախատեսված լինի հարթակ՝ հաշվարկված այն տարրերի տեղաբաշխման համար, որոնք հանված են նորոգվող տրանսֆորմատորից, ճոպանասարքի հանդերձանքի և սարքավորման համար, որն անհրաժեշտ է նորոգման աշխատանքների համար: ԵԿ-ի նեղված պայմաններում թույլատրվում է նախատեսել նորոգման 1 հարթակ՝ կառուցելով դեպի այն գլորահանման ուղիներ: Հեռավոր և դժվարամատչելի շրջաններում տեղաբաշխված ԵԿ-ում հարկավոր է նախատեսել համատեղված ճակատամուտքեր:
255. Տրանսֆորմատորները էլեկտրակայանի մեքենայական սենքի երկայնքով բաց տեղակայելու դեպքում պետք է ապահովված լինի տրանսֆորմատորների՝ դեպի նորոգման վայր գլորհանման հնարավորություն՝ առանց տրանսֆորմատորի կազմատման, ներանցիչները հանելու և հոսանատարների նեցուկային կոնստրուկցիաների, ճակատամուտքերի հաղորդաձողային կամուրջների քանդման:
256. Տրանսֆորմատորային աշտարակի ամբարձիչի բեռնունակությունը պետք է հաշվարկված լինի տրանսֆորմատորի բաքի հանովի մասի զանգվածի համար:
257. Ենթակայաններում տրանսֆորմատորների գլորհանման երկայնական ուղիներ պետք է նախատեսվեն.
1) մերձատար երկաթուղու առկայության դեպքում,
2) տրանսֆորմատորների նորոգման համար աշտարակի առկայության դեպքում,
3) ավտոտրանսֆորմատորի պահուստային ֆազը վթարի դեպքում գլորհանման եղանակով աշխատանքի մեջ մտցնելիս, եթե այն հիմնավորված է այլ եղանակների հետ համեմատած:
IV. ԿԵՐՊԱՓՈԽԻՉ ԵՆԹԱԿԱՅԱՆՆԵՐ ԵՎ ՏԵՂԱԿԱՅԱՆՔՆԵՐ
22. ԸՆԴՀԱՆՈՒՐ ՊԱՀԱՆՋՆԵՐ
258. Կերպափոխիչ միացքի առանձին տարրերի լարման դասը, որին համապատասխան սահմանվում են թույլատրելի նվազագույն հեռավորությունները լարման տակ գտնվող մասերի միջև, այդ մասերից մինչև հողը, ցանկապատերը, ինչպես նաև անցումների լայնությունը, դռների ուղեկապման սարքման անհրաժեշտությունը որոշվում են՝
1) տրանսֆորմատորների, ավտոտրանսֆորմատորների, ռեակտորների համար՝ ըստ յուրաքանչյուր 2 արտանցիչների, ինչպես նաև յուրաքանչյուր արտանցիչի և այդ սարքերի հողակցված դետալների միջև լարման առավելագույն գործող արժեքի,
2) կիսահաղորդչային կերպափոխիչի համար՝ ըստ փոփոխական հոսանքի կողմի յուրաքանչյուր 2 արտանցիչների միջև լարման առավելագույն գործող արժեքի:
Կերպափոխիչից, տրանսֆորմատորից, ռեակտորից և այլն, կազմված և ընդհանուր իրանի մեջ տեղակայված լրակազմ սարքվածքի լարման դասը որոշվում է 1-ին և 2-րդ ենթակետերում նշված լարումների առավելագույն արժեքներով:
259. Արդյունաբերական սպառողների սնման համար նախատեսված կերպափոխիչ ենթակայաններում և տեղակայանքներում պետք է կիրառվեն կիսահաղորդչային կերպափոխիչներ:
260. Կերպափոխիչ ենթակայաններում և տեղակայանքներում պետք է նախատեսված լինեն միջոցներ՝ սահմանափակելու համար.
1) ենթակայանի (տեղակայանքի) ազդեցությունը սնող ցանցում էլեկտրական էներգիայի որակի վրա՝ մինչև ԳՕՍՏ 13109-ում բերված արժեքները;
2) ենթակայանի (տեղակայանքի) ստեղծած ռադիոխանգարումները՝ մինչև արդյունաբերական թույլատրելի ռադիոխանգարումների նորմերում բերված արժեքները:
261. Կերպափոխիչ ենթակայաններում և տեղակայանքներում հարկ է նախատեսել տեխնիկատնտեսական հաշվարկով որոշվող ծավալով ռեակտիվ հզորության փոխհատուցման սարքվածքներ:
262. Կերպափոխիչ ենթակայանների և տեղակայանքների սեփական կարիքների սնման պահուստավորման աստիճանը պետք է համապատասխանի կերպափոխիչ միացքների սնման պահուստավորման աստիճանին:
263. Կերպափոխիչ ենթակայաններն ու տեղակայանքները պետք է սարքավորված լինեն հեռախոսային կապով, ինչպես նաև հրդեհային ազդասարքով և ազդանշանման այլ տեսակներով, որոնք պահանջվում են ըստ նրանց աշխատանքի պայմանների:
264. Կերպափոխիչ ենթակայաններն ու տեղակայանքները պետք է սարքավորված լինեն էլեկտրասարքավորումը շարժական ճնշակից կամ սեղմված օդի ցանցից՝ չոր, փոշուց մաքրված և յուղազուրկ, 0,2 ՄՊա-ից ոչ ավելի ճնշմամբ սեղմված օդով փչամաքրելու սարքվածքներով, ինչպես նաև արդյունաբերական շարժական փոշեծծիչներով:
265. Կերպափոխիչների և այլ սարքավորումների տեղակայման, քանդման և հավաքման համար պետք է նախատեսել գույքային (մնայուն կամ շարժական) ամբարձիչ-տրանսպորտային սարքվածքներ:
266. Կերպափոխիչ ենթակայաններում ու տեղակայանքներում պետք է նախատեսված լինեն սնման կետեր՝ տանովի էլեկտրագործիքների, սենքերի մաքրման մեքենաների և տանովի լուսատուների համար. տանովի լուսատուների սնման համար պետք է կիրառել 42 Վ-ից ոչ բարձր լարում:
23. ԿԵՐՊԱՓՈԽԻՉ ՄԻԱՑՔՆԵՐԻ ՊԱՇՏՊԱՆՈՒԹՅՈՒՆԸ
267. Կերպափոխիչ միացքի տրանսֆորմատորը, կախված տիպային հզորությունից և առաջնային լարումից, պետք է սարքավորված լինի պաշտպանության հետևյալ սարքվածքներով.
1) ակնթարթային գործողության առավելագույն հոսանային, անջատման վրա գործող պաշտպանություն՝ տրանսֆորմատորի փաթույթներում և արտանցումների վրա բազմաֆազ միակցումներից և, եթե հնարավոր է կերպափոխիչում՝ ԿՄ-ից.
ա. պաշտպանությունը ըստ գործարկման հոսանքի, պետք է կարգաբերված լինի չբեռնավորված տրանսֆորմատորը միացնելու դեպքում մագնիսացման հոսանքի ցնցումներից և բեռնվածքի հոսանքի հնարավոր ցնցումներից,
բ. պաշտպանությունը, որպես կանոն, պետք է լինի ընտրողական՝ ուղղված լարման կողմում ինքնավար անջատիչների նկատմամբ և կիսահաղորդչային կերպափոխիչների ապահովիչների նկատմամբ,
գ. պետք է ապահովված լինի պաշտպանության գործարկումը տրանսֆորմատորի երկրորդային լարման բոլոր արժեքների դեպքում՝ տրանսֆորմացիայի գործակցի հնարավոր արժեքների համար,
դ. 1 կՎ-ից բարձր առաջնային լարմամբ տեղակայանքներում, առավելագույն հոսանային պաշտպանությունը պետք է կատարվի երկֆազ, եռառելե կատարմամբ,
ե. մինչև 1 կՎ առաջնային լարմամբ տեղակայանքներում տրանսֆորմատորների պաշտպանությունը հարկ է կատարել ինքնավար անջատիչով, որն ունի առավելագույն հոսանային շղթայազատիչներ 2 ֆազերում՝ առաջնային լարման ցանցի մեկուսացված չեզոքի դեպքում և 3 ֆազերում` խուլ հողակցված չեզոքի դեպքում,
2) գազային պաշտպանություն՝ ներքին վնասվածքներից և տրանսֆորմատորի մեջ յուղի մակարդակի իջեցումից.
ա. գազային պաշտպանություն պետք է տեղակայվի 1 ՄՎ.Ա և ավելի հզորության տրանսֆորմատորների վրա, իսկ ներարտադրամասային կերպափոխիչ ենթակայանների և տեղակայանքների համար՝ 0,4 ՄՎ.Ա և ավելի հզորության տրանսֆորմատորների վրա,
բ. գազային պաշտպանությունը պետք է գործի ազդանշանի վրա՝ թույլ գազագոյացման և յուղի մակարդակի իջեցման դեպքում և անջատման վրա՝ ինտենսիվ գազագոյացման դեպքում,
գ. սպասարկող անձնակազմի առկայությունից կամ ազդանշանից հետո նրա ժամանելու ժամկետից, ինչպես նաև գազային ռելեի կառուցվածքից կախված, կարելի է նախատեսել պաշտպանություն անջատման վրա՝ յուղի մակարդակի հետագա իջեցման դեպքում,
դ. յուղի մակարդակի իջեցումից պաշտպանության համար կարող է կիրառվել մակարդակի առանձին ռելե՝ տրանսֆորմատորի ընդարձակիչի մեջ,
3) հերմետիկ տրանսֆորմատորների ճնշման բարձրացումից պաշտպանություն (ճնշման ռելե), որը գործում է ազդանշանի վրա՝ մինչև 0,63 ՄՎ.Ա հզորության տրանսֆորմատորների համար և անջատման վրա՝ 0,63 ՄՎ.Ա-ից ավելի հզորության տրանսֆորմատորների համար,
4) գերլարումներից պաշպանություն տրանսֆորմատորի երկրորդային լարման կողմում՝ 600 Վ և ավելի ուղղված լարման դեպքում,
5) ծակվող ապահովիչով՝ տեղակայված չեզոքում կամ ֆազի վրա, տրանսֆորմատորի ցածր լարման կողմում, մինչև 1 կՎ երկրորդային լարման դեպքում:
268. Անջատման վրա գործող պաշտպանության սարքվածքները պետք է ներգործեն տրանսֆորմատորի առաջնային լարման կողմում տեղակայված անջատիչի վրա և անհրաժեշտության դեպքում ինքնավար անջատիչի վրա՝ կերպափոխիչ միացքի ուղղված լարման կողմում:
269. Կիսահաղորդչային կերպափոխիչը, կախված հզորությունից, ուղղված լարման արժեքից, աշխատանքի տիպից, նշանակումից և ռեժիմից, ի լրումն 267-րդ կետում նշված պաշտպանությունների, պետք է սարքավորված լինի.
1) արագագործ ապահովիչներով յուրաքանչյուր զուգահեռ ճյուղում՝ առանձին կամ հաջորդաբար միացված մի քանի վենտիլների պաշտպանության համար: Երկու կամ ավելի ապահովիչների այրման դեպքում պետք է կատարվի կերպափոխիչ միացքի ինքնավար անջատում: Պետք է նախատեսել ապահովիչների այրվելը ազդանշանող սարք,
2) արագագործ չբևեռացված ինքնավար անջատիչով՝ 1 բևեռում, ուղղված լարման կողմում՝ կերպափոխիչից հետո միջբևեռային միակցումներից պաշտպանության համար, և դարձկեն կերպափոխիչ միացքներում ինվերտորների (շրջիչների) շրջումից պաշտպանության համար՝ բլոկ-կերպափոխիչ-սպառիչ սխեմայով աշխատելիս: Կերպափոխիչի պաշտպանության համար անհրաժեշտ ինքնավար անջատիչների քանակը որոշվում է, բացի դրանից, կերպափոխիչի և սպառիչի ուժային շղթաների սխեմայով,
3) գերհոսանքների կանխման համար կառավարման իմպուլսների հանման կամ տիրիստորային կերպափոխիչների կարգավորման անկյան մեծացման ուղղությամբ կառավարման իմպուլսների շեղման պաշտպանությամբ,
4) արագագործ չբևեռացված ինքնավար անջատիչով՝ 1 բևեռում, ընդհանուր հավաքովի հաղորդաձողերի վրա 1 կամ մի քանի կիսահաղորդչային կերպափոխիչների զուգահեռ աշխատանքի դեպքում,
5) ներքին և արտաքին գերլարումներից պաշտպանությամբ:
270. Կերպափոխիչ միացքը պետք է սարքավորված լինի պաշտպանության, վերահսկման և ազդանշանման սարքվածքներով, որոնք գործում են աշխատանքի հետևյալ ոչ բնականոն ռեժիմներում.
1) տրանսֆորմատորի յուղի կամ չայրվող հեղուկի թույլատրելի ջերմաստիճանի գերազանցման,
2) կիսահաղորդչային կերպափոխիչը հովացնող ջրի թույլատրելի ջերմաստիճանի գերազանցման,
3) կիսահաղորդչային վենտիլի ուժային շղթայում ապահովիչի այրվելու,
4) օդահովացման կամ ջրահովացման գործողության դադարեցման,
5) կերպափոխիչ միացքի երկարատև գերբեռնման,
6) կառավարող իմպուլսների բացակայության,
7) տեղակայանքի մեկուսացման վնասվածքի (մակարդակի իջեցման),
8) կերպափոխիչ միացքի սեփական կարիքների այլ սարքվածքներում աշխատանքի խախտման, որոնք կարող են բերել նրա բնականոն աշխատանքի խաթարմանը:
271. Անձնակազմի հերթապահությամբ կերպափոխիչ ենթակայաններում (տեղակայանքներում), կամ դրանց աշխատանքը կարգավարի կողմից վերահսկելու դեպքում պաշտպանության, վերահսկման և ազդանշանման՝ 270-րդ կետի 1-ից մինչև 5-րդ և 7-րդ, 8-րդ ենթակետերում նշված սարքվածքները պետք է գործեն ազդանշանի վրա, իսկ 270-րդ կետի 6-րդ ենթակետում նշվածները՝ կերպափոխիչ միացքի անջատման վրա.
1) առանց անձնակազմի հերթապահության և առանց կարգավարական կետ ազդանշանի հաղորդման կերպափոխիչ ենթակայաններում (տեղակայանքներում) պաշտպանության, վերահսկման և ազդանշանման սարքվածքները, որոնք թվարկված են 270-րդ կետում, պետք է գործեն կերպափոխիչ միացքի անջատման վրա,
2) առանձին դեպքերում, տեղային պայմաններից ելնելով, թույլատրվում է 270-րդ կետի 1-ին ենթակետում նշված սարքվածքների՝ ազդանշանի վրա գործարկումը:
24. ՍԱՐՔԱՎՈՐՄԱՆ ԴԱՍԱՎՈՐՈՒԹՅՈՒՆԸ. ՊԱՇՏՊԱՆԱԿԱՆ ՄԻՋՈՑԱՌՈՒՄՆԵՐ
272. Մեկ կերպափոխիչ միացքի կազմի մեջ մտնող տրանսֆորմատորները, կարգավորիչ ավտոտրանսֆորմատորները, հավասարեցուցիչ ռեակտորները, անոդային բաժանարարները և զտիչ ռեակտորները կարող են տեղակայվել ընդհանուր խցի մեջ: Յուղալեցուն սարքավորման տեղակայումը պետք է կատարվի առանձնահատուկ պահանջներին համապատասխան: Լրակազմ կերպափոխիչ ենթակայանների և տեղակայանքների վրա տարածվում են նաև 129-րդ և 130-րդ կետերում նշված պահանջները:
273. Կիսահաղորդչային կերպափոխիչները թույլատրվում է տեղակայել էլեկտրատեխնիկական կամ արտադրական սենքերի այլ սարքավորման հետ համատեղ, եթե դրան չեն խանգարում շրջակա միջավայրի պայմանները (ուժեղ մագնիսական դաշտեր, ջերմաստիճան, խոնավություն, փոշոտվածություն և այլն):
274. Արտադրական սենքերում կիսահաղորդչային կերպափոխիչները պետք է տեղակայել պահարանների մեջ:
275. Կերպափոխիչների պահարանների դռները, 1 կՎ-ից բարձր ուղղված լարման դեպքում, անկախ պահարանների տեղակայման վայրից (էլեկտրատեխնիկական կամ արտադրական սենքեր) պետք է համալրված լինեն ուղեկապմամբ, որը պետք է անջատի կերպափոխիչ միացքը փոփոխական և ուղղված հոսանքների կողմից և թույլ չտա միացնել այն բաց դռների դեպքում:
Էլեկտրասենքերից դուրս տեղակայված կերպափոխիչների պահարանների դռները պետք է համալրված լինեն ներքին փականքներով, որոնք բացվում են հատուկ բանալիներով:
276. Բաց կիսահաղորդչային կերպափոխիչները, որոնք ունեն լարման տակ գտնվող, հպման համար մատչելի մասեր, պետք է տեղակայվեն միայն էլեկտրասենքերում: Ընդ որում, 1 կՎ-ից բարձր լարման կերպափոխիչները պետք է ունենան հոծ կամ ցանցկեն ցանկապատ՝ առնվազն 1,9 մ բարձրությամբ: Ցանկապատի ցանցի բջիջները պետք է լինեն (25x25) մմ-ից ոչ ավելի չափսերով: Ցանկապատերի դռները պետք է ունենան ուղեկապում, որոնք դռները բացվելու դեպքում անջատում են կերպափոխիչն առանց պահաժամի՝ ինչպես փոփոխական, այնպես էլ ուղղված հոսանքի կողմից:
277. Մինչև 1 կՎ լարման բաց կերպափոխիչները կարող են տեղակայվել.
1) հատակի վրա՝ հողից մեկուսացված տեղամասերում. ընդ որում, հատակը պետք է ծածկված լինի մեկուսացման շերտով՝ անմիջապես կերպափոխիչի տակ և կերպափոխիչի հորիզոնական պրոյեկցիայից մինչև 1,5 մ շրջագոտում: Մեկուսացման շերտը պետք է լինի մեխանիկորեն բավական ամուր և հաշվարկված լինի ուղղված հոսանքի տասնապատիկ աշխատանքային լարման համար: Պատերը և հողակցված առարկաները, որոնք դասավորված են կերպափոխիչի պրոյեկցիայից հորիզոնականով 1,5 մ-ից պակաս հեռավորության վրա, պետք է ծածկված լինեն մեկուսացման նույնպիսի շերտով՝ 1,9 մ բարձրության վրա, կամ պետք է պաշտպանված լինեն հողից մեկուսացված ցանկապատերով: Կերպափոխիչը պետք է ցանկապատված լինի մեկուսացված կանգնակների վրա՝ մեկուսացված նյութերից բռնաձողերով կամ քուղով: Անցամասի լուսանցիկ լայնությունը կերպափոխիչից մինչև հողից մեկուսացված ցանկապատերը, պատերը և այլ առարկաները պետք է լինի առնվազն 1 մ:
2) չմեկուսացված հատակի վրա. ընդ որում, կերպափոխիչները պետք է ունենան հոծ կամ ցանցկեն անհատական ցանկապատեր՝ առնվազն 1,9 մ բարձրությամբ: Ցանկապատի դռները պետք է ունենան ուղեկապում՝ 275-րդ կետում նշված պահարանների դռների ուղեկապմանը համանման, կամ փակվեն փականքով: Վերջին դեպքում, ցանկապատերի դռների վերևում կամ պատի վրա պետք է իրագործվի ազդանշանում՝ ինչպես փոփոխական հոսանքի, այնպես էլ ուղղված լարման կողմից կերպափոխիչի անջատման մասին: Կերպափոխիչի իրանի վրա տեղակայված չափիչ սարքերը պետք է դասավորված և մոնտաժված լինեն այնպես, որ անձնակազմը կարողանա հետևել սարքերի ցուցմունքներին՝ չմտնելով կերպափոխիչի ցանկապատից ներս:
278. Միևնույն կերպափոխիչ միացքին պատկանող մի քանի բաց կերպափոխիչներ թույլատրվում է ցանկապատել 1 ընդհանուր ցանկապատով:
279. Մինչև 1 կՎ լարման բաց կերպափոխիչները էլեկտրասենքերի չմեկուսացված հատակի վրա տեղակայելիս, հեռավորությունները հորիզոնականով պետք է լինեն ոչ պակաս.
1) կերպափոխիչի լարման տակ գտնվող մասերից մինչև հողակցված ցանկապատերը, պատերը և այլն, այն կողմից, որտեղ չի պահանջվում կերպափոխիչների սպասարկում՝ 50 մմ,
2) լարման տակ գտնվող 1 կերպափոխիչից մինչև մյուս կերպափոխիչի հողակցված մասերը, հողակցված ցանկապատերը, պատերը և այլն, սպասարկման կողմից՝ 1,5 մ,
3) տարբեր կերպափոխիչների հողակցված մասերի միջև, ինչպես նաև կերպափոխիչների հողակցված մասերից մինչև հողակցված ցանկապատերը, պատերը և այլն, սպասարկման կողմից՝ 0,8 մ,
4) տարբեր կերպափոխիչների լարման տակ գտնվող մասերի միջև, սպասարկման կողմից՝ 2,0 մ:
2-րդից մինչև 4-րդ ենթակետերում նշված հեռավորությունները սահմանված են՝ ելնելով առանց կերպափոխիչից լարումը հանելու սպասարկող անձնակազմի մուտքը ցանկապատից ներս ապահովելու պայմանից:
280. 1 կՎ-ից բարձր լարման բաց կերպափոխիչները էլեկտրասենքերում տեղակայելու դեպքում հեռավորությունները հորիզոնականով պետք է լինեն ոչ պակաս.
1) կերպափոխիչի՝ լարման տակ գտնվող մասերից մինչև ցանկապատերը, պատերը և այլն, այն կողմից, որտեղ չի պահանջվում կերպափոխիչների սպասարկում,
ա. 3 կՎ լարման դեպքում՝ 165 մմ,
բ. 6 կՎ լարման դեպքում՝ 190 մմ,
գ. 10 կՎ լարման դեպքում՝ 220 մմ
2) տարբեր կերպափոխիչների հողակցված մասերի միջև, ինչպես նաև կերպափոխիչների հողակցված մասերից մինչև ցանկապատերը, պատերը և այլն, սպասարկման կողմից՝ 0,8 մ. այդ հեռավորությունը սահմանված է՝ ելնելով լարման բացակայության դեպքում կերպափոխիչի սպասարկումն ապահովելու պայմանից:
281. Այն տեղակայանքներում, որտեղ կերպափոխիչ միացքը կազմված է 2 և ավելի կերպափոխիչներից և, բացի այդ, պահանջվում է կերպափոխիչների մի մասի աշխատանքը՝ մնացածների վրա լարման բացակայության դեպքում, առանձին տարրերի էլեկտրական միացումները պետք է կատարվեն այնպես, որ հնարավորություն լինի յուրաքանչյուր կերպափոխիչ անջատել փոփոխական և ուղղված լարման կողմերից:
282. Կերպափոխիչ միացքների էլեկտրասարքավորմամբ պահարանները 1 շարքով տեղակայելիս, անցամասի (արանքի) լայնությունը դռների կամ հանովի պատերի կողմից պետք է լինի առնվազն 1 մ. պահարանի 900-ով բաց դռան դեպքում թույլատրվում է անցամասի նեղացում՝ մինչև 0,6 մ: Պահարանները 2 շարքով դասավորելու դեպքում պահարանների միջև սպասարկման անցամասի լայնությունը պետք է լինի առնվազն 1,2 մ. իրար դիմաց գտնվող 2 պահարանների 900-ով բացված դռների դեպքում, դռների միջև պետք է մնա առնվազն 0,6 մ լայնությամբ անցամաս: Էլեկտրասարքավորումը շարժական սայլակների վրա՝ պահարանների մեջ տեղակայելիս անցամասի լայնությունը պետք է լինի առնվազն.
1) պահարանները 1 շարքով դասավորելիս՝ սայլակի երկարությանը՝ ավելացրած 0,6մ.
2) երկշարք դասավորության դեպքում՝ սայլակի երկարությանը՝ ավելացրած 0,8 մ:
Բոլոր դեպքերում, անցամասերի լայնությունը պետք է լինի սայլակի անկյունագծից ոչ պակաս:
283 Կերպափոխիչների անոդները և նրանց հովացուցիչները պետք է ներկված լինեն վառ գույնով, որը տարբերվում է կերպափոխիչի մնացած մասերի գույներից:
284. Կերպափոխիչի իրանի վրա պետք է գծանշվեն նախազգուշացնող նշաններ՝ պարապ ընթացքի դեպքում կերպափոխիչի լարման ցուցիչով:
285. Կիսահաղորդչային կերպափոխիչներով տեղակայանքներում, կերպափոխիչ տրանսֆորմատորների վենտիլային փաթույթների հետ կապված շղթաների ու կառավարման և «ցանցային» պաշտպանության շղթաների մեկուսացումը, ինչպես նաև այն շղթաների մեկուսացումը, որոնք մեկուսացման ծակման դեպքում կարող են հայտնվել վենտիլային փաթույթների պոտենցիալի տակ, պետք է 1 րոպեի ընթացքում պահի 50 հց հաճախականության փոփոխական հոսանքի փորձարկման հետևյալ լարումը.
Շղթաների անվանական լարումը, Վ մինչև 60, 220, 500,500-ից բարձր
Փորձարկման լարումը, կՎ 1, 1,5, 2, 2,5 Udo+1, բայց 3-ից ոչ պակաս որտեղ Udo-ն՝ պարապ ընթացքի ուղղված լարումն է: Որպես մեկուսացման անվանական լարում ընդունվում է ստուգվող շղթայում մեկուսացման վրա ազդող անվանական լարումներից (գործող արժեքի) առավելագույնը:
286. Ուղղված հոսանքի առաջնային շղթաները պետք է ունենան նրանց աշխատանքային լարմանը համապատասխանող մեկուսացում:
25. ԿԵՐՊԱՓՈԽԻՉՆԵՐԻ ՀՈՎԱՑՈՒՄԸ
287. Արտադրող կազմակերպության կողմից կերպափոխիչների համար պահանջվող ջերմաստիճանային ռեժիմն ապահովելու համար պետք է նախատեսված լինեն սարքվածքներ՝ դրանց հովացման համար: Հովացման եղանակները, հովացնող ջրի կամ օդի ջերմաստիճանը և ծախսը տրվում են արտադրող կազմակերպության կողմից:
288. Կերպափոխիչների օդային հովացման դեպքում փոշու պարունակությունը օդում չպետք է գերազանցի 0,7 մգ/մ3-ը: Փոշու ավելի մեծ խտության դեպքում պետք է նախատեսված լինի օդի մաքրում:
289. Կերպափոխիչների օդային հովացման դեպքում յուրաքանչյուր կերպափոխիչի օդատար պետք է ունենա սահափական (ձգափական), որն ապահովում է կերպափոխիչին օդի մատուցման դադարեցումը՝ անկախ մյուս կերպափոխիչներին օդի մատուցումից:
290. Կերպափոխիչները ջրով հովացնելիս պետք է կիրառել փակ շրջանառու համակարգ: Ջուրն իր քիմիական և ֆիզիկական հատկություններով (քիմիական բաղադրություն, էլեկտրահաղորդականություն, կոշտություն, մեխանիկական խառնուրդների պարունակություն) պետք է համապատասխանի արտադրող կազմակերպության պահանջներին:
291. Կերպափոխիչը հոսող ջրով և շրջանառու համակարգով հովացնելիս, հովացնող ջրի մատուցման և հեռացման խողովակաշարերը պետք է մեկուսացված լինեն հովացնող համակարգից, որն ունի կերպափոխիչի պոտենցիալը: Մեկուսացումը պետք է իրագործվի մեկուսիչ խողովակների կամ ճկափողի տեսքով՝ կերպափոխիչի և ջերմափոխանակիչի միջև (շրջանառու համակարգի դեպքում) կամ կերպափոխիչի և ջրատարի միջև (հոսող համակարգի դեպքում): Մեկուսիչ խողովակների և ճկափողերի երկարությունը պետք է լինի կերպափոխիչներն արտադրող կազմակերպության կողմից հանձնարարվածից ոչ պակաս: Հոսող ջրով հովացման համակարգի դեպքում մեկուսացումը կերպափոխիչի և ջրահեռացման խողովակի միջև թույլատրվում է իրագործել ընդունիչ ձագարի մեջ ազատ թափվող ջրի շիթի միջոցով:
292. Որպես հովացնող հեղուկ մեծ հաղորդականություն ունեցող հակաքայքայիչ լուծույթներ օգտագործելիս հովացման տեղակայանքի սարքավորումը (ջերմափոխանակիչ պոմպ, տաքացուցիչներ), որն այս դեպքում ունի կերպափոխիչի իրանի պոտենցիալը, պետք է տեղակայված լինի մեկուսիչների վրա, իսկ հովացնող տեղակայանքի և կերպափոխիչի միջև խողովակաշարերը, աշխատող կերպափոխիչի ժամանակ հպման համար նրանց մատչելիության դեպքում պետք է կատարվեն մեկուսիչ խողովակներից կամ ճկափողերից: Հովացնող ջուրը պետք է տրվի ջերմափոխանակիչ մեկուսիչ ներդիրի միջոցով (ճկափողով կամ խողովակով): Եթե հովացման տեղակայանքը գտնվում է կերպափոխիչի ցանկապատից դուրս, այն պետք է ունենա 277-րդ կետի 2-րդ ենթակետի պահանջներին բավարարող ցանցկեն կամ հոծ ցանկապատ. ընդ որում, ցանկապատի դռների ուղեկապումը պետք է ապահովի պոմպի և ջերմափոխանակիչի տաքացուցիչի անջատում՝ դռները բացվելիս:
293. Հովացնող ջրի քանակը կարգավորող փականները պետք է տեղակայվեն սպասարկման համար անվտանգ և հարմար տեղում: Գտնվելու տեղից կախված, նրանք պետք է մեկուսացված լինեն հողից կամ հողակցվեն:
294. Կերպափոխիչ ենթակայանի (տեղակայանքի) ջրով ապահովման պահուստավորման աստիճանը պետք է համապատասխանի էլեկտրաէներգիայով նրա սնման պահուստավորման աստիճանին:
295. Հովացնող սարքվածքների աշխատանքը վերահսկելու համար պետք է տեղակայվի բավարար քանակով ստուգիչ-չափիչ սարքեր և սարքավորումներ (ջերմաչափեր, ճնշաչափեր, ճնշման և հոսքի ռելեներ, ծախսաչափեր և այլն):
26. ՋԵՌՈՒՑՈՒՄ, ՕԴԱՓՈԽՈՒԹՅՈՒՆ ԵՎ ՋՐԱՄԱՏԱԿԱՐԱՐՈՒՄ
296. Կերպափոխիչ ենթակայանների և տեղակայանքների սենքերում պետք է նախատեսված լինի ջեռուցում:
297. Ցուրտ ժամանակ, չաշխատող սարքավորման դեպքում, ջեռուցումը պետք է ապահովի առնվազն` կերպափոխիչ միացքների սենքերում՝ +160C, ջերմափոխանակիչների սենքերում՝ +100C ջերմաստիճան: Մնացած բոլոր սենքերում պետք է ապահովված լինի սանիտարական նորմերում նշված ջերմաստիճանը:
298. Ամռան ընթացքում կերպափոխիչ ենթակայանների և տեղակայանքների սենքերի աշխատանքային գոտիներում օդի ջերմաստիճանը չպետք է գերազանցի արտաքին օդի ջերմաստիճանը 50C-ից ավելի. ընդ որում, առավելագույն ջերմաստիճանը պետք է լինի 400C-ից ոչ բարձր:
299. Ենթակայանների (տեղակայանքների) սենքերում պետք է միջոցներ ձեռնարկվեն հավելյալ ջերմության հեռացման համար, որն անջատվում է կերպափոխիչ միացքներից, սարքավորումներից, ռեզիստորներից և այլ սարքավորումից տեղակայանքի աշխատանքի ընթացքում:
300. Ընդհանուր օդափոխանակության սարքվածքում, որն օգտագործվում է սենքերից հավելյալ ջերմության հեռացման համար, պետք է նախատեսված լինի օդի մաքրում փոշուց:
301. Հանձնարարվում է նախատեսել օդափոխության առանձին համակարգեր՝ առաջին հարկի, նկուղի և մյուս մեկուսացված սենքերի համար: Թույլատրվում է կառուցել օդափոխության ընդհանուր համակարգ՝ կառավարվող սահափականների (ձգափականների) առկայության դեպքում, որոնք թույլ են տալիս առանձին սենքերում օդի մատուցման դադարեցում՝ հրդեհի դեպքում:
302. Կերպափոխիչ ենթակայանները և տեղակայանքները պետք է ապահովված լինեն ջրով՝ կերպափոխիչ միացքների հովացման և սանիտարատեխնիկական սարքվածքների կարիքների համար:
303. Ջրատարը պետք է սարքավորված լինի ցանցկեն զտիչներով, որոնք բացառում են խոշոր ներառուկների թափանցումը կերպափոխիչների հովացման համակարգ:
27. ՇԻՆԱՐԱՐԱԿԱՆ ՄԱՍ
304. Կերպափոխիչ ենթակայանների շենքերը և կերպափոխիչ տեղակայանքների սենքերը պետք է վերագրել Դ կարգին՝ ըստ համապատասխան շինարարական նորմերի:
305. Կերպափոխիչների սենքերի պատերը պետք է սվաղվեն և մինչև առաստաղ ներկվեն բաց գույնի յուղաներկով, իսկ առաստաղները սպիտակեցվեն: Մնացած սենքերի ներկումն ու հարդարումը կատարվում են նրանց նշանակմանը համապատասխան:
306. Կերպափոխիչների սենքերի հատակները պետք է ունենան ծածկույթ, որը թույլ չի տալիս փոշու առաջացում (օրինակ՝ ցեմենտ՝ մարմարի փշրանքով, հախճասալիկ):
307. Շինությունների ծածկերում և պատերում հարկ է նախատեսել հավաքակցման անցքեր կամ որմնանցքեր՝ ծանր և դժվարաշարժ (մեծածավալ) սարքավորումը փոխադրելու համար: Հավաքակցման անցքերը պետք է դասավորված լինեն բեռնամբարձ սարքվածքի գործողության գոտում: Անցքի ծածկը պետք է ունենա հրակայունության նույն աստիճանը, ինչ որ այն շինության ծածկը, որի մեջ գտնվում է այն:
308. Շինությունների նկուղը պետք է ունենա ջրամեկուսացում և ջրքաշ սարքվածք:
309. Կերպափոխիչ ենթակայանների շենքեր կամ կերպափոխիչ տեղակայանքների սենքեր մտնող մալուխային թունելները, շենքերին (սենքերին) հարող տեղերում պետք է դրանցից առանձնացվեն միջնապատերով, որոնք ունեն 0,75 ժ հրակայունության սահման, և դռներով՝ առնվազն 0,6 ժ հրակայունության սահմանով: Դռները պետք է բացվեն դեպի ենթակայանի (տեղակայանքի) շինության կողմը և ունենան ինքնափակվող փականք, որը թունելի կողմից բացվում է առանց բանալու:
V. ԿՈՒՏԱԿԻՉ ԿԱՅԱՆՔՆԵՐ
28. ԷԼԵԿՏՐԱԿԱՆ ՄԱՍ
310. Լիցքավորման սարքվածքը պետք է ունենա հզորություն և լարում, որոնք բավարարեն կուտակիչ մարտկոցի անվանական ունակության 90 տոկոսի չափով, 8 ժամից ոչ ավելի ժամանակաընթացքում լիցքավորման համար՝ նախորդող 30 րոպեանոց լիցքաթափման դեպքում:
311. Կուտակիչ տեղակայանքը պետք է սարքավորված լինի փոխարկիչ ունեցող վոլտաչափով և ամպերաչափերով՝ լիցքավորման, լրալիցքավորման սարքվածքների և կուտակիչ մարտկոցների շղթաներում:
312. Լիցքավորման և լրալիցքավորման շարժիչ-գեներատորների համար պետք է նախատեսվեն սարքվածքներ՝ հետադարձ հոսանքի առաջացման դեպքում նրանց անջատման համար:
313. Կուտակիչ մարտկոցի շղթայում,որպես կանոն, պետք է տեղակայվի ինքնավար անջատիչ, որը պետք է ցանցի պաշտպանիչ սարքերի նկատմամբ լինի ընտրողական:
314. Լրալիցքավորման սարքվածքը պետք է ապահովի մարտկոցի սեղմակների վրա լարման կայունացում՝ + 2 տոկոսի սահմաններում:
315. Կուտակիչ տեղակայանքները, որոնց մեջ կիրառվում է մարտկոցների լիցքավորման ռեժիմ՝ տարրի վրա 2,3 Վ-ից ոչ ավելի լարմամբ, պետք է ունենան սարքվածք, որը թույլ չտա լարման ինքնաբերական բարձրացում 2,3 Վ-ից բարձր՝ 1 տարրի վրա:
316. Ուղղիչ սարքվածքները, որոնք կիրառվում են կուտակիչ մարտկոցների լիցքավորման և լրալիցքավորման համար, պետք է միացվեն փոփոխական հոսանքի կողմից՝ բաժանիչ տրանսֆորմատորի միջոցով:
317. Հաստատուն հոսանքի հաղորդաձողերը պետք է համալրված լինեն մեկուսացման մշտական վերահսկման սարքվածքով, որը թույլ կտա գնահատել մեկուսացման դիմադրության արժեքը և կգործի ազդանշանման վրա՝ բևեռներից մեկի մեկուսացման դիմադրությունը մինչև 20 կՕմ իջնելիս՝ 220 Վ ցանցում, 10 կՕմ՝ 110 Վ ցանցում, 5 կՕմ՝ 48 Վ ցանցում և 3 կՕմ՝ 24 Վ ցանցում:
318. Կուտակիչ մարտկոցի համար հարկ է նախատեսել ուղեկապում, որը թույլ չի տա անջատված օդափոխության դեպքում կատարել մարտկոցի լիցքավորում՝ տարրի վրա 2,3 Վ-ից ավելի լարմամբ:
319. Կուտակիչ մարտկոցի սենքում 1 լուսատու պետք է միացված լինի վթարային լուսավորության ցանցին:
320. Կուտակիչները պետք է տեղակայվեն դարակաշարերի կամ պահարանի դարակների վրա: Դարակաշարերի կամ պահարանի դարակների միջև հեռավորությունները ուղղաձիգով պետք է ապահովեն կուտակիչ մարտկոցների հարմար սպասարկում: Կուտակիչները կարող են տեղակայվել 1 շարքով՝ նրանց միակողմանի սպասարկման կամ 2 շարքով՝ նրանց երկկողմ սպասարկման դեպքում: Կրկնական ապակե անոթների կիրառման դեպքում նրանք դիտվում են որպես 1 կուտակիչ:
321. Կուտակիչների տեղակայման դարակաշարերը պետք է կատարված լինեն, փորձարկվեն և մականշվեն ԳՕՍՏ 26881-ի պահանջներին համապատասխան, նրանք պետք է կայուն ծածկույթով պաշտպանված լինեն էլեկտրոլիտի ներգործությունից:
322. Կուտակիչները պետք է մեկուսացված լինեն դարակաշարերից, իսկ դարակաշարերը՝ հողից, մեկուսացնող տակդիրների միջոցով, որոնք կայուն են էլեկտրոլիտի և նրա գոլորշիների ներգործության դեմ: 48 Վ-ից ոչ բարձր կուտակիչ մարտկոցների դարակաշարերը կարող են տեղակայվել առանց մեկուսացնող տակդիրների:
323. Կուտակիչ մարտկոցների սպասարկման համար անցամասերը պետք է լինեն կուտակիչների միջև առնվազն 1 մ լուսանցիկ լայնությամբ՝ կուտակիչների երկկողմ դասավորության և 0,8 մ՝ միակողմանի դասավորության դեպքում: Կուտակիչ մարտկոցների դասավորումը պետք է իրագործվի՝ էլեկտրական կուտակիչների մնայուն տեղակայումների դարակաշարերի համար ԳՕՍՏ 26881-ի պահանջների պահպանմամբ:
324. Կուտակիչներից մինչև ջեռուցիչ սարքեր հեռավորությունը պետք է լինի առնվազն 750 մմ: Այդ հեռավորությունը կարող է փոքրացվել կուտակիչների տեղային տաքացումը բացառող անկիզելի նյութերից ջերմային էկրանների տեղակայման պայմանի դեպքում:
325. Կուտակիչների հոսանատար մասերի միջև հեռավորությունը պետք է լինի առնվազն 0,8 մ՝ 65 Վ-ից մինչև 250 Վ լարման դեպքում՝ բնականոն աշխատանքի (ոչ լիցքավորման) ընթացքում, և 1 մ՝ 250 Վ-ից բարձր լարման դեպքում: Կուտակիչները 2 շարքով՝ առանց շարքերի միջև անցամասի տեղակայելիս, տարբեր շարքերի հարևան կուտակիչների հոսանատար մասերի միջև լարումը բնականոն աշխատանքի ընթացքում (ոչ լիցքավորման) չպետք է գերազանցի 65 Վ-ը: Էլեկտրասարքավորումը, ինչպես նաև հաղորդաձողերի և մալուխների միացման տեղերը, պետք է դասավորված լինեն ոչ հերմետիկ կուտակիչներից առնվազն 1 մ հեռավորության վրա և առաստաղի ամենացածր կետից առնվազն 0,3 մ ցածր:
326. Կուտակիչ մարտկոցների հաղորդաձողավորումը պետք է կատարվի պղնձե կամ ալյումինե չմեկուսացված հաղորդաձողերով կամ թթվակայուն մեկուսացմամբ միաջիղ մալուխներով: Պղնձե հաղորդաձողերի և մալուխների միացումները և ճյուղավորումները պետք է կատարվեն եռակցմամբ կամ զոդմամբ, ալյումինայինները` միայն եռակցմամբ: Հաղորդաձողերի միացումն արտանցիչ սալի միջանցիկ ձողերի հետ պետք է կատարվի եռակցմամբ: Հաղորդաձողերի և մալուխների՝ կուտակիչներին միացման տեղերը պետք է անագապատվեն: Արտանցիչ սալից էլեկտրական միացումները կուտակիչ մարտկոցների սենքից մինչև փոխարկիչ սարքերն ու հաստատուն հոսանքի բաշխիչ վահանը պետք է իրագործվեն միաջիղ մալուխներով կամ չմեկուսացված հաղորդաձողերով:
327. Չմեկուսացված հաղորդիչները պետք է կրկնակի ներկվեն թթվադիմացկուն, սպիրտ չպարունակող ներկով՝ ամբողջ երկարությամբ, բացի հաղորդաձողերի միացման, կուտակիչների միակցման և այլ միացումների տեղերից: Չներկված տեղերը պետք է ծածկվեն տեխնիկական վազելինով:
328. Հարևան չմեկուսացված հաղորդաձողերի միջև հեռավորությունը որոշվում է դինամիկական կայունության հաշվարկով: Նշված հեռավորությունը, ինչպես նաև հաղորդաձողերից մինչև շենքի մասեր և այլ հողակցված մասեր միջանցիկ հեռավորությունը պետք է լինի առնվազն 50 մմ:
329. Հաղորդաձողերը պետք է տեղադրվեն մեկուսիչների վրա և ամրացվեն նրանց հաղորդաձողակալներով: Հաղորդաձողերի հենարանային կետերի միջև հենամեջը որոշվում է դինամիկական կայունության հաշվարկով (հաշվի առնելով 328-րդ կետի պահանջը), բայց պետք է լինի 2 մ-ից ոչ ավելի: Մեկուսիչները, դրանց ամրանները, հաղորդաձողերի ամրացման տարրերը և պահող կառուցվածքները պետք է ունենան էլեկտրական և մեխանիկական կայունություն՝ էլեկտրոլիտի գոլորշիների երկարատև ներգործության նկատմամբ: Պահող կառուցվածքների հողակցում չի պահանջվում:
330. Կուտակիչ մարտկոցի սենքից արտանցման սալը պետք է կայուն լինի էլեկտրոլիտի գոլորշիների ներգործության նկատմամբ: Սալերի համար մարմարի, ինչպես նաև նրբատախտակի և շերտավոր կառուցվածքի այլ նյութերի կիրառում չի թույլատրվում: Սալը ծածկի մեջ տեղակայելու դեպքում սալի հարթությունը պետք է բարձր լինի նրանից առնվազն 100 մմ-ով:
331. Կուտակիչ մարտկոցի ընտրության և հաշվարկի ժամանակ պետք է հաշվի առնել նրա ունակության փոքրացումը՝ կուտակիչ մարտկոցի սենքում +150C-ից ցածր ջերմաստիճանի դեպքում:
29. ՇԻՆԱՐԱՐԱԿԱՆ ՄԱՍ
332. Մնայուն կուտակիչ մարտկոցները պետք է տեղակայվեն հատուկ նրանց համար նախատեսված սենքերում: Թույլատրվում է 1 սենքի մեջ մի քանի թթվային մարտկոցների տեղակայում:
333. Կուտակիչ մարտկոցների սենքերը պատկանում են Ե կարգի արտադրություններին և պետք է տեղավորվեն առնվազն II աստիճանի հրակայունության շենքում՝ ըստ «Շենքերի և կառուցվածքների հակահրդեհային անվտանգությունը» ՀՀՇՆ 8.04.01-ի պահանջների: Դռները և պատուհանների շրջանակները կարող են լինել փայտյա:
334. Կուտակիչ մարտկոցները տեղակայվում են բնական լուսավորությամբ սենքերում. լուսամուտների համար պետք է օգտագործել փայլատ կամ սպիտակ սոսնձաներկով պատված ապակի: Կուտակիչ մարտկոցների սենքերը թույլատրվում է կատարել առանց բնական լուսավորության. թույլատրվում է նաև դրանց տեղավորումը չոր նկուղային սենքերում: Այս դեպքերում դյուրանջատ պանելների կիրառում չի պահանջվում:
335. Փակ տիպի փոխադրովի կուտակիչները (օրինակ՝ մեկնասարքի), որոնք կիրառվում են մնայուն էլեկտրատեղակայանքների սնման համար, ինչպես նաև մինչև 60 Վ, 72 Ա.ժ-ից ոչ ավելի ընդհանուր ունակությամբ բաց կուտակիչ մարտկոցները կարող են տեղակայվել ինչպես բնական օդափոխությամբ առանձին սենքերում, այնպես էլ ոչ պայթյունավտանգ և հրդեհավտանգ ընդհանուր արտադրական սենքում, սենքից օդի հեռացմամբ օդափոխվող մետաղական պահարաններում: Փակ տիպի տանովի կուտակիչները, որոնք աշխատում են լիցքաթափման կամ մշտական լրալիցքավորման ռեժիմում, և որոնց լիցքավորումը կատարվում է նրանց տեղակայման վայրից դուրս, կարող են տեղակայվել նաև շերտափեղկերով մետաղական պահարաններում՝ առանց սենքից օդի հեռացման: Նշված պայմանների պահպանման դեպքում սենքերի պայթյունավտանգ և հրդեհավտանգության դասը չի փոխվում:
336. Հերմետիկ մնայուն կուտակիչները, որոնց լիցքավորումը կատարվում է տարրի վրա 2,3 Վ-ից ոչ ավելի լարմամբ, կարող են տեղակայվել ընդհանուր արտադրական, ոչ պայթունավտանգ և ոչ հրդեհավտանգ սենքերում՝ նրանց վերևում օդափոխիչ հովանոց տեղակայելու պայմանով: Ընդ որում, շինության պայթյունավտանգության և հրդեհավտանգության դասը չի փոխվում:
337. Կուտակիչ մարտկոցի սենքը չպետք է տեղավորել թրթռումների և ցնցումների աղբյուրների մոտակայքում: Կուտակիչ մարտկոցի սենքը պետք է.
1) դասավորված լինի լիցքավորման սարքվածքներին և հաստատուն հոսանքի բաշխիչ վահանին հնարավորին չափ մոտ,
2) մեկուսացված լինի նրա մեջ փոշու, գոլորշիների և գազի թափանցումներից, ինչպես նաև ծածկի միջով ջրի թափանցումից,
3) մատչելի լինի սպասարկող անձնակազմի համար:
338. Մուտքը դեպի կուտակիչ մարտկոցների սենք պետք է իրագործվի նախամուտքի միջով: Մուտքի սարքելը կենցաղային սենքերից չի թույլատրվում: Նախամուտքը պետք է ունենա այնպիսի չափեր, որպեսզի կուտակիչ մարտկոցի սենքից դուռը դեպի նախամուտք հնարավոր լինի բացել և փակել, երբ փակ է դուռը նախամուտքից դեպի կից սենք. նախամուտքի մակերեսը պետք է լինի առնվազն 1,5 մ2: Նախամուտքի դռները պետք է բացվեն դեպի դուրս և համալրված լինեն ինքնափակվող փականքներով, որոնք թույլ կտան նրանց բացումը ներսի կողմից՝ առանց բանալու: Դռների վրա պետք է լինեն մակագրություններ՝ «Կուտակիչների սենք», «Հրդեհավտանգ է», «Կրակով չմտնե´լ», «Ծխելն արգելվու'մ է»:
339. Կուտակիչ մարտկոցների սենքերին կից պետք է լինի առնվազն 4 մ2 մակերեսով առանձին սենյակ՝ թթվի, զատիչների, պիտույքների պահելու և էլեկտրոլիտի պատրաստման համար:
340. Կուտակիչ մարտկոցների սենքերի առաստաղները պետք է լինեն հորիզոնական և հարթ: Թույլատրվում են ցցուն կառուցվածքներով կամ թեք առաստաղներ՝ 349-րդ կետի պահանջների կատարման պայմանի դեպքում:
341 Կուտակիչ մարտկոցների սենքերի հատակները պետք է լինեն խիստ հորիզոնական, բետոնե հիմքի վրա, թթվակայուն ծածկույթով (խեցեղեն թթվակայուն սալիկներ, կարերի՝ թթվակայուն նյութով լցումով կամ ասֆալտ).
1) ասֆալտե ծածկույթի վրա դարակաշարերի տեղակայման դեպքում պետք է կիրառվեն ամուր, թթվակայուն նյութերից հենարանային հարթակներ: Դարակաշարերի տեղակայումն անմիջապես ասֆալտե ծածկույթի վրա չի թույլատրվում,
2) կուտակիչ մարտկոցների սենքերում և թթվային սենքում, ինչպես նաև այդ սենքերի դռների մոտ, պետք է սարքված լինի թթվակայուն նյութից շրիշակ:
342.Կուտակիչ մարտկոցների սենքերի պատերը, առաստաղները, դռները, պատուհանների շրջանակները, օդափոխության տուփախողովակները (արտաքին և ներքին կողմերից), մետաղական կառուցվածքները և այլ մասեր, պետք է ներկվեն թթվակայուն ներկով:
343. Կուտակիչներն արտածծիչ պահարաններում տեղավորելիս, պահարանների ներքին մակերևույթը պետք է ներկված լինի թթվակայուն ներկով:
344. 250 Վ-ից ավելի անվանական լարման կուտակիչ մարտկոցների սենքերում, սպասարկման անցամասերում պետք է տեղակայվեն անձնակազմին հատակից մեկուսացնող փայտե վանդակներ:
345. Գույքային օդափոխիչ սարքվածքներ կիրառելիս պետք է նախատեսված լինեն տեղեր՝ դրանց տեղակայման և կուտակիչ մարտկոցների սենքի ներածող-արտածող օդափոխիչների տուփախողովակներից նրանց եկող արտանցիչների համար:
30. ՍԱՆԻՏԱՐԱՏԵԽՆԻԿԱԿԱՆ ՄԱՍ
346. Կուտակիչ մարտկոցների սենքերը, որոնցում կատարվում է կուտակիչների լիցքավորում՝ տարրի վրա 2,3 Վ-ից ավելի լարմամբ, պետք է սարքավորված լինեն մնայուն հարկադրական ներածող-արտածող օդափոխիչներով: Տարրի վրա մինչև 2,3 Վ լարման դեպքում մշտական լիցքավորման և լրալիցքավորման ռեժիմում աշխատող կուտակիչ մարտկոցների սենքերի համար պետք է նախատեսված լինեն հարկադրական ներածող-արտածող օդափոխության մնայուն կամ գույքային սարքվածքներ՝ մարտկոցների կաղապարման և ստուգողական գերլիցքավորման ժամանակահատվածի համար: Թարմ օդի պահանջվող ծավալը V, մ3/ժ, որոշվում է հետևյալ բանաձևով՝
V = 0,07 Iլից. n,
որտեղ Iլիցը՝ լիցքավորման առավելագույն հոսանքն է, Ա, n-ը՝ կուտակիչ մարտկոցի տարրերի թիվը. ընդ որում, կուտակիչ մարտկոցի սենքի օդի մեջ ծծմբական թթվի պարունակությունը պետք է լինի ՀՀՇՆ IV-12.02-ում նշված նորմայից ոչ ավելի: Բացի այդ, կուտակիչ մարտկոցների սենքերի օդափոխության համար պետք է իրագործվի բնական արտածող օդափոխություն, որն ապահովում է ժամում առնվազն օդի միապատիկ փոխանակում: Այն դեպքերում, երբ բնական օդափոխությունը չի կարող ապահովել օդի փոխանակման պահանջվող պատիկությունը, պետք է կիրառվի հարկադրական արտածող օդափոխություն:
347. Կուտակիչ մարտկոցների սենքերի օդափոխության համակարգը պետք է սպասարկի միայն կուտակիչ մարտկոցները և թթվային սենքը: Գազերի արտանետումը պետք է կատարվի հորանի միջով, որը շենքի տանիքից բարձրացված է առնվազն 1,5 մ: Հորանը պետք է պաշտպանված լինի նրա մեջ մթնոլորտային տեղումների թափանցումից: Օդափոխության միացումը շենքի ծխատարներին կամ օդափոխության ընդհանուր համակարգին արգելվում է:
348. Հարկադրական արտածող օդափոխիչ սարքվածքի դեպքում օդամղիչը պետք է ունենա պայթյունավտանգ կատարում:
349. Գազերի արտածծումը պետք է կատարվի շինության ինչպես վերին, այնպես էլ ստորին մասից՝ թարմ օդի ներհոսի հակառակ կողմից: Եթե առաստաղն ունի ցցվածքներ կամ թեքություն, ապա պետք է նախատեսված լինի օդի արտածծում համապատասխանաբար յուրաքանչյուր հատվածամասից կամ առաստաղի տակի տարածության վերևի մասից.
1) վերին օդափոխիչ անցքերի վերևի եզրից մինչև առաստաղ հեռավորությունը պետք է լինի 100 մմ-ից ոչ ավելի, իսկ ստորին օդափոխիչ անցքերի ստորին եզրից մինչև հատակ՝ 300 մմ-ից ոչ ավելի.
2) օդի հոսքը օդափոխիչ անցուղիներից չպետք է անմիջականորեն ուղղվի կուտակիչների էլեկտրոլիտի մակերևույթին.
3) մետաղական օդափոխիչ տուփախողովակները չպետք է դասավորվեն բաց կուտակիչների վերևում.
4) կուտակիչ մարտկոցների սենքերում գույքային օդափոխիչ տուփախողովակների կիրառում չի թույլատրվում.
5) օդի արագությունը կուտակիչ մարտկոցների սենքերում և թթվային սենքերում, օդափոխիչ սարքվածքների աշխատանքի դեպքում պետք է համապատասխանի ՀՀՇՆ IV-12.02-ի պահանջներին:
350. Ցուրտ եղանակին ջերմաստիճանը կուտակիչ մարտկոցների սենքերում կուտակիչների դասավորության մակարդակի վրա պետք է լինի +100C-ից ոչ ցածր: Առանց սպասարկող անձնակազմի մշտական հերթապահության ենթակայաններում, եթե կուտակիչ մարտկոցն ընտրված է միայն անջատիչների միացման և անջատման աշխատանքի հաշվարկից, թույլատրվում է նշված ջերմաստիճանը ընդունել 00C-ից ոչ ցածր:
351. Կուտակիչ մարտկոցի շինության ջեռուցումը կարելի է իրականացնել օդաջեռուցիչ (կալորիֆերային) սարքվածքի միջոցով, որը տեղակայվում է այդ սենքից դուրս և տաք օդը մատակարարում է օդափոխիչ անցուղու միջով: Էլեկտրաջեռուցում կիրառելու դեպքում պետք է միջոցներ ձեռնարկվեն անցուղու միջով կայծակուտակումների դեմ: Շոգեջեռուցման կամ ջրաջեռուցման սարքվածքի դեպքում, կուտակիչ մարտկոցի շինության սահմաններում այն պետք է կատարվի եռակցված հարթ խողովակներով: Կցաշուրթային միացումները և փականների տեղակայումն արգելվում են:
352. Էլեկտրակայաններում, ինչպես նաև ջրատար խողովակներով սարքավորված ենթակայաններում, կուտակիչ մարտկոցների շինության մոտակայքում պետք է տեղակայվեն ջրատար ծորակ և կոնք: Կոնքի վերևում պետք է լինի մակագրություն՝ «Թթու և էլեկտրոլիտ չլցնել»:
ՏԵԽՆԻԿԱԿԱՆ ԿԱՆՈՆԱԿԱՐԳՈՎ ՍԱՀՄԱՆՎԱԾ ՊԱՀԱՆՋՆԵՐԻ ԿԱՏԱՐՈՒՄՆ ԱՊԱՀՈՎՈՂ ՍՏԱՆԴԱՐՏՆԵՐԻ ՑԱՆԿ
|
Ստանդարտի |
Պահանջներ և փորձարկման մեթոդներ սահմանող |
|
ԳՕՍՏ 2933 |
Ապարատներ էլեկտրական ցածրավոլտ. Փորձարկման մեթոդներ |
|
ԳՕՍՏ Ռ 50030.3 |
Ապարատուրա բաշխիչ և կառավարման ցածր լարման. Մաս 3. Անջատիչներ, զատիչներ, անջատիչներ-զատիչներ և դրանց համակցություններն ապահովիչներով |
|
ԳՕՍՏ 3462 |
Հանքահորային պայթապաշտպանված 6 և 10 կՎ լարման լրակազմ բաշխիչ սարքեր |
|
ԳՕՍՏ 4443 |
110 կՎ և բարձր լարման լրակազմ բաշխիչ հերմետիկ սարքվածքներ. Հիմնական հարաչափերը և ընդհանուր տեխնիկական պահանջներ |
|
ԳՕՍՏ 1516.3 |
Էլեկտրասարքավորում փոփոխական հոսանքի 1-ից մինչև 750 կՎ լարումով. Էլեկտրական մեկուսացմանը, դիմացկունությանը ներկայացվող պահանջներ |
|
ԳՕՍՏ 31260 |
Հաղորդիչների նույնականացումը ըստ գույնի կամ թվերի նշագրերի |
|
ԳՕՍՏ 13109 |
Էլեկտրական էներգիա. Համատեղելիություն տեխնիկական միջոցների էլեկտրամագնիսական. Որակի նորմեր էլեկտրական էներգիայի ընդհանուր նշանակման էլեկտրամատակարարման համակարգերում |
|
ԳՕՍՏ 26881 |
Կուտակիչ մարտկոցներ մնայուն կապառային. Ընդհանուր տեխնիկական պայմաններ |
|
Հայաստանի Հանրապետության կառավարության աշխատակազմի ղեկավար |
Դ. Սարգսյան |